Q-Motion®小型线性平台,压电惯性驱动器,行程为12mm,线性光栅尺,分辨率为4nm,驱动力为0.6N,尺寸为21×30×10mm(宽×长×高)
Q-521 Q-Motion®小型线性平台
带位置控制、分辨率高、价格实惠的超小线性平台
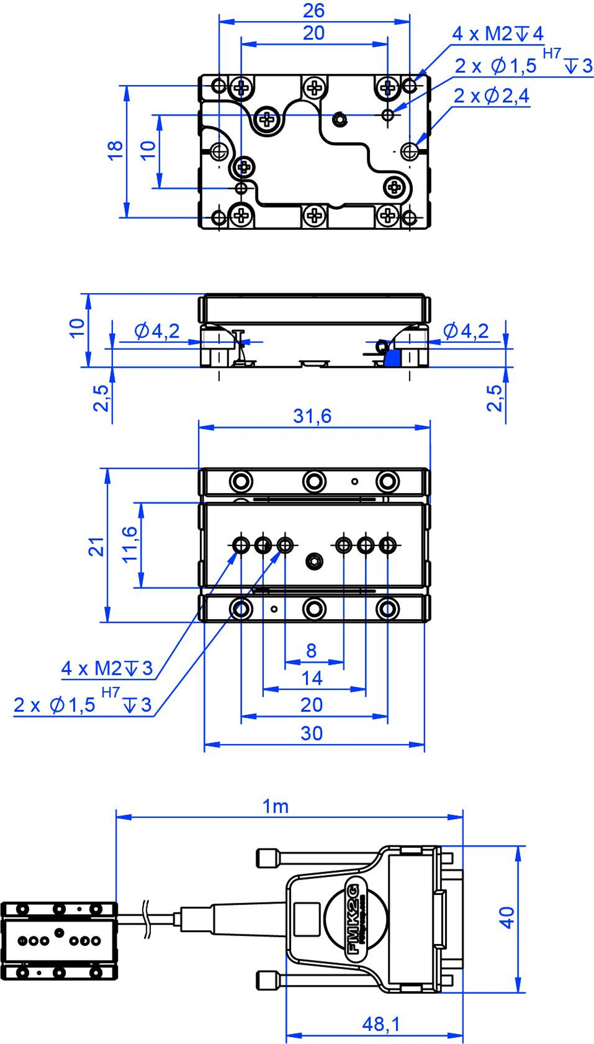
- 宽仅21mm、高仅10mm
- 采用集成式增量编码器实现直接位置测量
- 编码器分辨率高达1nm
- 最小位移为30nm
- 带接装板或支架(作为选配件提供)的多轴系统装置
Q-521 Q-Motion®小型线性平台
产品描述
规格
下载
报价/订购
规格
规格
选择行程范围:
| 运动 | Q-521.130 | Q-521.140 | Q-521.230 | Q-521.240 | Q-521.330 | Q-521.340 | 公差 |
|---|---|---|---|---|---|---|---|
| 主动轴 | X | X | X | X | X | X | |
| X向上的行程 | 12 mm | 12 mm | 22 mm | 22 mm | 32 mm | 32 mm | |
| X向上的最大速度,空载 | 6 mm/s | 6 mm/s | 6 mm/s | 6 mm/s | 6 mm/s | 6 mm/s | typ. |
| X向上的线性度 | 3.5 µm | 3.5 µm | 3.5 µm | 3.5 µm | 3.5 µm | 3.5 µm | typ. |
| 定位 | Q-521.130 | Q-521.140 | Q-521.230 | Q-521.240 | Q-521.330 | Q-521.340 | 公差 |
| X向上的最小位移 | 50 nm | 30 nm | 50 nm | 30 nm | 50 nm | 30 nm | typ. |
| 参考点开关 | 光学 | 光学 | 光学 | 光学 | 光学 | 光学 | |
| 集成传感器 | 增量直线光栅尺 | 增量直线光栅尺 | 增量直线光栅尺 | 增量直线光栅尺 | 增量直线光栅尺 | 增量直线光栅尺 | |
| 传感器信号 | 正弦/余弦,1Vpp | 正弦/余弦,1Vpp | 正弦/余弦,1Vpp | 正弦/余弦,1Vpp | 正弦/余弦,1Vpp | 正弦/余弦,1Vpp | |
| 传感器分辨率 | 4 nm | 1 nm | 4 nm | 1 nm | 4 nm | 1 nm | |
| 驱动性能 | Q-521.130 | Q-521.140 | Q-521.230 | Q-521.240 | Q-521.330 | Q-521.340 | 公差 |
| 驱动类型 | Q-Motion®压电电机 | Q-Motion®压电电机 | Q-Motion®压电电机 | Q-Motion®压电电机 | Q-Motion®压电电机 | Q-Motion®压电电机 | |
| X向上的正向运动的驱动力 | 0.6 N | 0.6 N | 0.6 N | 0.6 N | 0.6 N | 0.6 N | typ. |
| X向上的负向运动的驱动力 | 0.6 N | 0.6 N | 0.6 N | 0.6 N | 0.6 N | 0.6 N | typ. |
| 机械性能 | Q-521.130 | Q-521.140 | Q-521.230 | Q-521.240 | Q-521.330 | Q-521.340 | 公差 |
| X向上的保持力,被动 | 1.3 N | 1.3 N | 1.3 N | 1.3 N | 1.3 N | 1.3 N | typ. |
| 最大负载能力,底板沿任意方向 | 0.06 kg | 0.06 kg | 0.06 kg | 0.06 kg | 0.06 kg | 0.06 kg | |
| 最大负载能力,底板沿水平方向 | 0.3 kg | 0.3 kg | 0.3 kg | 0.3 kg | 0.3 kg | 0.3 kg | |
| 导轨 | 交叉滚柱导轨 | 交叉滚柱导轨 | 交叉滚柱导轨 | 交叉滚柱导轨 | 交叉滚柱导轨 | 交叉滚柱导轨 | |
| 总质量 | 110 g | 110 g | 126 g | 126 g | 135 g | 135 g | |
| 不含电缆的质量 | 24 g | 24 g | 34 g | 34 g | 48 g | 48 g | |
| 材料 | 不锈钢 | 不锈钢 | 不锈钢 | 不锈钢 | 不锈钢 | 不锈钢 | |
| 其他 | Q-521.130 | Q-521.140 | Q-521.230 | Q-521.240 | Q-521.330 | Q-521.340 | 公差 |
| 工作温度范围 | 0至40 °C | 0至40 °C | 0至40 °C | 0至40 °C | 0至40 °C | 0至40 °C | |
| 连接器 | D-sub 15针(公头) | D-sub 15针(公头) | D-sub 15针(公头) | D-sub 15针(公头) | D-sub 15针(公头) | D-sub 15针(公头) | |
| 电缆长度 | 1 m | 1 m | 1 m | 1 m | 1 m | 1 m | |
| 推荐控制器/驱动器 | E-873.1AT、E-873.10C885 | E-873.1AT、E-873.10C885 | E-873.1AT、E-873.10C885 | E-873.1AT、E-873.10C885 | E-873.1AT、E-873.10C885 | E-873.1AT、E-873.10C885 |
PI技术数据是在22±3°C环境温度下定义的。除非有特别说明,所有数值均基于无负载的情况。某些性能参数是相互关联的。“typ.”标识 是指属性的统计平均值,并非承诺每个交付产品均达到该数值。在产品交付前的最后检验中,我们只检测选定的属性,而不是全部属性。请注意,产品的某些特性可能会随着使用时间的增长而逐渐下降。
下载
产品注解
产品注解
Product Change Notification Q-xxx; N-765
版本/日期
2019-03-26
pdf - 435 KB
English
数据表
文件
3D模型
3D模型
Q-521 3D模型
zip - 2 MB
报价/订购
就所需数量、价格和供货周期请求免费报价或描述您所需的改型。
Q-521.130
Q-521.140
Q-Motion®小型线性平台,压电惯性驱动器,行程为12mm,线性光栅尺,分辨率为1nm,驱动力为0.6N,尺寸为21×30×10mm(宽×长×高)
Q-521.230
Q-Motion®小型线性平台,压电惯性驱动器,行程为22mm,线性光栅尺,分辨率为4nm,驱动力为0.6N,尺寸为21×32×10mm(宽×长×高)
Q-521.240
Q-Motion®小型线性平台,压电惯性驱动器,行程为22mm,线性光栅尺,分辨率为1nm,驱动力为0.6N,尺寸为21×32×10mm(宽×长×高)
Q-521.330
Q-Motion®小型线性平台,压电惯性驱动器,行程为32mm,线性光栅尺,分辨率为4nm,驱动力为0.6N,尺寸为21×42×10mm(宽×长×高)
Q-521.340
Q-Motion®小型线性平台,压电惯性驱动器,行程为32mm,线性光栅尺,分辨率为1nm,驱动力为0.6N,尺寸为21×42×10mm(宽×长×高)














