Ultra-precision nanopositioning linear stage with direct drive for vertical mounting; ironless 3-phase linear motor; 60 mm travel range; 300 N load capacity; 500 mm/s maximum velocity; incremental linear encoder, 1 nm sensor resolution, sin/cos, 1 V peak-to-peak; magnetic counterbalance
V-572 Z Vertical Ultra-Precision Direct Drive Linear Nanopositioning Stage
Ideal for Scanning, Measuring, Imaging, Optical Alignment
- Travel range of 60 mm
- Direct drive motor for efficient, dynamic performance
- Crossed-roller bearings for true straightness, flatness, and low noise
- Incremental or absolute encoder for the best accuracy, repeatability, and safety (with absolute encoder)
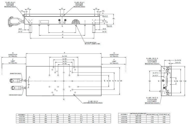
Product overview
The V-572 nanopositioning linear stages are designed for high accuracy and repeatability, long life, and ease of integration with other PI stages and ACS-based controllers.
The V-572 stages offer superior linear trajectory performance compared to similarly-sized linear translation stages. With a powerful, non-cogging direct drive motor, the V-572 family of linear stages performs well in production environments.
The absolute encoder models provide not only 1 nm resolution, but also the safest and most efficient start, not requiring initialization or homing. The non-contact direct-drive linear motor provides high dynamics and maintenance-free, friction-free operation. The ultra-precision cross roller bearings are intended to be low maintenance for the entire life of the stage.
V-572 linear stages are compatible with standard ACS-based A-8xx electronics.
3-phase motors for higher dynamics and friction-free, maintenance-free operation
The 3-phase linear motors driving the V-572 stage family transfer their force directly and friction-free to the motion platform. This eliminates backlash and play that can result from mechanical components like gears and screws in the drivetrain. Ideal for high-velocity, high-acceleration applications, these motors feature a maintenance-free, frictionless design, ensuring longevity in demanding 24/7 operations. The controller's current limit settings allow easy motor disablement, preventing damage to the stage or the application.
Crossed roller bearings improve load capacity, accuracy and lifetime
Crossed roller bearings offer a superior level of smoothness, straightness, and flatness, close to air bearing performance. By replacing the point contact of ball bearings with a line contact, rollers become considerably stiffer, requiring less preload. This reduction in friction enables smoother running, lower noise and higher accuracy. Crossed roller bearings can also support higher vertical and moment loads. The anti-creep mechanism prevents roller drift, enhancing reliability. Cleanroom grease is applied for low-maintenance operation.
Incremental and absolute encoder options
V-572 stages are equipped with linear encoders that measure position with utmost accuracy directly at the motion platform, enhancing linearity and ensuring immunity to mechanical play and elastic deformation which can result from indirect position feedback methods. Incremental encoders, relying on 1 Vpp sine/cosine signals, require a home signal to initiate. In contrast, absolute feedback linear encoders offer explicit position information, enabling immediate determination of the absolute position. This eliminates the need for referencing during power-on, enhancing both efficiency and safety during operation.
Choosing the right precision linear stage and motion controller
Selecting the right linear stage is crucial for optimal performance in high-precision motion applications, such as semiconductor inspection, laser microprocessing, metrology, and alignment. Factors such as resolution, guiding accuracy, and repeatability must be carefully considered. The V-572 linear stage family provides exceptional trajectory accuracy (flatness, straightness, pitch, and yaw) along with ±80 nanometers bi-directional repeatability. With high dynamic properties, featuring 1 g acceleration and 500 mm/s velocity, these fast and accurate motorized stages are ideal for automation of highly accurate positioning tasks required for the mass production of precision devices.
Configured with PI’s A-8xx series motion controllers, these stages achieve unparalleled motion performance. PI’s EtherCAT-based controllers offer remarkable flexibility, facilitating the seamless integration of third-party equipment compatible with EtherCAT. Advanced algorithms in the A-8xx series motion controllers, such as PILOT, allow for higher dynamics with reduced motor currents, virtually increasing the motor’s force constant. Choose the V-572 for precision, reliability, and efficiency in your motion applications.
Accessories and options
- Encoder type – 1 Vpp sin/cos or absolute BiSS output
- Single or multi-axis, ACS motion controllers and servo drives, integrated or distributed
- Cables compatible with the A-8xx series, ACS-powered controllers
- Multi-axis XY- and XYZ-stage assemblies
- Granite support base
Application fields
Sample inspection. Precision micro-assembly. Research. Biotechnology. Semiconductor test and inspection. Metrology. General automation. Device assembly. Laser micro-processing. Pick and place. Alignment of optics, micromechanics and photonics components.
Specifications
| Motion | V-572.060A1MZ | V-572.060B1MZ | Tolerance |
|---|---|---|---|
| Active axes | Z | Z | |
| Travel range in Z | 60 mm | 60 mm | |
| Acceleration in Z, unloaded | 10 m/s² | 10 m/s² | max. |
| Maximum velocity in Z, unloaded | 500 mm/s | 500 mm/s | |
| Straightness error in X | ± 0.8 µm | ± 0.8 µm | typ. |
| Straightness error in Y | ± 0.8 µm | ± 0.8 µm | typ. |
| Angular error around X | ± 50 µrad | ± 50 µrad | typ. |
| Angular error around Y | ± 60 µrad | ± 60 µrad | typ. |
| Positioning | V-572.060A1MZ | V-572.060B1MZ | Tolerance |
| Positioning accuracy in Z, calibrated | ± 0.2 µm | ± 0.2 µm | typ. |
| Bidirectional repeatability in Z | 0.08 µm | 0.08 µm | typ. |
| Reference switch | Index in the middle of the travel range, 1 V peak-to-peak | — | |
| Integrated sensor | Incremental linear encoder | Absolute linear encoder | |
| Sensor signal | Sin/cos, 1 V peak-to-peak | BiSS-C, 32-bit | |
| Sensor resolution | 1 nm | 1 nm | |
| Drive properties | V-572.060A1MZ | V-572.060B1MZ | Tolerance |
| Drive type | Ironless 3-phase linear motor | Ironless 3-phase linear motor | |
| Nominal voltage | 48 V | 48 V | |
| Nominal current, RMS | 2.2 A | 2.2 A | typ. |
| Peak current, RMS | 6 A | 6 A | typ. |
| Drive force in Z | 20 N | 20 N | typ. |
| Peak force in Z | 60 N | 60 N | |
| Force constant | 10 N/A | 10 N/A | |
| Resistance phase-phase | 11 Ω | 11 Ω | typ. |
| Inductance phase-phase | 1.6 mH | 1.6 mH | |
| Back EMF phase-phase | 10 V·s/m | 10 V·s/m | max. |
| Magnet pitch | 38.1 mm | 38.1 mm | |
| Mechanical properties | V-572.060A1MZ | V-572.060B1MZ | Tolerance |
| Maximum load capacity | 7 kg | 7 kg | |
| Moved mass in Z, unloaded | 1400 g | 1400 g | |
| Bearing type | Crossed roller bearings | Crossed roller bearings | |
| Overall mass | 3400 g | 3400 g | |
| Material | Aluminum, black anodized (base body) | Aluminum, black anodized (base body) | |
| Motion platform dimensions | 180 × 130 mm | 180 × 130 mm | |
| Height | 75 mm | 75 mm | |
| Miscellaneous | V-572.060A1MZ | V-572.060B1MZ | Tolerance |
| Operating temperature range | 5 to 50 °C | 5 to 50 °C | |
| Drive connector | D-sub 3W3 (m) | D-sub 3W3 (m) | |
| Sensor connector | D-sub 15 (m) | D-sub 15 (m) | |
| Recommended controllers/drivers | A-81x, A-82x | A-81x, A-82x |
Note on straightness and angular errors: Dependent on the quality of the mounting surface, the payload, orientation, and external forces that act on the stage. Please contact PI for application-specific parameters. The specified values are static (no rotary motion during measuring) and without load.
Note on positioning accuracy: The specified values are based on the error compensation achievable with PI controllers. The positioner must be ordered with a controller from PI to reach these values. Accuracy values assume short-term duration and do not consider the long-term effects of thermal drift on the stage.
Note on velocity, acceleration, and permissible push force in Y: Can be limited by imbalance of the payload or the controller and the drive.
At PI, technical data is specified at 22 ±3 °C. Unless otherwise stated, the values are for unloaded conditions. Some properties are interdependent. The designation "typ." indicates a statistical average for a property; it does not indicate a guaranteed value for every product supplied. During the final inspection of a product, only selected properties are analyzed, not all. Please note that some product characteristics may deteriorate with increasing operating time.
Ask for a free quote on quantities required, prices, and lead times or describe your desired modification.
Ultra-precision nanopositioning linear stage with direct drive for vertical mounting; ironless 3-phase linear motor; 60 mm travel range; 300 N load capacity; 500 mm/s maximum velocity; absolute linear encoder, 1 nm sensor resolution, BiSS-C, 32-bit; magnetic counterbalance








