P-810 • P-830 压电陶瓷促动器
用于轻至中等负载
- PICMA压电陶瓷促动器带来超长使用寿命
- 行程达60微米
- 推力达1000牛
- 拉力达5牛
- 微秒级响应
- 亚纳米级分辨率
P-810 • P-830 压电陶瓷促动器
产品描述
规格
下载
报价/订购
规格
规格
P-810.10 | P-810.20 | P-810.30 | P-830.10 | P-830.20 | P-830.30 | P-830.40 | 单位 | 公差 | |
|---|---|---|---|---|---|---|---|---|---|
0至100伏时的行程 | 15 | 30 | 45 | 15 | 30 | 45 | 60 | 微米 | ±20 % |
分辨率* | 0.15 | 0.3 | 0.45 | 0.15 | 0.3 | 0.45 | 0.6 | 纳米 | |
静态大信号刚度** | 14 | 7 | 4 | 57 | 27 | 19 | 15 | 牛/微米 | ±20 % |
推力 | 50 | 50 | 50 | 1000 | 1000 | 1000 | 1000 | 牛 | |
拉力 | 1 | 1 | 1 | 5 | 5 | 5 | 5 | 牛 | |
尖端上的力矩 | 0.08 | 0.08 | 0.08 | 0.2 | 0.2 | 0.2 | 0.2 | 牛米 | 最大 |
电容 | 0.3 | 0.7 | 1 | 1.5 | 3 | 4.5 | 6 | 微法 | ±20 % |
谐振频率f0(空载) | 22 | 15 | 12 | 23 | 14 | 10 | 8.5 | 千赫兹 | ±20 % |
工作温度范围 | -20 到 80 | -20 到 80 | -20 到 80 | -20 到 80 | -20 到 80 | -20 到 80 | -20 到 80 | °C | |
质量 | 4 | 6 | 8 | 10 | 16 | 21 | 27 | 克 | ±5 % |
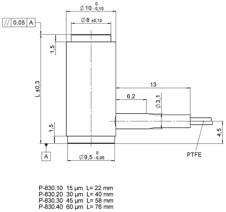
长度L | 20 | 38 | 56 | 22 | 40 | 58 | 76 | 毫米 | ±0.3 |
推荐电控 | E-503、E-505、E-610、E-617、E-621、E-625、E-663、E-709、E-831 | E-503、E-505、E-610、E-617、E-621、E-625、E-663、E-709、E-831 | E-503、E-505、E-610、E-617、E-621、E-625、E-663、E-709、E-831 | E-503、E-505、E-610、E-617、E-621、E-625、E-663、E-709、E-831 | E-503、E-505、E-610、E-617、E-621、E-625、E-663、E-709、E-831 | E-503、E-505、E-610、E-617、E-621、E-625、E-663、E-709、E-831 | E-503、E-505、E-610、E-617、E-621、E-625、E-663、E-709、E-831 |
* 因为PI压电陶瓷促动器无摩擦,所以系统分辨率仅受放大器噪声和测量技术的限制。
** 动态小信号刚度约大于30%.
外壳:无磁性不锈钢。尖端:不锈钢.
动态操作的推荐预载:10至20兆帕.
所有规格参数基于室温(22°C±3°C)。
报价/订购
就所需数量、价格和供货周期请求免费报价或描述您所需的改型。
P-810.10
压电陶瓷促动器,15微米行程, 50牛/1牛
P-810.20
压电陶瓷促动器,30微米行程, 50牛/1牛
P-810.30
压电陶瓷促动器,45微米行程, 50牛/1牛
P-830.10
压电陶瓷促动器,15微米行程, 1000牛/5牛
P-830.20
压电陶瓷促动器,30微米行程, 1000牛/5牛
P-830.30
压电陶瓷促动器,45微米行程, 1000牛/5牛
P-830.40
压电陶瓷促动器,60微米行程, 1000牛/5牛




















