菜单
Close
联系我们
报价单
0
报价单
联系我们
前往报价单
P-542.SH1 显微镜载片支架
内容
联系我们
报价单
0
报价单
联系我们
前往报价单
P-542.SH1 显微镜载片支架
用于P-54x纳米级定位系统
to content
报价/订购
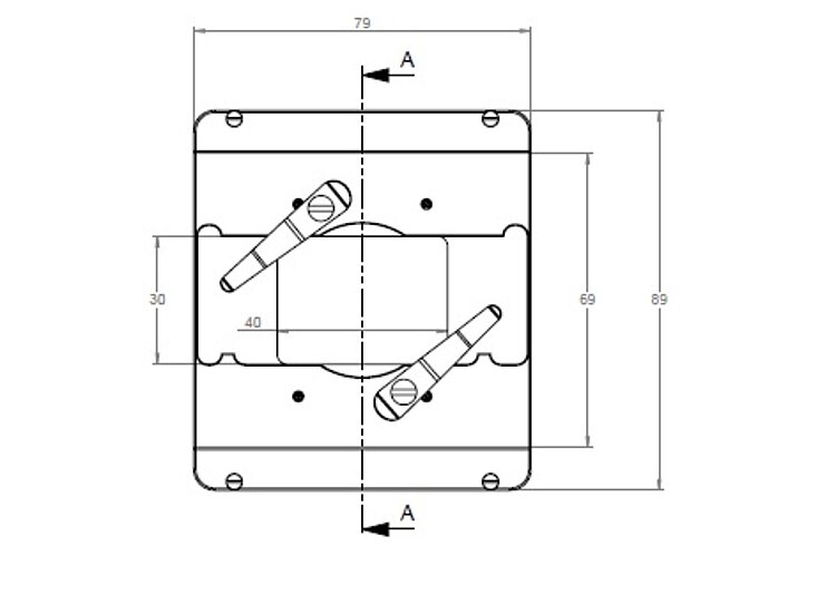
[Translate to Chinese:] P-542.SH1, dimensions in mm
[Translate to Chinese:] P-542.SH1, dimensions in mm
[Translate to Chinese:] P-542.SH1, dimensions in mm
P-542.SH1 显微镜载片支架
产品描述
下载
报价/订购
转到规格
报价/订购
报价/订购
就所需数量、价格和供货周期请求免费报价或描述您所需的改型。
P-542.SH1
用于P-54x纳米定位系统的显微镜载玻片架
添加至报价单
从报价单移除
询问定制设计!
询问定制设计
前往报价单
如何获取报价
点击“报价/订购”
将产品类型添加到报价列表
填写报价单
向PI发送报价需求
我们会尽快与您联系
询问工程师
通过电子邮件或电话从当地PI销售工程师处快速获取解答。
0086 21 518 792 98
info@pi-china.cn
联系我们
相关配件
P-542.PD1 培养皿支架
Close
主页
产品
返回
产品
产品查找器
定制产品
六足位移台
PI Namiways
纳米定位压电柔性铰链平台
返回
纳米定位压电柔性铰链平台
多轴压电柔性铰链平台
用于显微镜学的PIFOC®物镜扫描仪和PInano®样本扫描仪
线性压电柔性铰链平台
XY压电柔性铰链平台
压电柔性铰链扫描仪
压电柔性铰链倾斜镜
微型平台
返回
微型平台
微型型线性平台
小型转台
微型六足位移台
线性平台
返回
线性平台
带磁力直接驱动线性电机的平台
带步进、直流和无刷直流(BLDC)电机的平台
带步进、直流和无刷直流(BLDC)电机的垂直平台
微型型线性平台
线性促动器
返回
线性促动器
PiezoMike实现长期稳定性
带步进和直流伺服电机的线性促动器
具有高动态性和力控制选项的PIMag® VC音圈促动器
PiezoMove杠杆促动器
纳米定位压电陶瓷促动器
具有高力和高稳定性的PiezoWalk®促动器
PIRest有源压电陶瓷垫片
旋转台
XY位移平台
专门设计的子系统用于实现自动化
快速多通道光子学对准
软件套件
返回
软件套件
通信理念和独立于平台的接口
运动控制软件
模拟与仿真
编程、接口和集成
第三方集成
扫描和对准任务
控制器和驱动器
返回
控制器和驱动器
纳米定位压电陶瓷控制器
压电陶瓷驱动器用于压电陶瓷促动器的开环操作
用于线性、力矩、步进和直流伺服电机的运动控制器和驱动器
用于压电电机的控制器和驱动器
用于多轴和混合驱动器类型的控制器系统
六足位移台运动控制器
压电换能器&促动器
返回
压电换能器&促动器
圆片与圆柱件
板和块
环
管
球体和半球
压电陶瓷复合材料
弯曲元件
施加预载的PICMA®压电陶瓷线性促动器
PICMA®压电弯曲元促动器
PICA压电堆叠促动器
DuraAct压电换能器
超声换能器
压电晶体
空气轴承和平台
传感器、部件和配件
真空
专业知识
返回
专业知识
市场
返回
市场
工业自动化
返回
工业自动化
激光材料加工
电子设备制造应用
试验和检验
流体计量
传感器设备
水声学
工业点胶
工业印刷
显微镜和生命科学
返回
显微镜和生命科学
手术机器人
内窥镜检查和体内诊断
IVD体外诊断
显微镜
治疗和外科器械
医疗传感器
微流体
诊断成像
推动医疗植入物的发展
半导体
光子学
返回
光子学
硅光子
量子光子学
自由空间光通信
大型科学项目
返回
大型科学项目
天文学
高能束线设备
客户
返回
客户
原始设备制造商
OEM压电陶瓷
技术
返回
技术
压电技术
返回
压电技术
压电技术的基本原理
压电陶瓷促动器的特点
产生超声波
压电陶瓷材料
制造技术
PICMA®技术
集成式压电陶瓷促动器
DuraAct贴片换能器技术
PIRest促动器
压电驱动器
返回
压电驱动器
压电陶瓷促动器
PiezoWalk®步进驱动器
PILine®超声波压电电机
压电陶瓷惯性驱动器
PiezoMike线性促动器
比较:压电电机和驱动技术
电磁驱动器
返回
电磁驱动器
旋转电机
磁性直接驱动器
PIMag® 6-D磁悬浮
混合概念
并联运动
返回
并联运动
六足位移台的特点
并联运动压电陶瓷定位系统
多轴定位器
六足位移台用作运动模拟器
六足位移台在微生产领域中的应用
传感器技术
返回
传感器技术
电容传感器
增量式传感器
PIOne光学纳米编码器
对比:位置传感器技术
控制器和软件
返回
控制器和软件
数字和模拟接口
PI产品的EtherCAT连接性
压电陶瓷促动器的控制
数字运动控制器
软件
主动对准
导向系统和力传递
返回
导向系统和力传递
经典导向系统
柔性铰链导向系统
磁轴承
PIglide空气轴承技术
真空
竞争力
返回
竞争力
压电技术
纳米定位
高性能自动化
知识中心
返回
知识中心
下载
返回
下载
产品资料
目录、手册和证书
白皮书和成功案例
产品和系统应用
知识交流
返回
知识交流
It's Possible研讨会议 – PI激光世界
It's possible研讨会议 – 赋能半导体技术
PI中国博客
术语表
关于PI
返回
关于PI
PI 集团
返回
PI 集团
关于ACS Motion Control
About PI Ceramic
关于PI miCos
压电技术30年
公告
展会和活动
返回
展会和活动
虚拟展台
能力
返回
能力
六足位移台生产
可持续性产能扩张
PI无尘室中的制造
PI的分形制造结构
技术中心
重载室
计量
职业
PI全球
产品查找器
联系我们
服务
下载