P-844 预载压电陶瓷促动器
用于高负载和高力
- PICMA压电陶瓷促动器带来超长使用寿命
- 行程达90微米
- 推力达3000牛
- 拉力达700牛
- 微秒级响应
- 亚纳米级分辨率
- 真空版本,可选防水外壳
P-844 预载压电陶瓷促动器
产品描述
规格
下载
报价/订购
规格
规格
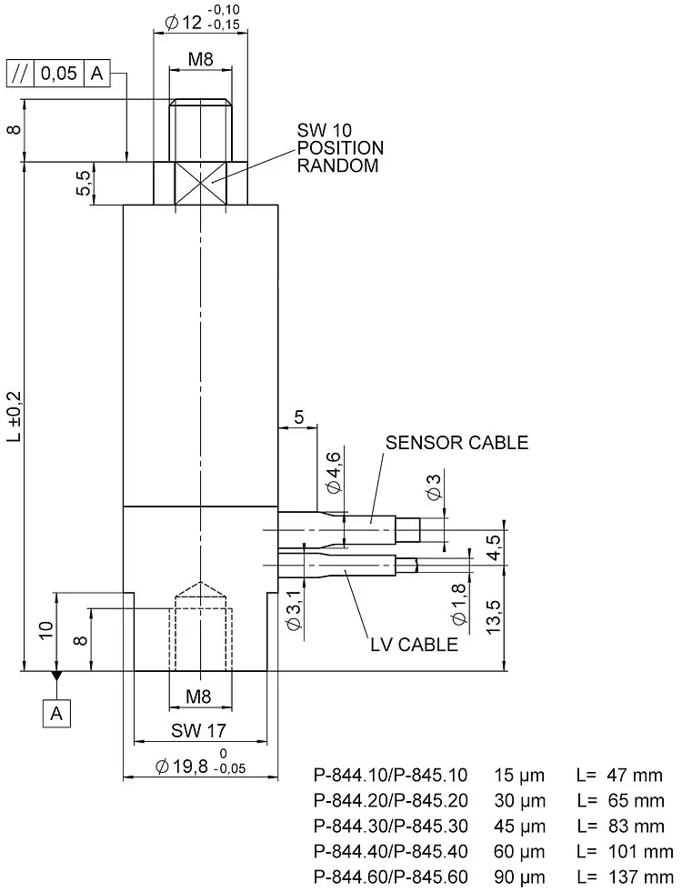
P-844.10 | P-844.20 | P-844.30 | P-844.40 | P-844.60 | 单位 | 公差 | |
|---|---|---|---|---|---|---|---|
0至100伏时的行程 | 15 | 30 | 45 | 60 | 90 | 微米 | ±20 % |
分辨率* | 0.15 | 0.3 | 0.45 | 0.6 | 0.9 | 纳米 | |
静态大信号刚度** | 225 | 107 | 75 | 57 | 38 | 牛/微米 | ±20 % |
推力 | 3000 | 3000 | 3000 | 3000 | 3000 | 牛 | |
拉力 | 700 | 700 | 700 | 700 | 700 | 牛 | |
尖端上的力矩 | 1 | 1 | 1 | 1 | 1 | 牛米 | 最大 |
电容 | 6 | 12 | 18 | 24 | 36 | 微法 | ±20 % |
谐振频率f0(空载) | 16 | 12 | 9 | 7.5 | 5.5 | 千赫兹 | ±20 % |
工作温度范围 | -40 到 80 | -40 到 80 | -40 到 80 | -40 到 80 | -40 到 80 | °C | |
不含电缆的质量 | 84 | 108 | 132 | 156 | 204 | 克 | ±5 % |
长度L | 47 | 65 | 83 | 101 | 137 | 毫米 | |
推荐电控 | E-503、E-505、E-610、E-617、E-621、E-625、E-663、E-709、E-831 | E-503、E-505、E-610、E-617、E-621、E-625、E-663、E-709、E-831 | E-503、E-505、E-610、E-617、E-621、E-625、E-663、E-709、E-831 | E-503、E-505、E-610、E-617、E-621、E-625、E-663、E-709、E-831 | E-503、E-505、E-610、E-617、E-621、E-625、E-663、E-709、E-831 |
* 因为PI压电陶瓷促动器无摩擦,所以系统分辨率仅受放大器噪声和测量技术的限制。
** 动态小信号刚度约大于30%.
电压连接:LEMO FFA.00.250。同轴电缆RG 178,1米。
外壳/尖端材料:不锈钢。
用于达10-6百帕的真空版本可供货,订购编码如下: P-844.x0V。
所有规格参数基于室温(22°C±3°C)。
报价/订购
就所需数量、价格和供货周期请求免费报价或描述您所需的改型。
不带传感器的促动器
P-844.10
施加预载的压电陶瓷促动器,15微米行程, 3000牛/700牛
P-844.20
施加预载的压电陶瓷促动器,30微米行程, 3000牛/700牛
P-844.30
施加预载的压电陶瓷促动器,45微米行程, 3000牛/700牛
P-844.40
施加预载的压电陶瓷促动器,60微米行程, 3000牛/700牛
P-844.60
施加预载的压电陶瓷促动器,90微米行程, 3000牛/700牛
不带传感器的促动器,真空兼容
P-844.10V
施加预载的压电陶瓷促动器,15微米行程, 3000牛/700牛, 真空兼容至10-6百帕
P-844.20V
施加预载的压电陶瓷促动器,30微米行程, 3000牛/700牛, 真空兼容至10-6百帕
P-844.30V
施加预载的压电陶瓷促动器,45微米行程, 3000牛/700牛, 真空兼容至10-6百帕
P-844.40V
施加预载的压电陶瓷促动器,60微米行程, 3000牛/700牛, 真空兼容至10-6百帕
P-844.60V
施加预载的压电陶瓷促动器,90微米行程, 3000牛/700牛, 真空兼容至10-6百帕






















