P-235 PICA Power压电陶瓷促动器
带传感器选项的预载高负载压电陶瓷促动器(HVPZT)
- 超高刚度
- 推力达30000牛
- 拉力达3500牛
- 行程达180微米
- 可选:真空、高温版本,防水外壳
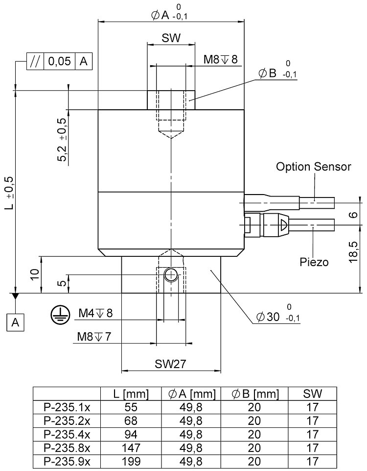
规格
规格
P-235.10 | P-235.20 | P-235.40 | P-235.80 | P-235.90 | 单位 | 公差 | |
|---|---|---|---|---|---|---|---|
工作电压范围 | 0至1000 | 0 到 1000 | 0 到 1000 | 0 到 1000 | 0至1000 | 伏 | |
运动和定位 | |||||||
行程,闭环* | 15 | 30 | 60 | 120 | 180 | 微米 | |
分辨率,闭环* | 0.3 | 0.6 | 1.2 | 2.4 | 3.6 | 纳米 | 典型值 |
分辨率,开环** | 0.15 | 0.3 | 0.6 | 1.2 | 1.8 | 纳米 | 典型值 |
线性误差* | 0.2 | 0.2 | 0.2 | 0.2 | 0.2 | % | 典型值 |
机械特性 | |||||||
运动方向上的静态大信号刚度*** | 860 | 600 | 380 | 210 | 150 | 牛/微米 | ±20 % |
谐振频率,空载 | 14 | 10 | 7 | 4 | 2.8 | 千赫兹 | ±20 % |
运动方向上的推/拉力 | 30000 / 3500 | 30000 / 3500 | 30000 / 3500 | 30000 / 3500 | 30000 / 3500 | 牛 | 最大 |
切变负荷 | 707 | 420 | 232 | 147 | 147 | 牛 | 最大 |
尖端上的力矩 | 2 | 2 | 2 | 2 | 2 | 牛米 | 最大 |
驱动特性 | |||||||
压电陶瓷 | PICA Power | PICA Power | PICA Power | PICA Power | PICA Power | ||
电容 | 550 | 1100 | 2400 | 5100 | 7800 | 毫微法 | ±20 % |
其他 | |||||||
工作温度范围 | -40 到 80 | -40 到 80 | -40 到 80 | -40 到 80 | -40 到 80 | °C | |
质量 | 580 | 690 | 940 | 1400 | 1900 | 克 | ±5 % |
推荐电控 | E-462、E-464、E-470 • E-472 • E-421、E-481、E-482、E-508 | E-462、E-464、E-470 • E-472 • E-421、E-481、E-482、E-508 | E-462、E-464、E-470 • E-472 • E-421、E-481、E-482、E-508 | E-462、E-464、E-470 • E-472 • E-421、E-481、E-482、E-508 | E-462、E-464、E-470 • E-472 • E-421、E-481、E-482、E-508 |
下载
产品注解
Product Change Notification Piezo Actuator Driven Products
数据表
文件
3D模型
P-235 3-D模型
报价/订购
就所需数量、价格和供货周期请求免费报价或描述您所需的改型。



















