P-604 紧凑型PiezoMove线性促动器

价格实惠,具有300 微米的行程

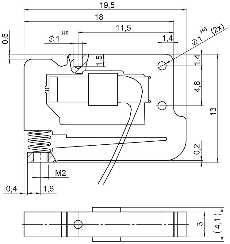
  • 重量轻、体积小巧:4 克、表面<13 毫米 × 20 毫米
  • 行程300 微米
  • 优化设计实现大批量生产
  • 可提供定制版本
  • PICMA压电陶瓷促动器带来超长使用寿命
  • 特别适用于光学、医学技术、生物技术和微流体中的OEM应用
P-604 紧凑型PiezoMove线性促动器
产品描述 规格 下载 报价/订购

应用领域

  • 纳米定位
  • 高速切换
  • 膜片箝
  • 微分配
  • 自适应系统技术/自动化
  • 光子学/集成光学
  • 生物技术

PICMA压电陶瓷促动器带来超长使用寿命

的PICMA压电陶瓷促动器为全瓷绝缘。这可以防潮,避免漏电流增大造成故障。PICMA促动器的使用寿命比传统的聚合物绝缘促动器长达十倍。它们被证明可实现无故障运行1000亿个循环。

零间隙柔性铰链导向带来高导向精度

柔性铰链导向无需维护、无摩擦、无磨损,无需润滑。它们的刚性可实现高负载能力,且它们对冲击和振动不敏感。它们百分百真空兼容,可在很广的温度范围内工作。

规格

数据表

数据表P-604

版本/日期
2026-03-20
pdf - 383 KB
版本/日期
2026-03-20
pdf - 384 KB
版本/日期
2018-06-20
pdf - 627 KB

下载

数据表

数据表

数据表P-604

版本/日期
2026-03-20
pdf - 383 KB
版本/日期
2026-03-20
pdf - 384 KB
版本/日期
2018-06-20
pdf - 627 KB

文件

文件

Short Instruktion PZ302

PiezoMove® Linear Actuators: P-60x

版本/日期
1.1.0 2023-10-10
pdf - 633 KB
版本/日期
1.1.0 2023-10-10
pdf - 640 KB
文件

用户使用手册PZ282

P-604.300紧凑型PiezoMove线性促动器

版本/日期
2018-02-20
pdf - 3 MB
版本/日期
2018-02-20
pdf - 3 MB

3D模型

3D模型

3-D模型P-604.300

zip - 25 KB

报价/订购

就所需数量、价格和供货周期请求免费报价或描述您所需的改型。

如何获取报价

点击“报价/订购”
将产品类型添加到报价列表
填写报价单
向PI发送报价需求
我们会尽快与您联系

询问工程师

通过电子邮件或电话从当地PI销售工程师处快速获取解答。

兼容电子元件 相关产品