P-603 价格实惠的PiezoMove线性促动器
无摩擦导向,行程达0.5 毫米
- 柔性铰链导向可实现偏摆最小的直线运动
- 行程达500 微米
- 优化设计实现大批量生产
- 带集成式位置传感器
- PICMA压电陶瓷促动器带来超长使用寿命
- 特别适用于光学、医学技术、生物技术和微流体中的OEM应用
- 定制版本行程更长、响应时间更短或为非磁性
规格
规格
P-603.1S1 P-603.1S2 | P-603.3S1 P-603.3S2 | P-603.5S1 P-603.5S2 | P-603.x01 开环版本 | 单位 | |
|---|---|---|---|---|---|
主动轴 | Z | Z | Z | Z | |
运动和定位 | |||||
集成传感器 | 应变片传感器 | 应变片传感器 | 应变片传感器 | – | |
-20至120伏时的开环行程 | 120 | 380 | 550 | 作为P-603.xS1 | 微米 |
行程,闭环 | 100 | 300 | 500 | – | 微米 |
分辨率,开环,180克 | 2 | 3 | 5 | 作为P-603.xS1 | 纳米 |
分辨率,闭环,180克 | 10 | 20 | 25 | – | 纳米 |
线性误差,闭环 | 0.2 | 0.2 | 0.2 | – | % |
单向 重复精度,10%,1 Sigma | 7 | 10 | 20 | – | 纳米 |
机械特性 | – | ||||
运动方向上的刚性 | 0.3 | 0.14 | 0.06 | 作为P-603.xS1 | 牛/微米 |
谐振频率,空载 | 900 | 410 | 300 | 作为P-603.xS1 | 赫兹 |
带180克负载时的谐振频率 | 160 | 110 | 80 | 作为P-603.xS1 | 赫兹 |
运动方向上的推/拉力 | 40 / 20 | 35 / 13 | 30 / 10 | 作为P-603.xS1 | 牛 |
驱动特性 | |||||
压电陶瓷 | PICMAP-885 | PICMAP-885 | PICMAP-885 | 作为P-603.xS1 | |
电容 | 1.5 | 3.1 | 3.7 | 作为P-603.xS1 | 微法 |
其他 | |||||
工作温度范围 | -20至80 | -20至80 | -20至80 | 作为P-603.xS1 | 摄氏度 |
材料 | 不锈钢 | 不锈钢 | 不锈钢 | 作为P-603.xS1 | |
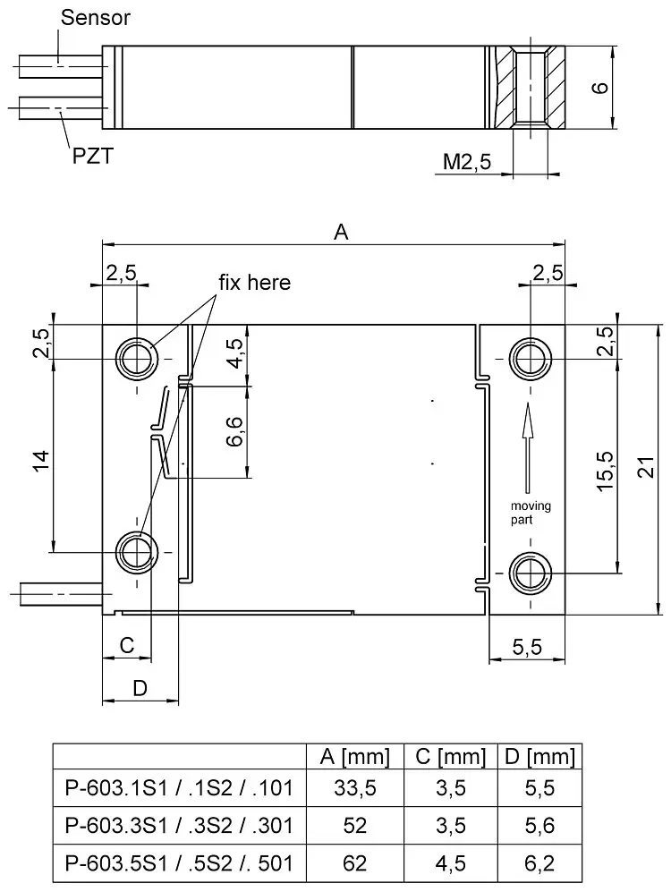
尺寸 | 33.5毫米× 21毫米× 6毫米 | 52毫米× 21毫米× 6毫米 | 62毫米× 21毫米× 6毫米 | 作为P-603.xS1 | |
质量 | S1版本:0.03 S2版本:0.04 | S1版本:0.04 S2版本:0.05 | S1版本:0.05 S2版本:0.06 | 作为P-603.xS1 | 千克 |
电缆长度 | 0.5 | 0.5 | 0.5 | 作为P-603.xS1 | 米 |
电压连接 | S1版本:裸绞线 S2版本:LEMO(低电压) | S1版本:裸绞线 S2版本:LEMO(低电压) | S1版本:裸绞线 S2版本:LEMO(低电压) | 作为P-603.xS1 | |
传感器连接 | S1版本:裸绞线 S2版本:LEMO(应变片传感器) | S1版本:裸绞线 S2版本:LEMO(应变片传感器) | S1版本:裸绞线 S2版本:LEMO(应变片传感器) | – | |
推荐电控 | E-610、E-625 | E-610、E-625 | E-610、E-625 | E-610、E-831 |
下载
产品注解
Product Change Notification Piezo Actuator Driven Products
数据表
文件
3D模型
P-603 3-D模型
报价/订购
就所需数量、价格和供货周期请求免费报价或描述您所需的改型。
















