N-565 带线性编码器实现超高精度
具有亚纳米级编码器分辨率的NEXACT®压电步进驱动器
- 超高精度:最小位移为2纳米,直接测量PIOne编码器的分辨率为0.5纳米
- 长行程:13 毫米、26 毫米或52 毫米
- 关机后自锁:节约能量,减少热量产生
- PiezoWalk®技术带来长使用寿命和高可靠性
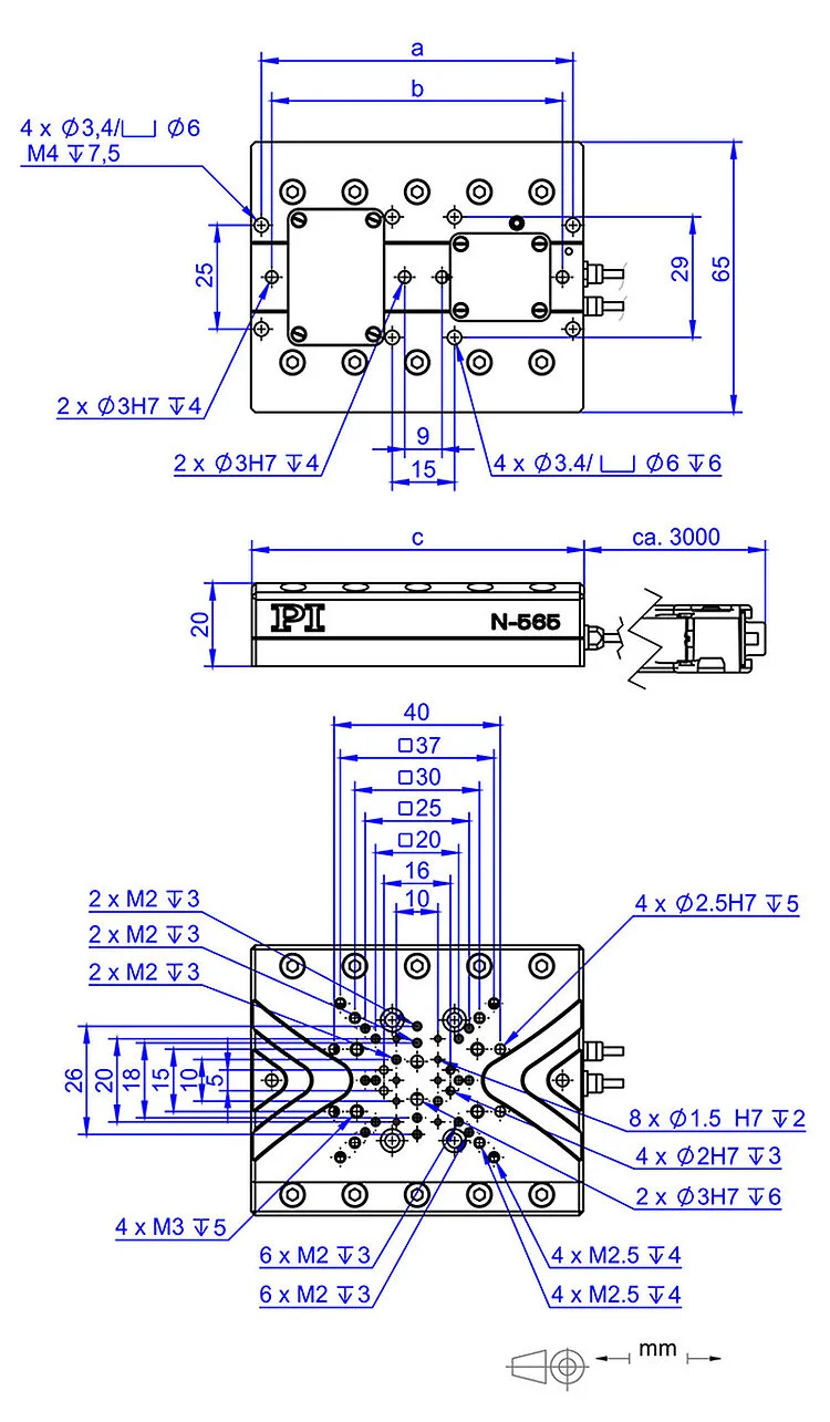
- 紧凑型设计:宽为65毫米、高为20毫米
N-565 带线性编码器实现超高精度
产品描述
规格
下载
报价/订购
NEXACT参考级线性平台
带NEXACT PiezoWalk驱动器的线性平台可在长行程范围内实现纳米级高精度定位。其配置直接测量线性编码器和交叉滚柱轴承,可实现超高精度。
PiezoWalk技术:高分辨率、低磨损
PiezoWalk技术将压电陶瓷促动器与压电电机的技术优势结合在一起。PiezoWalk步进驱动器不仅能提供亚纳米级分辨率、较大的力和高刚性,而且根据其驱动原理,其还能实现理论上无限的行程。不同于其他压电机动化驱动器原理,PiezoWalk步进驱动器不受滑动摩擦作用的影响。其是基于几个压电陶瓷促动器的静摩擦接触,这几个促动器沿一个动轮步进。静止状态下,PiezoWalk步进驱动器自锁,不消耗能量,无热量产生。
带PIOne线性编码器用于直接位置测量
高分辨率PIOne编码器由PI研发,在对测量数据进行相应处理后,可实现远低于1纳米的位置分辨率。此外,由于信号周期短、信号质量高,PIOne编码器的线性误差小于1 %。PIOne编码器在研究参考信号时支持方向感应。
应用领域
样本操纵、样本定位、高精度和高稳定性光学或机械部件、半导体行业中的精密机械部件、显微操纵、显微镜、自动化、有限空间内的应用、真空或无磁性环境中的应用。.
下载
产品注解
产品注解
Product Change Notification Motor Driven Products
版本/日期
2021-04-19
pdf - 917 KB
English
数据表
文件
3D模型
3D模型
N-565 3-D模型
zip - 8 MB
报价/订购
就所需数量、价格和供货周期请求免费报价或描述您所需的改型。
N-565.160
精密线性定位平台,行程为13毫米,PIOne线性编码器,分辨率为0.5纳米,驱动力为10牛,尺寸为65 × 80 × 20毫米(宽 × 长 × 高),NEXACT压电步进驱动器
N-565.260
精密线性定位平台,行程为26毫米,PIOne线性编码器,分辨率为0.5纳米,驱动力为10牛,尺寸为65 × 110 × 20毫米(宽 × 长 × 高),NEXACT压电步进驱动器
N-565.360
精密线性定位平台,行程为52毫米,PIOne线性编码器,分辨率为0.5纳米,驱动力为10牛,尺寸为65 × 160 × 20毫米(宽 × 长 × 高),NEXACT压电步进驱动器









