Q-545 Q‑Motion®精密线性平台
压电电机可实现高力和小巧设计
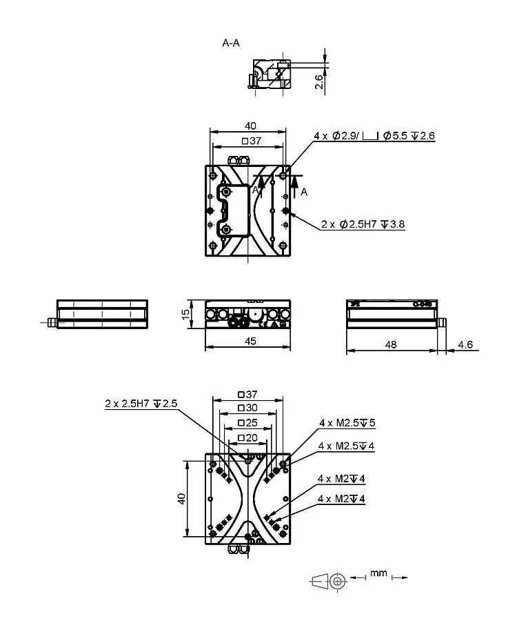
- 宽度仅为45 毫米
- 驱动力7 牛
- 带纳米级位置分辨率的增量传感器
- 不带接装板的XY组合可供选择
Q-545 Q‑Motion®精密线性平台
产品描述
规格
下载
报价/订购
下载
产品注解
产品注解
Product Change Notification Q-xxx; N-765
版本/日期
2019-03-26
pdf - 435 KB
English
数据表
文件
3D模型
3D模型
Q-545 3-D模型
zip - 1 MB
三维动画模型
三维动画模型
三维动画模型Q-545.240
zip - 1,014 KB
报价/订购
就所需数量、价格和供货周期请求免费报价或描述您所需的改型。
Q-545.140
Q-Motion® 线性平台,压电惯性驱动,行程为13毫米,线性编码器,分辨率为1纳米,推/拉力为7牛,尺寸为45 × 48 × 15毫米(W × L × H)
Q-545.240
Q-Motion® 线性平台,压电惯性驱动,行程为26毫米,线性编码器,分辨率为1纳米,推/拉力为7牛,尺寸为45 × 63 × 15毫米(W × L × H)















