紧凑型线性平台;直流齿轮电机;行程为5mm;有效载荷为30N;最大速度为1mm/s;细牙螺纹主轴;增量旋转编码器,分辨率为2048cts./rev.;0.5m电缆长度
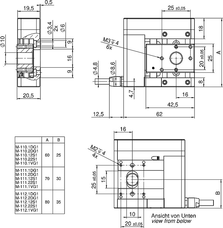
M-110 • M-111 • M-112 紧凑型线性平台
具有多种驱动和行程的XY(Z)组合
- 折叠驱动,非常紧凑
- 步进电机和闭环直流电机
- 丝杠和滚珠丝杠
- 非接触式参考和限位开关
- XY装置可直接安装
- 可大批量快速供应
规格
规格
| 运动 | M-110.1DG1 | M-110.2DG1 | M-110.12S1 | M-110.22S1 | M-111.1DG1 | M-111.2DG1 | M-111.12S1 | M-111.22S1 | M-112.1DG1 | M-112.2DG1 | M-112.12S1 | M-112.22S1 | 公差 |
|---|---|---|---|---|---|---|---|---|---|---|---|---|---|
| 主动轴 | X | X | X | X | X | X | X | X | X | X | X | X | |
| X向上的行程 | 5 mm | 5 mm | 5 mm | 5 mm | 15 mm | 15 mm | 15 mm | 15 mm | 25 mm | 25 mm | 25 mm | 25 mm | |
| X向上的最大速度,空载 | 1 mm/s | 1.5 mm/s | 1 mm/s | 1 mm/s | 1.5 mm/s | 2 mm/s | 1 mm/s | 1 mm/s | 1.5 mm/s | 2 mm/s | 1 mm/s | 1 mm/s | |
| 定位 | M-110.1DG1 | M-110.2DG1 | M-110.12S1 | M-110.22S1 | M-111.1DG1 | M-111.2DG1 | M-111.12S1 | M-111.22S1 | M-112.1DG1 | M-112.2DG1 | M-112.12S1 | M-112.22S1 | 公差 |
| X向上的最小位移 | 0.05 µm | 0.2 µm | 0.02 µm | 0.2 µm | 0.05 µm | 0.2 µm | 0.02 µm | 0.2 µm | 0.05 µm | 0.2 µm | 0.02 µm | 0.2 µm | typ. |
| X向上的单向重复精度 | ± 0.125 µm | ± 0.075 µm | ± 0.125 µm | ± 0.075 µm | ± 0.125 µm | ± 0.075 µm | ± 0.125 µm | ± 0.075 µm | ± 0.125 µm | ± 0.075 µm | ± 0.125 µm | ± 0.075 µm | typ. |
| X向上的双向重复精度 | 4 µm | 4 µm | 4 µm | 4 µm | 4 µm | 4 µm | 4 µm | 4 µm | 4 µm | 4 µm | 4 µm | 4 µm | typ. |
| X向上的空回 | 3 µm | 3 µm | 3 µm | 3 µm | 3 µm | 3 µm | 3 µm | 3 µm | 3 µm | 3 µm | 3 µm | 3 µm | typ. |
| 参考点开关 | 霍尔效应 | 霍尔效应 | 霍尔效应 | 霍尔效应 | 霍尔效应 | 霍尔效应 | 霍尔效应 | 霍尔效应 | 霍尔效应 | 霍尔效应 | 霍尔效应 | 霍尔效应 | |
| 限位开关 | 霍尔效应 | 霍尔效应 | 霍尔效应 | 霍尔效应 | 霍尔效应 | 霍尔效应 | 霍尔效应 | 霍尔效应 | 霍尔效应 | 霍尔效应 | 霍尔效应 | 霍尔效应 | |
| 电机编码器 | 增量旋转编码器 | 增量旋转编码器 | — | — | 增量旋转编码器 | 增量旋转编码器 | — | — | 增量旋转编码器 | 增量旋转编码器 | — | — | |
| 电机编码器:传感器信号 | A/B正交,RS-422 | A/B正交,RS-422 | — | — | A/B正交,RS-422 | A/B正交,RS-422 | — | — | A/B正交,RS-422 | A/B正交,RS-422 | — | — | |
| 分辨率,电机编码器 | 2048 步/圈 | 2048 步/圈 | — | — | 2048 步/圈 | 2048 步/圈 | — | — | 2048 步/圈 | 2048 步/圈 | — | — | |
| 驱动性能 | M-110.1DG1 | M-110.2DG1 | M-110.12S1 | M-110.22S1 | M-111.1DG1 | M-111.2DG1 | M-111.12S1 | M-111.22S1 | M-112.1DG1 | M-112.2DG1 | M-112.12S1 | M-112.22S1 | 公差 |
| 驱动类型 | 直流齿轮电机 | 直流齿轮电机 | 两相步进电机 | 两相步进电机 | 直流齿轮电机 | 直流齿轮电机 | 两相步进电机 | 两相步进电机 | 直流齿轮电机 | 直流齿轮电机 | 两相步进电机 | 两相步进电机 | |
| 标称电压 | 12 V | 12 V | — | — | 12 V | 12 V | — | — | 12 V | 12 V | — | — | |
| 标称电流,均方根 | 0.16 A | 0.16 A | 0.25 A | 0.25 A | 0.16 A | 0.16 A | 0.25 A | 0.25 A | 0.16 A | 0.16 A | 0.25 A | 0.25 A | typ. |
| 电机分辨率 | — | — | 24 全步/转 | 24 全步/转 | — | — | 24 全步/转 | 24 全步/转 | — | — | 24 全步/转 | 24 全步/转 | |
| X向上的正向运动的驱动力 | 10 N | 10 N | 10 N | 10 N | 10 N | 10 N | 10 N | 10 N | 10 N | 10 N | 10 N | 10 N | typ. |
| X向上的负向运动的驱动力 | 10 N | 10 N | 10 N | 10 N | 10 N | 10 N | 10 N | 10 N | 10 N | 10 N | 10 N | 10 N | typ. |
| 峰值电流,均方根 | — | — | — | — | 0.32 A | 0.32 A | — | — | 0.32 A | 0.32 A | — | — | typ. |
| 相间电阻 | — | — | — | — | 19.8 Ω | 19.8 Ω | — | — | 19.8 Ω | 19.8 Ω | — | — | typ. |
| 相间电感 | — | — | — | — | 420000 mH | 420000 mH | — | — | 420000 mH | 420000 mH | — | — | |
| Maximum motor speed | — | — | — | — | 13000 rpm | 13000 rpm | — | — | 13000 rpm | 13000 rpm | — | — | |
| Maximum gearbox speed | — | — | — | — | 5000 rpm | 5000 rpm | — | — | 5000 rpm | 5000 rpm | — | — | |
| 机械性能 | M-110.1DG1 | M-110.2DG1 | M-110.12S1 | M-110.22S1 | M-111.1DG1 | M-111.2DG1 | M-111.12S1 | M-111.22S1 | M-112.1DG1 | M-112.2DG1 | M-112.12S1 | M-112.22S1 | 公差 |
| Y向上的允许推力 | 15 N | 15 N | 15 N | 15 N | 10 N | 10 N | 10 N | 10 N | 10 N | 10 N | 10 N | 10 N | max. |
| Z向上的允许推力 | 30 N | 30 N | 30 N | 30 N | 30 N | 30 N | 30 N | 30 N | 20 N | 20 N | 20 N | 20 N | max. |
| θX向上的允许力矩 | 0.15 N·m | 0.15 N·m | 0.15 N·m | 0.15 N·m | 0.15 N·m | 0.15 N·m | 0.15 N·m | 0.15 N·m | 0.15 N·m | 0.15 N·m | 0.15 N·m | 0.15 N·m | max. |
| θY向上的允许力矩 | 0.15 N·m | 0.15 N·m | 0.15 N·m | 0.15 N·m | 0.15 N·m | 0.15 N·m | 0.15 N·m | 0.15 N·m | 0.15 N·m | 0.15 N·m | 0.15 N·m | 0.15 N·m | max. |
| θZ向上的允许力矩 | 0.15 N·m | 0.15 N·m | 0.15 N·m | 0.15 N·m | 0.15 N·m | 0.15 N·m | 0.15 N·m | 0.15 N·m | 0.15 N·m | 0.15 N·m | 0.15 N·m | 0.15 N·m | max. |
| X向上的保持力,被动 | — | — | 10 N | 10 N | — | — | 10 N | 10 N | — | — | 10 N | 10 N | |
| X向上的移动质量,空载 | 11 g | 12 g | 11 g | 12 g | 11 g | 12 g | 11 g | 12 g | 11 g | 12 g | 11 g | 12 g | |
| 传动螺杆类型 | 细牙螺纹主轴 | 滚珠丝杠 | 细牙螺纹主轴 | 滚珠丝杠 | 细牙螺纹主轴 | 滚珠丝杠 | 细牙螺纹主轴 | 滚珠丝杠 | 细牙螺纹主轴 | 滚珠丝杠 | 细牙螺纹主轴 | 滚珠丝杠 | |
| 丝杠螺距 | 0.4 mm | 0.5 mm | 0.4 mm | 0.5 mm | 0.4 mm | 0.5 mm | 0.4 mm | 0.5 mm | 0.4 mm | 0.5 mm | 0.4 mm | 0.5 mm | |
| 齿轮速比i | 256 : 9 | 256 : 9 | 256 : 9 | 256 : 9 | 29791 : 729 | 29791 : 729 | 256 : 9 | 256 : 9 | 29791 : 729 | 29791 : 729 | 256 : 9 | 256 : 9 | |
| 导轨 | 滚珠导轨 | 滚珠导轨 | 滚珠导轨 | 滚珠导轨 | 滚珠导轨 | 滚珠导轨 | 滚珠导轨 | 滚珠导轨 | 滚珠导轨 | 滚珠导轨 | 滚珠导轨 | 滚珠导轨 | |
| 总质量 | 250 g | 250 g | 250 g | 250 g | 270 g | 270 g | 270 g | 270 g | 300 g | 300 g | 300 g | 300 g | |
| 材料 | 阳极氧化铝 | 阳极氧化铝 | 阳极氧化铝 | 阳极氧化铝 | 阳极氧化铝 | 阳极氧化铝 | 阳极氧化铝 | 阳极氧化铝 | 阳极氧化铝 | 阳极氧化铝 | 阳极氧化铝 | 阳极氧化铝 | |
| 其他 | M-110.1DG1 | M-110.2DG1 | M-110.12S1 | M-110.22S1 | M-111.1DG1 | M-111.2DG1 | M-111.12S1 | M-111.22S1 | M-112.1DG1 | M-112.2DG1 | M-112.12S1 | M-112.22S1 | 公差 |
| 工作温度范围 | -20至65 °C | -20至65 °C | -20至65 °C | -20至65 °C | -20至65 °C | -20至65 °C | -20至65 °C | -20至65 °C | -20至65 °C | -20至65 °C | -20至65 °C | -20至65 °C | |
| 连接器 | HD D-sub 26针(公头) | HD D-sub 26针(公头) | HD D-sub 26针(公头) | HD D-sub 26针(公头) | HD D-sub 26针(公头) | HD D-sub 26针(公头) | HD D-sub 26针(公头) | HD D-sub 26针(公头) | HD D-sub 26针(公头) | HD D-sub 26针(公头) | HD D-sub 26针(公头) | HD D-sub 26针(公头) | |
| 电缆长度 | 0.5 m | 0.5 m | 0.5 m | 0.5 m | 0.5 m | 0.5 m | 0.5 m | 0.5 m | 0.5 m | 0.5 m | 0.5 m | 0.5 m | |
| 推荐控制器/驱动器 | C-863 C-884 G-901 G-910 ACS模块化控制器 | C-863 C-884 G-901 G-910 ACS模块化控制器 | C-663 G-901 G-910 ACS模块化控制器 | C-663 G-901 G-910 ACS模块化控制器 | C-863 C-884 G-901 G-910 ACS模块化控制器 | C-863 C-884 G-901 G-910 ACS模块化控制器 | C-663 G-901 G-910 ACS模块化控制器 | C-663 G-901 G-910 ACS模块化控制器 | C-863 C-884 G-901 G-910 ACS模块化控制器 | C-863 C-884 G-901 G-910 ACS模块化控制器 | C-663 G-901 G-910 ACS模块化控制器 | C-663 G-901 G-910 ACS模块化控制器 |
最小位移说明:在使用推荐控制器时可实现所列数值
额定电流说明:所列数值适用于每个相位
PI技术数据是在22±3°C环境温度下定义的。除非有特别说明,所有数值均基于无负载的情况。某些性能参数是相互关联的。“typ.”标识 是指属性的统计平均值,并非承诺每个交付产品均达到该数值。在产品交付前的最后检验中,我们只检测选定的属性,而不是全部属性。请注意,产品的某些特性可能会随着使用时间的增长而逐渐下降。
下载
产品注解
Product Change Notification M-110.xxx, M-111.xxx, M-112.xxx
数据表
文件
用户使用手册M110T0032
M-110.x1 / M-111.x1 / M-112.x1微平移位移台
3D模型
M-11x.xxx1 3D模型
三维动画模型
可移动3D模型M-112.xxx1
可移动3D模型M-110.xxx1
可移动3D模型M-111.xxx1
报价/订购
就所需数量、价格和供货周期请求免费报价或描述您所需的改型。
紧凑型线性平台;直流齿轮电机;行程为5mm;有效载荷为30N;最大速度为1.5mm/s;滚珠丝杠;增量旋转编码器,分辨率为2048cts./rev.;0.5m电缆长度
紧凑型线性平台;两相步进电机;行程为5mm;有效载荷为30N;最大速度为1mm/s;细牙螺纹主轴;0.5m电缆长度
紧凑型线性平台;两相步进电机;行程为5mm;有效载荷为30N;最大速度为1mm/s;滚珠丝杠;0.5m电缆长度
紧凑型线性平台;直流齿轮电机;行程为15mm;有效载荷为30N;最大速度为1.5mm/s;细牙螺纹主轴;增量旋转编码器,分辨率为2048cts./rev.;0.5m电缆长度
紧凑型线性平台;直流齿轮电机;行程为15mm;有效载荷为30N;最大速度为2mm/s;滚珠丝杠;增量旋转编码器,分辨率为2048cts./rev.;0.5m电缆长度
紧凑型线性平台;两相步进电机;行程为15mm;有效载荷为30N;最大速度为1mm/s;细牙螺纹主轴;0.5m电缆长度
紧凑型线性平台;两相步进电机;行程为15mm;有效载荷为30N;最大速度为1mm/s;滚珠丝杠;0.5m电缆长度
紧凑型线性平台;直流齿轮电机;行程为25mm;有效载荷为20N;最大速度为1.5mm/s;细牙螺纹主轴;增量旋转编码器,分辨率为2048cts./rev.;0.5m电缆长度
紧凑型线性平台;直流齿轮电机;行程为25mm;有效载荷为20N;最大速度为2mm/s;滚珠丝杠;增量旋转编码器,分辨率为2048cts./rev.;0.5m电缆长度
紧凑型线性平台;两相步进电机;行程为25mm;有效载荷为20N;最大速度为1mm/s;细牙螺纹主轴;0.5m电缆长度
紧凑型线性平台;两相步进电机;行程为25mm;有效载荷为20N;最大速度为1mm/s;滚珠丝杠;0.5m电缆长度




























