真空兼容紧凑型线性平台;直流齿轮电机;行程为5mm;有效载荷为30N;最大速度为1mm/s;细牙螺纹主轴;增量旋转编码器,分辨率为2048cts./rev.,A/B正交,RS-422;真空兼容至10-6hPa;0.5m电缆长度
M-110 • M-111 • M-112 V6 真空兼容紧凑型线性平台
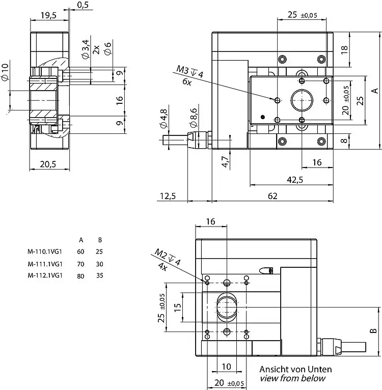
带直流齿轮电机和各种行程变型的XY(Z)组合
- 适用于高达10-6hPa的真空度
- 折叠驱动,非常紧凑
- 闭环直流电机
- 行程:5、15和25mm
- 非接触式参考点和限位开关
- XY装置可直接安装
M-110 • M-111 • M-112 V6 真空兼容紧凑型线性平台
产品描述
规格
下载
报价/订购
规格
规格
选择行程范围:
| 运动 | M-110.1VG1 | M-111.1VG1 | M-112.1VG1 | 公差 |
|---|---|---|---|---|
| 主动轴 | X | X | X | |
| X向上的行程 | 5 mm | 15 mm | 25 mm | |
| X向上的最大速度,空载 | 1 mm/s | 1.5 mm/s | 1.5 mm/s | |
| 定位 | M-110.1VG1 | M-111.1VG1 | M-112.1VG1 | 公差 |
| X向上的最小位移 | 0.05 µm | 0.05 µm | 0.05 µm | typ. |
| X向上的单向重复精度 | ± 0.125 µm | ± 0.125 µm | ± 0.125 µm | typ. |
| X向上的双向重复精度 | 4 µm | 4 µm | 4 µm | typ. |
| X向上的空回 | 3 µm | 3 µm | 3 µm | typ. |
| 参考点开关 | 霍尔效应 | 霍尔效应 | 霍尔效应 | |
| 限位开关 | 霍尔效应 | 霍尔效应 | 霍尔效应 | |
| 电机编码器 | 增量旋转编码器 | 增量旋转编码器 | 增量旋转编码器 | |
| 电机编码器:传感器信号 | A/B正交,RS-422 | A/B正交,RS-422 | A/B正交,RS-422 | |
| 分辨率,电机编码器 | 2048 步/圈 | 2048 步/圈 | 2048 步/圈 | |
| 驱动性能 | M-110.1VG1 | M-111.1VG1 | M-112.1VG1 | 公差 |
| 驱动类型 | 直流齿轮电机 | 直流齿轮电机 | 直流齿轮电机 | |
| 标称电压 | 12 V | 12 V | 12 V | |
| 标称电流,均方根 | 0.16 A | 0.32 A | 0.32 A | typ. |
| X向上的正向运动的驱动力 | 10 N | 10 N | 10 N | typ. |
| X向上的负向运动的驱动力 | 10 N | 10 N | 10 N | typ. |
| 机械性能 | M-110.1VG1 | M-111.1VG1 | M-112.1VG1 | 公差 |
| Y向上的允许推力 | 15 N | 10 N | 10 N | max. |
| Z向上的允许推力 | 30 N | 30 N | 20 N | max. |
| θX向上的允许力矩 | 0.15 N·m | 0.15 N·m | 0.15 N·m | max. |
| θY向上的允许力矩 | 0.15 N·m | 0.15 N·m | 0.15 N·m | max. |
| θZ向上的允许力矩 | 0.15 N·m | 0.15 N·m | 0.15 N·m | max. |
| X向上的保持力,被动 | 10 N | 10 N | 10 N | |
| X向上的移动质量,空载 | 11 g | 11 g | 11 g | |
| 传动螺杆类型 | 细牙螺纹主轴 | 细牙螺纹主轴 | 细牙螺纹主轴 | |
| 丝杠螺距 | 0.4 mm | 0.4 mm | 0.4 mm | |
| 齿轮速比i | 29791 : 729 | 29791 : 729 | 29791 : 729 | |
| 导轨 | 滚珠导轨 | 滚珠导轨 | 滚珠导轨 | |
| 总质量 | 250 g | 270 g | 300 g | |
| 材料 | 阳极氧化铝 | 阳极氧化铝 | 阳极氧化铝 | |
| 其他 | M-110.1VG1 | M-111.1VG1 | M-112.1VG1 | 公差 |
| 工作温度范围 | -20至65 °C | -20至65 °C | -20至65 °C | |
| 真空等级 | 10⁻⁶ ǀ hPa | 10⁻⁶ ǀ hPa | 10⁻⁶ ǀ hPa | |
| 连接器 | HD D-sub 26针(公头) | HD D-sub 26针(公头) | HD D-sub 26针(公头) | |
| 电缆长度 | 0.5 m | 0.5 m | 0.5 m | |
| 推荐控制器/驱动器 | C-863 C-884 G-901 G-910 ACS模块化控制器 | C-863 C-884 G-901 G-910 ACS模块化控制器 | C-863 C-884 G-901 G-910 ACS模块化控制器 |
最小位移说明:在使用推荐控制器时可实现所列数值
额定电流说明:所列数值适用于每个相位
PI技术数据是在22±3°C环境温度下定义的。除非有特别说明,所有数值均基于无负载的情况。某些性能参数是相互关联的。“typ.”标识 是指属性的统计平均值,并非承诺每个交付产品均达到该数值。在产品交付前的最后检验中,我们只检测选定的属性,而不是全部属性。请注意,产品的某些特性可能会随着使用时间的增长而逐渐下降。
报价/订购
就所需数量、价格和供货周期请求免费报价或描述您所需的改型。
M-110.1VG1
M-111.1VG1
真空兼容紧凑型线性平台;直流齿轮电机;行程为15mm;有效载荷为30N;最大速度为1.5mm/s;细牙螺纹主轴;增量旋转编码器,分辨率为2048cts./rev.,A/B正交,RS-422;真空兼容至10-6hPa;0.5m电缆长度
M-112.1VG1
真空兼容紧凑型线性平台;直流齿轮电机;行程为25mm;有效载荷为20N;最大速度为1.5mm/s;细牙螺纹主轴;增量旋转编码器,分辨率为2048cts./rev.,A/B正交,RS-422;真空兼容至10-6hPa;0.5m电缆长度

















