L-505 紧凑型线性平台
带直流或步进电机
- 行程为13或26毫米
- 带或不带减速齿轮的步进电机或直流伺服电机
- 速度达15毫米/秒
- 负载能力达30牛
- 集成参考点和限位开关












产品概述
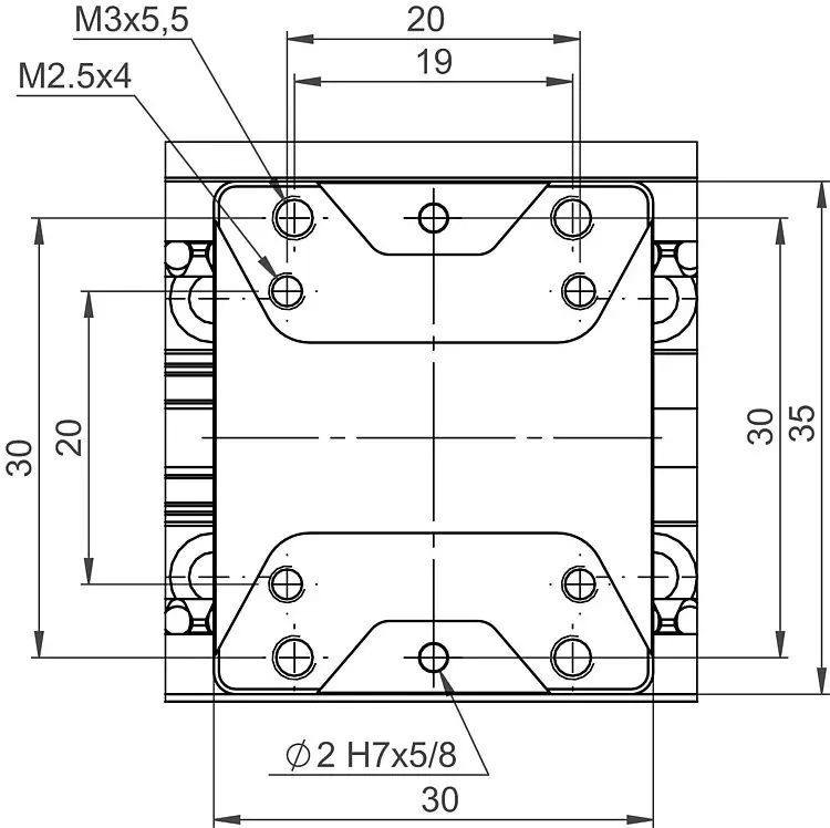
配备低空回传动螺杆和滚珠导轨的紧凑型线性平台。可直接安装的XY组合。集成式参考点和限位开关:霍尔效应。
线性平台提供两种设计变体:
- 带直接固定驱动(法兰电机)的窄长型版本。
- 带皮带驱动(折叠型动力传动系统)的宽型紧凑式版本。这些版本的产品编号末尾都标有一个"F"。
驱动器类型
- 带或不带减速齿轮的直流电机
- 带或不带减速齿轮的步进电机
带直流电机的版本都配备增量线性编码器。这在步进电机版本中是选配的。带有直流电机而不带减速齿轮的折叠式变体均配有滚珠丝杠。
增量式线性编码器用于高精度位置测量
非接触式、超高精度的光学编码器直接测量平台的位置。非线性效应、机械间隙或弹性形变不会对测量造成影响。
应用领域
医药行业. 自动聚焦. 精密微装配. 生物技术. 自动化.
规格
规格
带直流电机的L-505 | L-505.013212 L-505.013212F L-505.023212 L-505.023212F | L-505.014212F L-505.024212F | 单位 | 公差 |
|---|---|---|---|---|
带直流电机和线性编码器的线性平台 | 带直流齿轮电机和线性编码器的线性平台 | |||
主动轴 | X | |||
运动和定位 | ||||
行程 | L-505.01:13 L-505.02:26 | 毫米 | ||
集成传感器 | 增量线性编码器 | |||
传感器信号线性编码器 | A/B正交,RS-422 | |||
设计分辨率 | 0.05 | 微米 | ||
传感器分辨率 线性编码器 | 0.05 | 微米 | ||
最小位移 | 0.1 | 0.5 | 微米 | 典型值 |
单向重复精度 | 0.1 | 0.25 | 微米 | 典型值 |
双向重复性 | ±0.15 | ±0.25 | 微米 | 典型值 |
螺距/偏转角 | L-505.01:±50 L-505.02:±75 | 微弧度 | 典型值 | |
直线度/平面度 | L-505.01:±0.5 L-505.02:±1 | 微米 | 典型值 | |
最大速度 | L-505.xx3xxx:15 L-505.xxxxxxF:7.5 | 1 | 毫米/秒 | |
参考和限位开关 | 霍尔效应,常闭触点,5伏,NPN | |||
参考点开关重复精度 | <4 | 微米 | 典型值 | |
机械特性 | ||||
导向类型 | 滚珠导轨 | |||
传动螺杆类型 | 丝杠 L-505.0x3212F:滚珠丝杠 | 丝杠 | ||
丝杠螺距 | 0.5 | 毫米 | ||
负载容量 | 30 | 牛 | 最大 | |
允许侧向力 | 30 | 牛 | 最大 | |
推拉力 | 20 | 牛 | 最大 | |
保持力,断电 | 20 L-505.0x3212F: 10 | 20 | 牛 | 典型值 |
θX向上的允许力矩Mx | L-505.01:7 L-505.02:9 | 牛米 | 最大 | |
θY向上的允许力矩My | L-505.01:6 L-505.02:8 | 牛米 | 最大 | |
θZ向上的允许力矩Mz | L-505.01:6 L-505.02:8 | 牛米 | 最大 | |
驱动特性 | ||||
电机类型 | 直流电机 | 直流齿轮电机 | ||
工作电压,标称值 | 12 | 12 | 伏 | 标称 |
工作电压,最大值 | 48 | 24 | 伏 | 最大 |
其他 | ||||
工作温度范围 | 5到40 | 摄氏度 | ||
材料 | 阳极氧化铝,不锈钢 | |||
质量 | 0.4 | 千克 | ±5 % | |
移动质量 | 0.07 | 千克 | ±5% | |
电缆长度 | 0.5 | 米 | ||
连接器 | HD D-sub 26(公头) | |||
推荐控制器 | C-863单轴 C-884(多达6轴) 带C-863.20C885的C-885(多达40轴) ACS模块化控制器 | |||
带步进电机的L-505 | L-505.011200 L-505.011200F L-505.021200 L-505.021200F | L-505.011212 L-505.011212F L-505.021212 L-505.021212F | L-505.01A200F L-505.02A200F | L-505.01A212F L-505.02A212F | 单位 | 公差 | |
|---|---|---|---|---|---|---|---|
带步进电机的线性平台 | 带步进电机和线性编码器的线性平台 | 带步进电机和减速齿轮的线性平台 | 带步进电机、减速齿轮和线性编码器的线性平台 | ||||
主动轴 | X | X | X | X | |||
运动和定位 | |||||||
行程 | L-505.01:13 L-505.02:26 | 毫米 | |||||
集成传感器 | – | 增量线性编码器 | – | 增量线性编码器 | |||
传感器信号线性编码器 | – | A/B正交,RS-422 | – | A/B正交,RS-422 | |||
设计分辨率 | 2.5(全步) | 0.005 | 0.732(全步) | 0.005 | 微米 | ||
传感器分辨率 线性编码器 | – | 0.005 | – | 0.005 | 微米 | ||
最小位移 | 0.1 | 0.05 | 0.2 | 0.05 | 微米 | 典型值 | |
单向重复精度 | 0.3 | 0.1 | 0.3 | 0.1 | 微米 | 典型值 | |
双向重复性 | ±2.5 | ±0.15 | ±2.5 | ±0.15 | 微米 | 典型值 | |
螺距/偏转角 | L-505.01:±50 L-505.02:±75 | 微弧度 | 典型值 | ||||
直线度/平面度 | L-505.01:±0.5 L-505.02:±1 | 微米 | 典型值 | ||||
最大速度 | L-505.xx1xxx:10 L-505.xxxxxxF:7.5 | 0.75 | 毫米/秒 | ||||
参考和限位开关 | 霍尔效应,常闭触点,5伏,NPN | ||||||
参考点开关重复精度 | <4 | 微米 | 典型值 | ||||
机械特性 | |||||||
导向类型 | 滚珠导轨 | ||||||
传动螺杆类型 | 丝杠 | ||||||
丝杠螺距 | 0.5 | 毫米 | |||||
负载容量 | 30 | 牛 | 最大 | ||||
允许侧向力 | 30 | 牛 | 最大 | ||||
推拉力 | 20 | 65 | 牛 | 最大 | |||
保持力,断电 | 20 | 牛 | 典型值 | ||||
θX向上的允许力矩Mx | L-505.01:7 L-505.02:9 | 牛米 | 最大 | ||||
θY向上的允许力矩My | L-505.01:6 L-505.02:8 | 牛米 | 最大 | ||||
θZ向上的允许力矩Mz | L-505.01:6 L-505.02:8 | 牛米 | 最大 | ||||
驱动特性 | |||||||
电机类型 | 两相步进电机 | 带减速齿轮的两相步进电机 | |||||
工作电压,标称值 | 12 | 24 | 伏 | 标称 | |||
工作电压,最大值 | 48 | 48 | 伏 | 最大 | |||
步进分辨率 | 200 | 24 | 全步/转 | ||||
其他 | |||||||
工作温度范围 | 5到40 | 摄氏度 | |||||
材料 | 阳极氧化铝,不锈钢 | ||||||
质量 | 0.4 | 千克 | ±5 % | ||||
移动质量 | 0.07 | 千克 | ±5% | ||||
电缆长度 | 0.5 | 米 | |||||
连接器 | HD D-sub 26(公头) | ||||||
推荐控制器 | C-663.12单轴 SMC Hydra(双轴) 带C-663.12C885的C-885(多达20轴) ACS模块化控制器 | ||||||
下载
数据表
文件
UserManualL505UM0001
L-505.0x1200 Linear Stage with Stepper Motor
UserManualL505UM0002
L-505.0x1212 Linear Stage with Stepper Motor and Linear Encoder
UserManualL505UM0003
L-505.0x3212 Linear Stage with DC Motor and Linear Encoder
UserManualL505UM0004
L-505.0x4212F Linear Stage with DC Gear Motor
UserManualL505UM0005
L-505.0xA200F Linear Stage with Stepper Motor with Gearhead
UserManualL505UM0006
L-505.0xA212F Linear Stage with Stepper Motor with Gearhead and Linear Encoder
3D模型
3DmodelL-505.APx
3Dmodel L-505.02xxxx
3Dmodel L-505.01xxxx
报价/订购
就所需数量、价格和供货周期请求免费报价或描述您所需的改型。


























