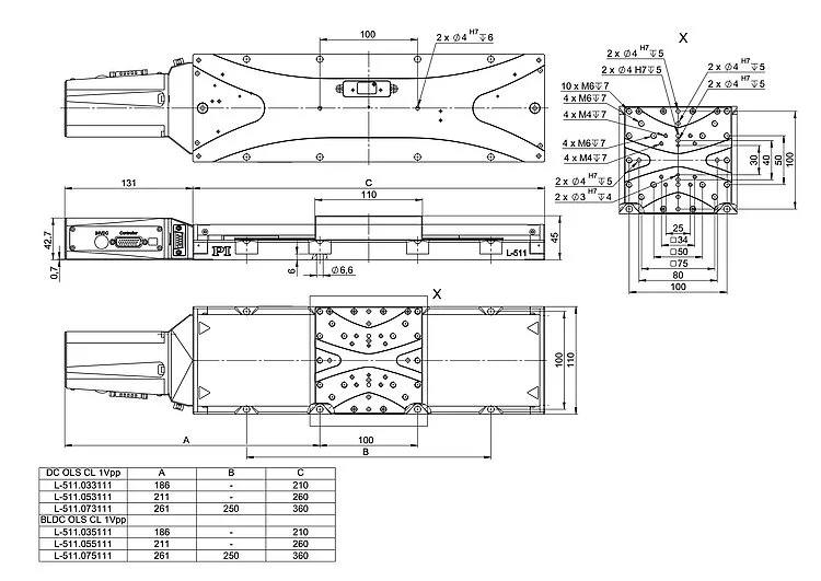
高精度线性平台;直流电机;行程为52mm;有效载荷为500N;最大速度为90mm/s;滚珠丝杠;增量直线光栅尺,正弦/余弦,1Vpp
L-511 高精度线性平台
高运动精度
- 采用循环滚珠轴承导轨,可实现高运动精度和负载能力
- 重复精度达0.15µm
- 基础型材由应力消除铝制成,具有高稳定性
- 非接触式光学直线光栅尺以超高的精度直接测量平台的位置。
- 不同的电机加不同的编码器可实现独特的应用
参考级线性平台
借助循环滚珠轴承导轨,可实现高运动精度和有效载荷。 精密滚珠丝杠,螺距为2mm。 消除应力的铝基座可实现高稳定性。 非接触式光学限位开关。 位于行程中点带方向感应的非接触式光学参考点开关。 行程范围为52至155mm(2"至6")。
可用电机类型
- 带减速齿轮的直流伺服电机在电机功率低时可实现高转矩和高分辨率
- 无刷直流电动机:适用于高占空比应用。 使用正弦换向控制器,即使在极低的速度下依然可以实现异常平稳的同步运动和低振动。
- 两相步进电机可实现低速度和高分辨率
位置测量的类型
- 不带编码器(开环)
- 电机轴上的集成旋转编码器
- 增量直线光栅尺
增量直线光栅尺用于高精度位置测量
非接触式光学直线光栅尺以超高的精度直接测量平台的位置。 非线性效应、机械游隙或弹性形变不会对测量造成影响。
应用领域
自动聚焦。 激光切割。 研究。 生物技术。 自动化。 光学对准。
规格
规格
| 运动 | L-511.033111 | L-511.053111 | L-511.073111 | L-511.035111 | L-511.055111 | L-511.075111 | L-511.033132 | L-511.053132 | L-511.073132 | L-511.035132 | L-511.055132 | L-511.075132 | L-511.20DG10 | L-511.40DG10 | L-511.60DG10 | L-511.20SD00 | L-511.40SD00 | L-511.60SD00 | L-511.2ASD00 | L-511.4ASD00 | L-511.6ASD00 | 公差 |
|---|---|---|---|---|---|---|---|---|---|---|---|---|---|---|---|---|---|---|---|---|---|---|
| 主动轴 | X | X | X | X | X | X | X | X | X | X | X | X | X | X | X | X | X | X | X | X | X | |
| X向上的行程 | 52 mm | 102 mm | 155 mm | 52 mm | 102 mm | 155 mm | 52 mm | 102 mm | 155 mm | 52 mm | 102 mm | 155 mm | 52 mm | 102 mm | 155 mm | 52 mm | 102 mm | 155 mm | 52 mm | 102 mm | 155 mm | |
| X向上的最大速度,空载 | 90 mm/s | 90 mm/s | 90 mm/s | 90 mm/s | 90 mm/s | 90 mm/s | 90 mm/s | 90 mm/s | 90 mm/s | 90 mm/s | 90 mm/s | 90 mm/s | 6 mm/s | 6 mm/s | 6 mm/s | 45 mm/s | 45 mm/s | 45 mm/s | 45 mm/s | 45 mm/s | 45 mm/s | |
| Y向上的直线度误差(直线度) | ± 1.5 µm | ± 2.5 µm | ± 3 µm | ± 1.5 µm | ± 2.5 µm | ± 3 µm | ± 1.5 µm | ± 2.5 µm | ± 3 µm | ± 1.5 µm | ± 2.5 µm | ± 3 µm | ± 1.5 µm | ± 2.5 µm | ± 3 µm | ± 1.5 µm | ± 2.5 µm | ± 3 µm | ± 1.5 µm | ± 2.5 µm | ± 3 µm | typ. |
| Z向上的直线度误差(平面度) | ± 1.5 µm | ± 2.5 µm | ± 3 µm | ± 1.5 µm | ± 2.5 µm | ± 3 µm | ± 1.5 µm | ± 2.5 µm | ± 3 µm | ± 1.5 µm | ± 2.5 µm | ± 3 µm | ± 1.5 µm | ± 2.5 µm | ± 3 µm | ± 1.5 µm | ± 2.5 µm | ± 3 µm | ± 1.5 µm | ± 2.5 µm | ± 3 µm | typ. |
| 绕Y的角度误差(俯仰角) | ± 40 µrad | ± 60 µrad | ± 70 µrad | ± 40 µrad | ± 60 µrad | ± 70 µrad | ± 40 µrad | ± 60 µrad | ± 70 µrad | ± 40 µrad | ± 60 µrad | ± 70 µrad | ± 40 µrad | ± 60 µrad | ± 70 µrad | ± 40 µrad | ± 60 µrad | ± 70 µrad | ± 40 µrad | ± 60 µrad | ± 70 µrad | max. |
| 绕Z的角度误差(偏转角) | ± 40 µrad | ± 60 µrad | ± 70 µrad | ± 40 µrad | ± 60 µrad | ± 70 µrad | ± 40 µrad | ± 60 µrad | ± 70 µrad | ± 40 µrad | ± 60 µrad | ± 70 µrad | ± 40 µrad | ± 60 µrad | ± 70 µrad | ± 40 µrad | ± 60 µrad | ± 70 µrad | ± 40 µrad | ± 60 µrad | ± 70 µrad | max. |
| 定位 | L-511.033111 | L-511.053111 | L-511.073111 | L-511.035111 | L-511.055111 | L-511.075111 | L-511.033132 | L-511.053132 | L-511.073132 | L-511.035132 | L-511.055132 | L-511.075132 | L-511.20DG10 | L-511.40DG10 | L-511.60DG10 | L-511.20SD00 | L-511.40SD00 | L-511.60SD00 | L-511.2ASD00 | L-511.4ASD00 | L-511.6ASD00 | 公差 |
| X向上的最小位移 | 0.1 µm | 0.1 µm | 0.1 µm | 0.1 µm | 0.1 µm | 0.1 µm | 0.2 µm | 0.2 µm | 0.2 µm | 0.2 µm | 0.2 µm | 0.2 µm | 0.1 µm | 0.1 µm | 0.1 µm | 0.2 µm | 0.2 µm | 0.2 µm | 0.02 µm | 0.02 µm | 0.02 µm | typ. |
| X向上的未校准定位精度 | ± 5.5 µm | ± 7.5 µm | ± 11 µm | ± 5.5 µm | ± 7.5 µm | ± 11 µm | ± 6 µm | ± 12 µm | ± 18 µm | ± 6 µm | ± 12 µm | ± 18 µm | ± 6 µm | ± 12 µm | ± 18 µm | ± 10 µm | ± 15 µm | ± 20 µm | ± 5.5 µm | ± 7.5 µm | ± 11 µm | max. |
| X向上的单向重复精度 | ± 0.15 µm | ± 0.15 µm | ± 0.15 µm | ± 0.15 µm | ± 0.15 µm | ± 0.15 µm | ± 0.3 µm | ± 0.3 µm | ± 0.3 µm | ± 0.3 µm | ± 0.3 µm | ± 0.3 µm | ± 0.3 µm | ± 0.3 µm | ± 0.3 µm | ± 0.3 µm | ± 0.3 µm | ± 0.3 µm | ± 0.15 µm | ± 0.15 µm | ± 0.15 µm | max. |
| X向上的双向重复精度 | 0.6 µm | 0.6 µm | 0.6 µm | 0.6 µm | 0.6 µm | 0.6 µm | 2 µm | 2 µm | 2 µm | 2 µm | 2 µm | 2 µm | 3.2 µm | 3.2 µm | 3.2 µm | 3 µm | 3 µm | 3 µm | 0.6 µm | 0.6 µm | 0.6 µm | max. |
| X向上的空回 | — | — | — | — | — | — | — | — | — | — | — | — | — | — | — | 1 µm | 1 µm | 1 µm | — | — | — | typ. |
| 参考点开关 | 光学 | 光学 | 光学 | 光学 | 光学 | 光学 | 光学 | 光学 | 光学 | 光学 | 光学 | 光学 | 光学 | 光学 | 光学 | 光学 | 光学 | 光学 | 光学 | 光学 | 光学 | |
| 限位开关 | 光学 | 光学 | 光学 | 光学 | 光学 | 光学 | 光学 | 光学 | 光学 | 光学 | 光学 | 光学 | 光学 | 光学 | 光学 | 光学 | 光学 | 光学 | 光学 | 光学 | 光学 | |
| 集成传感器 | 增量直线光栅尺 | 增量直线光栅尺 | 增量直线光栅尺 | 增量直线光栅尺 | 增量直线光栅尺 | 增量直线光栅尺 | 增量旋转编码器 | 增量旋转编码器 | 增量旋转编码器 | 增量旋转编码器 | 增量旋转编码器 | 增量旋转编码器 | 增量旋转编码器 | 增量旋转编码器 | 增量旋转编码器 | — | — | — | 增量直线光栅尺 | 增量直线光栅尺 | 增量直线光栅尺 | |
| 传感器信号 | 正弦/余弦,1Vpp | 正弦/余弦,1Vpp | 正弦/余弦,1Vpp | 正弦/余弦,1Vpp | 正弦/余弦,1Vpp | 正弦/余弦,1Vpp | A/B正交,RS-422 | A/B正交,RS-422 | A/B正交,RS-422 | A/B正交,RS-422 | A/B正交,RS-422 | A/B正交,RS-422 | A/B正交,RS-422 | A/B正交,RS-422 | A/B正交,RS-422 | — | — | — | 正弦/余弦,1Vpp | 正弦/余弦,1Vpp | 正弦/余弦,1Vpp | |
| 传感器信号周期 | — | — | — | 20 µm | 20 µm | 20 µm | — | — | — | — | — | — | — | — | — | — | — | — | — | — | — | |
| 传感器分辨率 | — | — | — | — | — | — | — | — | — | — | — | — | — | — | — | — | — | — | 5 nm | 5 nm | 5 nm | |
| 电机编码器:传感器信号 | — | — | — | A/B正交,RS-422 | A/B正交,RS-422 | A/B正交,RS-422 | — | — | — | — | — | — | — | — | — | — | — | — | — | — | — | |
| 分辨率,电机编码器 | — | — | — | 20000 步/圈 | 20000 步/圈 | 20000 步/圈 | — | — | — | 20000 步/圈 | 20000 步/圈 | 20000 步/圈 | — | — | — | — | — | — | — | — | — | |
| 电机编码器 | — | — | — | 增量旋转编码器 | 增量旋转编码器 | 增量旋转编码器 | — | — | — | 增量旋转编码器 | 增量旋转编码器 | 增量旋转编码器 | — | — | — | — | — | — | — | — | — | |
| 传感器分辨率 | — | — | — | — | — | — | 20000 步/圈 | 20000 步/圈 | 20000 步/圈 | 20000 步/圈 | 20000 步/圈 | 20000 步/圈 | 4096 步/圈 | 4096 步/圈 | 4096 步/圈 | — | — | — | — | — | — | |
| 驱动性能 | L-511.033111 | L-511.053111 | L-511.073111 | L-511.035111 | L-511.055111 | L-511.075111 | L-511.033132 | L-511.053132 | L-511.073132 | L-511.035132 | L-511.055132 | L-511.075132 | L-511.20DG10 | L-511.40DG10 | L-511.60DG10 | L-511.20SD00 | L-511.40SD00 | L-511.60SD00 | L-511.2ASD00 | L-511.4ASD00 | L-511.6ASD00 | 公差 |
| 驱动类型 | 直流电机 | 直流电机 | 直流电机 | 无刷直流电机 | 无刷直流电机 | 无刷直流电机 | 直流电机 | 直流电机 | 直流电机 | 无刷直流电机 | 无刷直流电机 | 无刷直流电机 | 直流齿轮电机 | 直流齿轮电机 | 直流齿轮电机 | 两相步进电机 | 两相步进电机 | 两相步进电机 | 两相步进电机 | 两相步进电机 | 两相步进电机 | |
| 标称电压 | 24 V | 24 V | 24 V | 24 V | 24 V | 24 V | 24 V | 24 V | 24 V | 24 V | 24 V | 24 V | 24 V | 24 V | 24 V | 24 V | 24 V | 24 V | 24 V | 24 V | 24 V | |
| 标称电流,均方根 | — | — | — | 2.42 A | 2.42 A | 2.42 A | — | — | — | 2.42 A | 2.42 A | 2.42 A | — | — | — | — | — | — | — | — | — | typ. |
| 电机分辨率 | — | — | — | — | — | — | — | — | — | — | — | — | — | — | — | 200 全步/转 | 200 全步/转 | 200 全步/转 | — | — | — | |
| X向上的正向运动的驱动力 | 100 N | 100 N | 100 N | 100 N | 100 N | 100 N | 100 N | 100 N | 100 N | 100 N | 100 N | 100 N | 100 N | 100 N | 100 N | 100 N | 100 N | 100 N | 100 N | 100 N | 100 N | typ. |
| X向上的负向运动的驱动力 | 100 N | 100 N | 100 N | 100 N | 100 N | 100 N | 100 N | 100 N | 100 N | 100 N | 100 N | 100 N | 100 N | 100 N | 100 N | 100 N | 100 N | 100 N | 100 N | 100 N | 100 N | typ. |
| 力矩常数 | — | — | — | 0.031 N·m/A | 0.031 N·m/A | 0.031 N·m/A | — | — | — | 0.031 N·m/A | 0.031 N·m/A | 0.031 N·m/A | — | — | — | — | — | — | — | — | — | typ. |
| 相间电阻 | — | — | — | 0.81 Ω | 0.81 Ω | 0.81 Ω | — | — | — | 0.81 Ω | 0.81 Ω | 0.81 Ω | 4.09 Ω | 4.09 Ω | 4.09 Ω | 3.3 Ω | 3.3 Ω | 3.3 Ω | 3.3 Ω | 3.3 Ω | 3.3 Ω | typ. |
| 相间电感 | — | — | — | 0.64 mH | 0.64 mH | 0.64 mH | — | — | — | 0.64 mH | 0.64 mH | 0.64 mH | 0.18 mH | 0.18 mH | 0.18 mH | 2.8 mH | 2.8 mH | 2.8 mH | 2.8 mH | 2.8 mH | 2.8 mH | |
| 反电动势,旋转 | — | — | — | — | — | — | — | — | — | — | — | — | 1.68 V/kRPM | 1.68 V/kRPM | 1.68 V/kRPM | — | — | — | — | — | — | max. |
| 相间反电动势,旋转 | — | — | — | 3.3 V/kRPM | 3.3 V/kRPM | 3.3 V/kRPM | — | — | — | 3.3 V/kRPM | 3.3 V/kRPM | 3.3 V/kRPM | 1.68 V/kRPM | 1.68 V/kRPM | 1.68 V/kRPM | — | — | — | — | — | — | max. |
| 极对数 | — | — | — | 7 | 7 | 7 | — | — | — | 7 | 7 | 7 | — | — | — | — | — | — | — | — | — | |
| 机械性能 | L-511.033111 | L-511.053111 | L-511.073111 | L-511.035111 | L-511.055111 | L-511.075111 | L-511.033132 | L-511.053132 | L-511.073132 | L-511.035132 | L-511.055132 | L-511.075132 | L-511.20DG10 | L-511.40DG10 | L-511.60DG10 | L-511.20SD00 | L-511.40SD00 | L-511.60SD00 | L-511.2ASD00 | L-511.4ASD00 | L-511.6ASD00 | 公差 |
| Y向上的允许推力 | 250 N | 250 N | 250 N | 250 N | 250 N | 250 N | 250 N | 250 N | 250 N | 250 N | 250 N | 250 N | 250 N | 250 N | 250 N | 250 N | 250 N | 250 N | 250 N | 250 N | 250 N | max. |
| Z向上的允许推力 | 500 N | 500 N | 500 N | 500 N | 500 N | 500 N | 500 N | 500 N | 500 N | 500 N | 500 N | 500 N | 500 N | 500 N | 500 N | 500 N | 500 N | 500 N | 500 N | 500 N | 500 N | max. |
| Y向上的允许拉力 | 250 N | 250 N | 250 N | 250 N | 250 N | 250 N | 250 N | 250 N | 250 N | 250 N | 250 N | 250 N | 250 N | 250 N | 250 N | 250 N | 250 N | 250 N | 250 N | 250 N | 250 N | max. |
| θX向上的允许力矩 | 60 N·m | 60 N·m | 60 N·m | 60 N·m | 60 N·m | 60 N·m | 60 N·m | 60 N·m | 60 N·m | 60 N·m | 60 N·m | 60 N·m | 60 N·m | 60 N·m | 60 N·m | 60 N·m | 60 N·m | 60 N·m | 60 N·m | 60 N·m | 60 N·m | max. |
| θY向上的允许力矩 | 30 N·m | 30 N·m | 30 N·m | 30 N·m | 30 N·m | 30 N·m | 30 N·m | 30 N·m | 30 N·m | 30 N·m | 30 N·m | 30 N·m | 30 N·m | 30 N·m | 30 N·m | 30 N·m | 30 N·m | 30 N·m | 30 N·m | 30 N·m | 30 N·m | max. |
| θZ向上的允许力矩 | 30 N·m | 30 N·m | 30 N·m | 30 N·m | 30 N·m | 30 N·m | 30 N·m | 30 N·m | 30 N·m | 30 N·m | 30 N·m | 30 N·m | 30 N·m | 30 N·m | 30 N·m | 30 N·m | 30 N·m | 30 N·m | 30 N·m | 30 N·m | 30 N·m | max. |
| X向上的保持力,被动 | — | — | — | — | — | — | — | — | — | — | — | — | 50 N | 50 N | 50 N | 50 N | 50 N | 50 N | 50 N | 50 N | 50 N | |
| X向上的移动质量,空载 | 600 g | 600 g | 650 g | 600 g | 600 g | 650 g | 600 g | 600 g | 650 g | 600 g | 600 g | 650 g | 600 g | 600 g | 650 g | 600 g | 600 g | 650 g | 600 g | 600 g | 650 g | |
| 传动螺杆类型 | 滚珠丝杠 | 滚珠丝杠 | 滚珠丝杠 | 滚珠丝杠 | 滚珠丝杠 | 滚珠丝杠 | 滚珠丝杠 | 滚珠丝杠 | 滚珠丝杠 | 滚珠丝杠 | 滚珠丝杠 | 滚珠丝杠 | 滚珠丝杠 | 滚珠丝杠 | 滚珠丝杠 | 滚珠丝杠 | 滚珠丝杠 | 滚珠丝杠 | 滚珠丝杠 | 滚珠丝杠 | 滚珠丝杠 | |
| 丝杠螺距 | 2 mm | 2 mm | 2 mm | 2 mm | 2 mm | 2 mm | 2 mm | 2 mm | 2 mm | 2 mm | 2 mm | 2 mm | 2 mm | 2 mm | 2 mm | 2 mm | 2 mm | 2 mm | 2 mm | 2 mm | 2 mm | |
| 齿轮速比i | — | — | — | 1 | 1 | 1 | — | — | — | 1 | 1 | 1 | 29,642 | 29,642 | 29,642 | — | — | — | — | — | — | |
| 导轨 | 循环滚珠轴承导轨 | 循环滚珠轴承导轨 | 循环滚珠轴承导轨 | 循环滚珠轴承导轨 | 循环滚珠轴承导轨 | 循环滚珠轴承导轨 | 循环滚珠轴承导轨 | 循环滚珠轴承导轨 | 循环滚珠轴承导轨 | 循环滚珠轴承导轨 | 循环滚珠轴承导轨 | 循环滚珠轴承导轨 | 循环滚珠轴承导轨 | 循环滚珠轴承导轨 | 循环滚珠轴承导轨 | 循环滚珠轴承导轨 | 循环滚珠轴承导轨 | 循环滚珠轴承导轨 | 循环滚珠轴承导轨 | 循环滚珠轴承导轨 | 循环滚珠轴承导轨 | |
| 总质量 | 2500 g | 2600 g | 3100 g | 2400 g | 2700 g | 3000 g | 2500 g | 2600 g | 3100 g | 2400 g | 2700 g | 3000 g | 2500 g | 2700 g | 2900 g | 2400 g | 2600 g | 3100 g | 2400 g | 2600 g | 3100 g | |
| 材料 | 铝、不锈钢 | 铝、不锈钢 | 铝、不锈钢 | 铝、不锈钢 | 铝、不锈钢 | 铝、不锈钢 | 铝、不锈钢 | 铝、不锈钢 | 铝、不锈钢 | 铝、不锈钢 | 铝、不锈钢 | 铝、不锈钢 | 铝、钢 | 铝、钢 | 铝、钢 | 铝、钢 | 铝、钢 | 铝、钢 | 铝、钢 | 铝、钢 | 铝、钢 | |
| X向上的允许推力 | — | — | — | 500 N | 500 N | 500 N | — | — | — | 500 N | 500 N | 500 N | 500 N | 500 N | 500 N | — | — | — | — | — | — | max. |
| 其他 | L-511.033111 | L-511.053111 | L-511.073111 | L-511.035111 | L-511.055111 | L-511.075111 | L-511.033132 | L-511.053132 | L-511.073132 | L-511.035132 | L-511.055132 | L-511.075132 | L-511.20DG10 | L-511.40DG10 | L-511.60DG10 | L-511.20SD00 | L-511.40SD00 | L-511.60SD00 | L-511.2ASD00 | L-511.4ASD00 | L-511.6ASD00 | 公差 |
| 工作温度范围 | 5至40 °C | 5至40 °C | 5至40 °C | 5至40 °C | 5至40 °C | 5至40 °C | 5至40 °C | 5至40 °C | 5至40 °C | 5至40 °C | 5至40 °C | 5至40 °C | 5至40 °C | 5至40 °C | 5至40 °C | 5至40 °C | 5至40 °C | 5至40 °C | 5至40 °C | 5至40 °C | 5至40 °C | |
| 连接器 | HD D-sub 26针(公头) | HD D-sub 26针(公头) | HD D-sub 26针(公头) | HD D-sub 26针(公头) | HD D-sub 26针(公头) | HD D-sub 26针(公头) | HD D-sub 26针(公头) | HD D-sub 26针(公头) | HD D-sub 26针(公头) | HD D-sub 26针(公头) | HD D-sub 26针(公头) | HD D-sub 26针(公头) | HD D-sub 26针(公头) | HD D-sub 26针(公头) | HD D-sub 26针(公头) | HD D-sub 26针(公头) | HD D-sub 26针(公头) | HD D-sub 26针(公头) | HD D-sub 26针(公头) | HD D-sub 26针(公头) | HD D-sub 26针(公头) | |
| 传感器连接器 | D-sub 9针(公头) | D-sub 9针(公头) | D-sub 9针(公头) | D-sub 9针(公头) | D-sub 9针(公头) | D-sub 9针(公头) | — | — | — | — | — | — | — | — | — | — | — | — | D-sub 9针(公头) | D-sub 9针(公头) | D-sub 9针(公头) | |
| 推荐控制器/驱动器 | C-863 C-885与C-863.20C885 C-884 ACS模块化控制器 | C-863 C-885与C-863.20C885 C-884 ACS模块化控制器 | C-863 C-885与C-863.20C885 C-884 ACS模块化控制器 | ACS模块化控制器 | ACS模块化控制器 | ACS模块化控制器 | C-863 C-885与C-863.20C885 C-884 ACS模块化控制器 | C-863 C-885与C-863.20C885 C-884 ACS模块化控制器 | C-863 C-885与C-863.20C885 C-884 ACS模块化控制器 | C-891 C-885与C-891.10C885 ACS模块化控制器 | C-891 C-885与C-891.10C885 ACS模块化控制器 | C-891 C-885与C-891.10C885 ACS模块化控制器 | C-863 C-885与C-863.20C885 C-884 ACS模块化控制器 | C-863 C-885与C-863.20C885 C-884 ACS模块化控制器 | C-863 C-885与C-863.20C885 C-884 ACS模块化控制器 | C-663.12 C-885与C-663.12C885 ACS模块化控制器 | C-663.12 C-885与C-663.12C885 ACS模块化控制器 | C-663.12 C-885与C-663.12C885 ACS模块化控制器 | C-663.12 C-885与C-663.12C885 ACS模块化控制器 | C-663.12 C-885与C-663.12C885 ACS模块化控制器 | C-663.12 C-885与C-663.12C885 ACS模块化控制器 |
PI技术数据是在22±3°C环境温度下定义的。除非有特别说明,所有数值均基于无负载的情况。某些性能参数是相互关联的。“typ.”标识 是指属性的统计平均值,并非承诺每个交付产品均达到该数值。在产品交付前的最后检验中,我们只检测选定的属性,而不是全部属性。请注意,产品的某些特性可能会随着使用时间的增长而逐渐下降。
下载
产品注解
Product Change Notification Motor Driven Products
数据表
文件
3D模型
L-511.0xx111 3D模型
L-511.0xx111 3D模型
L-511.xxDG10 3D模型
L-511.xxSD00 3D模型
报价/订购
就所需数量、价格和供货周期请求免费报价或描述您所需的改型。
高精度线性平台;直流电机;行程为102mm;有效载荷为500N;最大速度为90mm/s;滚珠丝杠;增量直线光栅尺,正弦/余弦,1Vpp
高精度线性平台;直流电机;行程为155mm;有效载荷为500N;最大速度为90mm/s;滚珠丝杠;增量直线光栅尺,正弦/余弦,1Vpp
高精度线性平台;无刷直流电机;行程为52mm;有效载荷为500N;最大速度为90mm/s;滚珠丝杠;增量旋转编码器,分辨率为20000cts./rev.,A/B正交,RS422;增量直线光栅尺,传感器信号周期为20µm,正弦/余弦,1Vpp
高精度线性平台;无刷直流电机;行程为102mm;有效载荷为500N;最大速度为90mm/s;滚珠丝杠;增量旋转编码器,分辨率为20000cts./rev.,A/B正交,RS422;增量直线光栅尺,传感器信号周期为20µm,正弦/余弦,1Vpp
高精度线性平台;无刷直流电机;行程为155mm;有效载荷为500N;最大速度为90mm/s;滚珠丝杠;增量旋转编码器,分辨率为20000cts./rev.,A/B正交,RS422;增量直线光栅尺,传感器信号周期为20µm,正弦/余弦,1Vpp
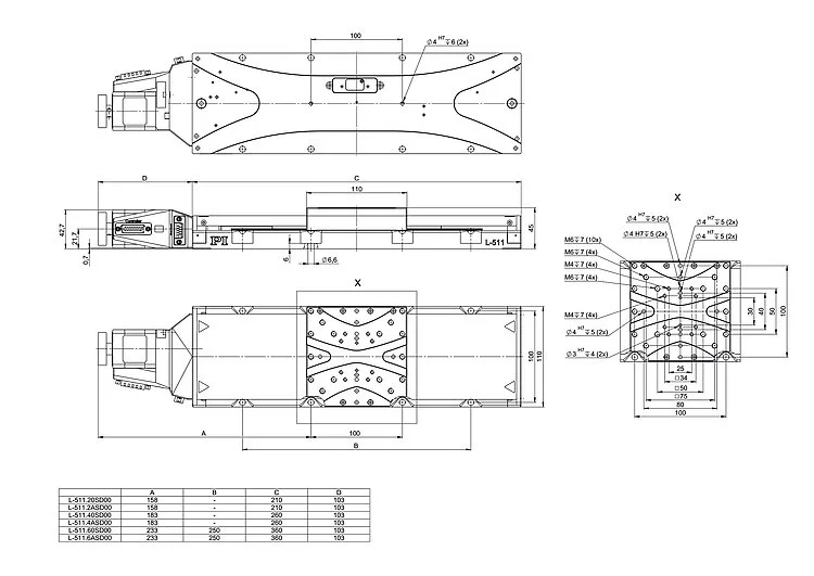
高精度线性平台;直流电机;行程为52mm;有效载荷为500N;最大速度为90mm/s;滚珠丝杠;增量旋转编码器,传感器分辨率为20000cts./rev.,A/B正交,RS422
高精度线性平台;直流电机;行程为102mm;有效载荷为500N;最大速度为90mm/s;滚珠丝杠;增量旋转编码器,传感器分辨率为20000cts./rev.,A/B正交,RS422
高精度线性平台;直流电机;行程为155mm;有效载荷为500N;最大速度为90mm/s;滚珠丝杠;增量旋转编码器,传感器分辨率为20000cts./rev.,A/B正交,RS422
高精度线性平台;无刷直流电机;行程为52mm;有效载荷为500N;最大速度为90mm/s;滚珠丝杠;增量旋转编码器,分辨率为20000cts./rev.;增量旋转编码器,传感器分辨率为20000cts./rev.,A/B正交,RS422
高精度线性平台;无刷直流电机;行程为102mm;有效载荷为500N;最大速度为90mm/s;滚珠丝杠;增量旋转编码器,分辨率为20000cts./rev.;增量旋转编码器,传感器分辨率为20000cts./rev.,A/B正交,RS422
高精度线性平台;无刷直流电机;行程为155mm;有效载荷为500N;最大速度为90mm/s;滚珠丝杠;增量旋转编码器,分辨率为20000cts./rev.;增量旋转编码器,传感器分辨率为20000cts./rev.,A/B正交,RS422
高精度线性平台;直流齿轮电机;行程为52mm;有效载荷为500N;最大速度为6mm/s;滚珠丝杠;增量旋转编码器,传感器分辨率为4096cts./rev.,A/B正交,RS422
高精度线性平台;直流齿轮电机;行程为102mm;有效载荷为500N;最大速度为6mm/s;滚珠丝杠;增量旋转编码器,传感器分辨率为4096cts./rev.,A/B正交,RS422
高精度线性平台;直流齿轮电机;行程为155mm;有效载荷为500N;最大速度为6mm/s;滚珠丝杠;增量旋转编码器,传感器分辨率为4096cts./rev.,A/B正交,RS422
高精度线性平台;两相步进电机;行程为52mm;有效载荷为500N;最大速度为45mm/s;滚珠丝杠
高精度线性平台;两相步进电机;行程为102mm;有效载荷为500N;最大速度为45mm/s;滚珠丝杠
高精度线性平台;两相步进电机;行程为155mm;有效载荷为500N;最大速度为45mm/s;滚珠丝杠
高精度线性平台;两相步进电机;行程为52mm;有效载荷为500N;最大速度为45mm/s;滚珠丝杠;增量直线光栅尺,传感器分辨率为5nm,正弦/余弦,1Vpp
高精度线性平台;两相步进电机;行程为102mm;有效载荷为500N;最大速度为45mm/s;滚珠丝杠;增量直线光栅尺,传感器分辨率为5nm,正弦/余弦,1Vpp
高精度线性平台;两相步进电机;行程为155mm;有效载荷为500N;最大速度为45mm/s;滚珠丝杠;增量直线光栅尺,传感器分辨率为5nm,正弦/余弦,1Vpp










































