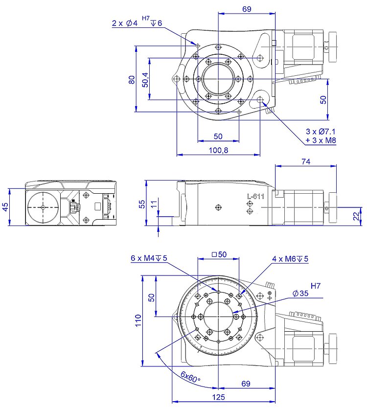
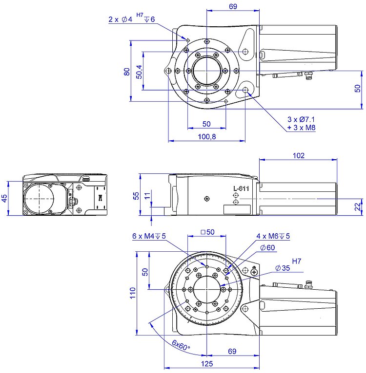
L-611 精密旋转台
高运动精度
- 无限行程
- 非常高的分辨率
- 最大速度为200度/秒
- 可选配角度测量系统用于直接位置测量
- 直流、无刷直流及步进电机
- 方向感应参考点开关
规格
规格
定位 | L-611.9ASD L-611.993261 | L-611.94AD | L-611.90AD L-611.xxx232 | L-611.90SD | 单位 | 公差 |
|---|---|---|---|---|---|---|
集成传感器 | 增量角度测量系统 | 增量角度测量系统 | 旋转编码器 | – | ||
传感器信号 | 正弦/余弦,1伏峰峰值, | A/B正交,TTL | A/B正交,TTL | – | ||
传感器分辨率 旋转编码器 | – | – | 20000 | – | 步/圈 | |
传感器分辨率角度测量系统 | 9000 | 9000 | – | – | 线/转 | |
设计分辨率 | L-611.9ASD:0.174 L-611.993261:0.87 | 3.49 | 3.49 | 349 | 微弧度 | |
最小位移 | L-611.9ASD:0.87 L-611.993261:3.5 | 17.45 | 35 | 8.72 | 微弧度 | 典型值 |
单向重复精度 | L-611.9ASD:0.87 L-611.993261:3.5 | 17.45 | 35 | 20 | 微弧度 | 典型值 |
双向重复性 | ±3.5 | ±17.45 | ±175 | ±175 | 微弧度 | 典型值 |
参考点开关 | 霍尔效应,常闭触点,5伏,NPN | 霍尔效应,常闭触点,5伏,TTL | 霍尔效应,常闭触点,5伏,TTL | 霍尔效应,常闭触点,5伏,NPN | ||
参考点开关重复精度 | <2 | <2 | <2 | <2 | 微弧度 | 典型值 |
其他 | L-611.9xSD | L-611.9xAD | L-611.993xxx | L-611.995xxx | 单位 | 公差 |
|---|---|---|---|---|---|---|
工作温度范围 | 5到40 | 5至40 | 5至40 | 5到40 | 摄氏度 | |
材料 | 阳极氧化铝、不锈钢、红铜 | 阳极氧化铝、不锈钢、红铜 | 阳极氧化铝、不锈钢、红铜 | 阳极氧化铝、不锈钢、红铜 | ||
质量 | 2.6 | 2.6 | 2.6 | 2.6 | 千克 | ±5 % |
移动质量 | 1.1 | 1.1 | 1.1 | 1.1 | 千克 | ±5 % |
连接器 | HD D-sub 26(公头) L-611.9ASD附带D-sub 9针(公头)(传感器) | D-sub 15针(公头) | HD D-sub 26(公头) L-611.993261附带D-sub 9针(公头)(传感器) | HD D-sub 26(公头) | ||
推荐控制器/驱动器 | C-663.12单轴 SMC Hydra(双轴) 带C-663.12C885的C-885(多达20轴) ACS模块化控制器 | C-863单轴 C-884(多达6轴) 带C-863.20C885的C-885(多达40轴) | C-863单轴 C-884(多达6轴) 带C-863.20C885的C-885(多达40轴) ACS模块化控制器 | C-891单轴 带C-891.11C885的C-885(多达20轴) ACS模块化控制器 |
下载
产品注解
Product Change Notification Motor Driven Products
数据表
文件
3D模型
L-611 3-D模型
报价/订购
就所需数量、价格和供货周期请求免费报价或描述您所需的改型。

























