L-611 V6 • V7 • V9 Precision Rotation Stage Suitable for Vacuum
- 适用于高达10-9百帕的真空度
- 无限行程
- 极高的分辨率
- 步进电机
- 方向感应参考点开关
- 可以进行多轴搭建
参考级转台
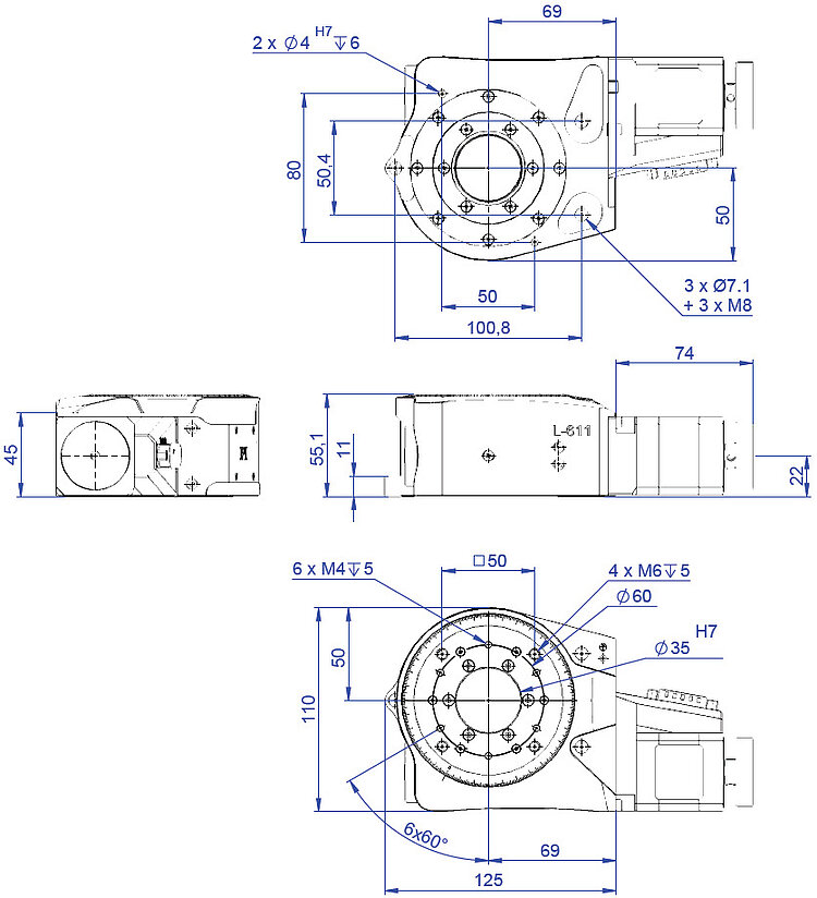
低游隙带预载蜗轮副实现精密定位。带预载枢轴承实现高运动精度。通光孔径直径为35毫米。双向旋转行程无限。参考点开关。
减少除气,特别是在真空环境中使用时
最值得注意的是,对于导轨和传动螺杆的润滑,使用具有特别低除气的材料。因此,可承受温度高达80摄氏度。通过对PI V6真空等级的这一和其他修改,此定位器可以使用高达10-6百帕。
更高质量,适用于高真空应用
在这种情况下,使用适合高真空的特殊组件,如电机、测量系统和限位开关。此外,表面由无涂层铝制成,传动螺杆和导向装置由不锈钢制成。这样,PI V7真空等级就达到了,这意味着高达10-7百帕。
较高质量,可满足超高真空的特殊要求
在此真空等级中,产品在所有细节上都进行了优化,并采用了适用于超高真空的组件,以便达到高达10-9百帕的PI V9真空等级。除其他外,只有选定类型的塑料用于此目的,使用测量系统时耐受温度为120摄氏度,不使用测量系统时耐受温度为150摄氏度。
可选:运动精度和定位精度测量
可按需提供用于摆动、轴向和径向蠕动的单独测量日志。请下单时标明。
应用领域
真空室。研究. 高能束线设备. 显微镜. 电子元件组装和检验.
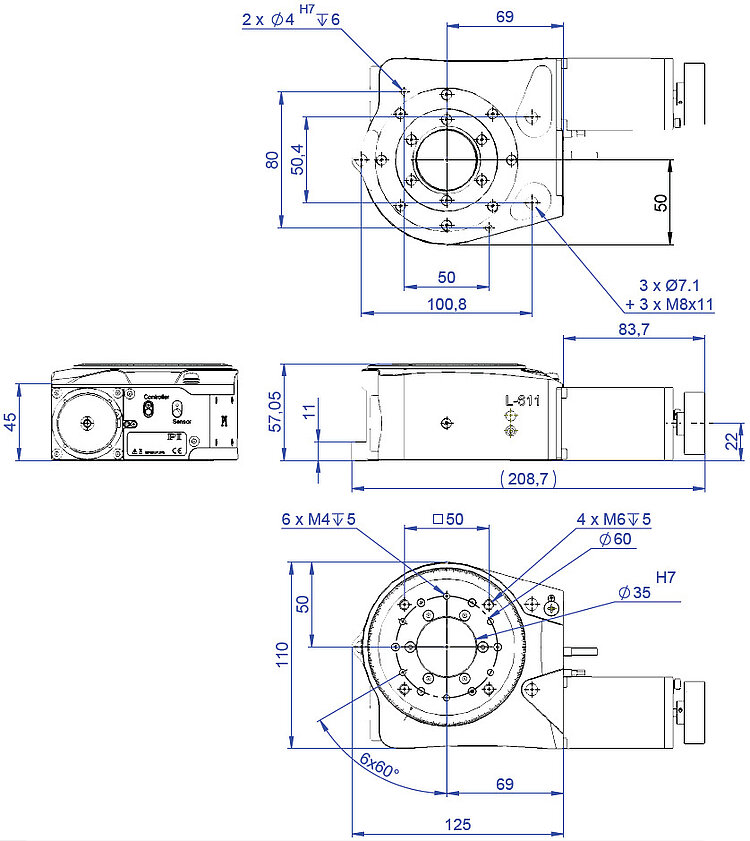
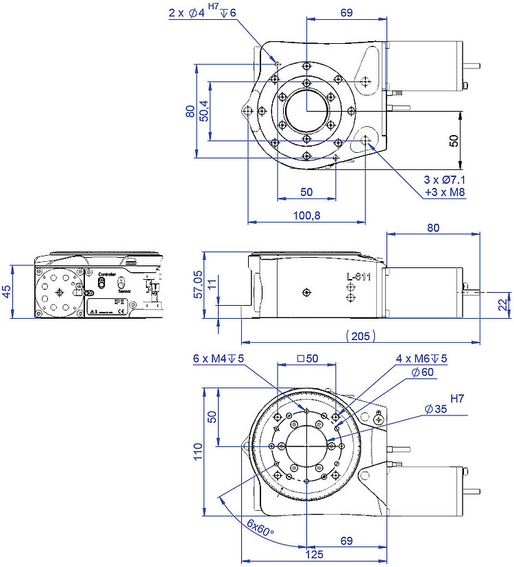
规格
规格
其他 | L-611.991200V6 | L-611.991300V7 | L-611.991600V9 | 单位 | 公差 |
|---|---|---|---|---|---|
工作温度范围 | 5到40 | 5至40 | 5到40 | 摄氏度 | |
材料 | 阳极氧化铝、不锈钢、红铜 | 铝、不锈钢、红铜 | 铝、不锈钢、红铜 | ||
质量 | 2.6 | 2.6 | 2.6 | 千克 | ±5 % |
移动质量 | 1.1 | 1.1 | 1.1 | 千克 | ±5 % |
固定电缆*,在真空侧:电缆长度 | – | 2 | 2 | 米 | |
连接器 | HD D-sub 26(公头) | D-sub 15(母头) | D-sub 15(母头) | ||
推荐控制器/驱动器 | C-663.12单轴 SMC Hydra(双轴) 带C-663.12C885的C-885(多达20轴) ACS模块化控制器 | C-663.12单轴 SMC Hydra(双轴) 带C-663.12C885的C-885(多达20轴) ACS模块化控制器 | C-663.12单轴 SMC Hydra(双轴) 带C-663.12C885的C-885(多达20轴) ACS模块化控制器 |
下载
数据表
文件
User Manual L611T0006
L-611 Precision rotation stage for vacuum applications (1 E-7 hPa)
User Manual L611T0011
L-611 Precision rotation stage for vacuum applications (1 E-6 hPa), with stepper drive
User Manual L611T0007
L-611 Precision rotation stage for vacuum applications (1 E-9 hPa)
3D模型
L-611.991xxxVx3DModel
报价/订购
就所需数量、价格和供货周期请求免费报价或描述您所需的改型。


















