规格
规格
兼容性 | L-500.AV1 | L-500.AV3(-Vx) | |||
|---|---|---|---|---|---|
安装类型* | (pos上的~) | (~上的pos)** | (pos上的~) | (~上的pos)** | |
HPS-170 | x | x (155) | x | – | |
L-406 | – | – | x | x | |
L-408 | – | – | – | x | |
L-412 | x | x (52) | x | – | |
L-417 | x | – | – | – | |
V-412.xxxxxxE0 | x | x (102) | x | – | |
V-412.xxxxxxE1 | x | x (52) | x | – | |
V-417.xxxxxxE0 | x | – | – | – | |
V-417.xxxxxxE1 | x | – | – | – | |
V-817 | – | – | – | – | |
L-509 | – | – | x | x | |
L-511 | x | x (155) | x | – | |
LMS-180 | x | – | x | – | |
LMS-230 | x | – | – | – | |
LMS-270 | x | – | x | – | |
LS-65 | – | – | x | – | |
LS-110 | x | x (155) | x | – | |
LS-120 | – | x | – | – | |
LS-180 | x | – | x | – | |
LS-270 | x | – | x | – | |
PLS-85 | – | – | x | x (102) | |
UPL-120 | – | – | – | x | |
UPM-160 | x | – | x | – | |
UPS-150 | x | x (155) | x | – | |
* Pos上的~:定位器上的转接支架;~上的pos:转接支架上的定位器
**括号中的值表示可进行此类安装的最大行程(毫米)
报价/订购
就所需数量、价格和供货周期请求免费报价或描述您所需的改型。
L-500.AV1
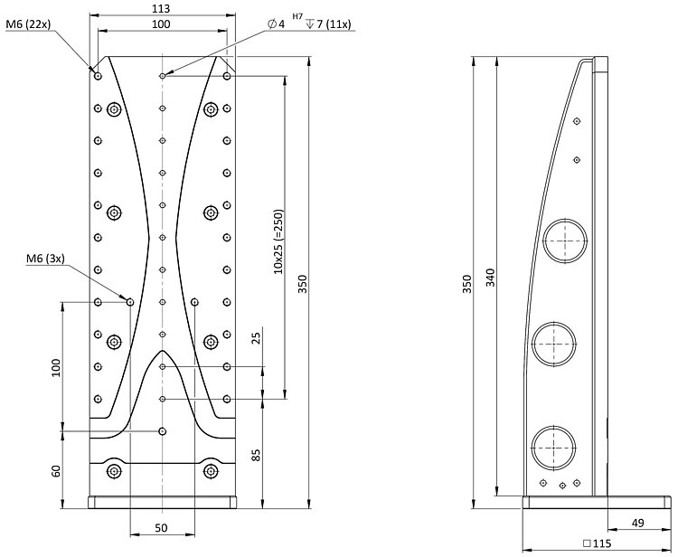
转接支架用于宽度达120毫米、长度达400毫米的定位器的垂直安装
L-500.AV3
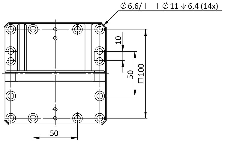
转接支架用于宽度达100毫米、长度达300毫米的定位器的垂直安装
L-500.AV3-V6
转接支架用于宽度达100毫米、长度达300毫米的定位器的垂直安装,真空兼容至10-6百帕
L-500.AV3-V9
转接支架用于宽度达100毫米、长度达300毫米的定位器的垂直安装,真空兼容至10-9百帕
































