规格
规格
| 6449911xxx | 6449921xxx | 64499xx1xx | 单位 | 公差 | |
|---|---|---|---|---|---|
带直流电机 | 带步进电机 | 带角度测量系统 | |||
主动轴 | 旋转 | 旋转 | |||
| 运动和定位 | |||||
旋转范围 | >360 | >360 | ° | ||
设计分辨率 | 1.75 (0.0001) | 175(0.01)(全步) | 1.33 (0.000076271) | 微弧度(°) | |
最小位移 | 17.5 (0.001) | 17.5 (0.001) | 5.24 (0.0003) | 微弧度(°) | 典型值 |
空回 | 35 (0.002) | 35 (0.002) | - | 微弧度(°) | 典型值 |
单向重复精度 | 175 (0.002) | 175 (0.002) | 5.24 (0.0003) | 微弧度(°) | 典型值 |
双向重复性 | _ | _ | ±8.72 (±0.0005) | 微弧度(°) | |
摆动(轴承) | ±17.5 (±0.001) | ±17.5 (±0.001) | 微弧度(°) | ||
平面度(轴承) | ±1 | ±1 | 微米 | ||
同心度(轴承) | ±2.5 | ±2.5 | 微米 | ||
速度 | 75 | 35 | 度/秒 | 最大 | |
| 机械特性 | |||||
蜗轮速比 | 180:1 | 180:1 | |||
负载能力/轴向力 | 500 | 500 | 牛 | 最大 | |
θX、θY向上的允许力矩Mx | 60 | 60 | 牛米 | 最大 | |
θZ向上的允许力矩Mz | 4 | 4 | 牛米 | 最大 | |
平台的倾斜刚性kα | 10 | 10 | 微弧度/牛米 | 最大 | |
| 驱动特性 | |||||
电机类型 | 直流电机 | 两相步进电机* | |||
工作电压 | 48 | 伏 | |||
电机功率 | 157 | 瓦 | |||
限位开关 | 2×霍尔效应 | 2×霍尔效应 | |||
| 其他 | |||||
工作温度范围 | -20 到 65 | -20 到 65 | °C | ||
材料 | 铝,阳极氧化致黑,不锈钢,红铜 | 铝,阳极氧化致黑,不锈钢,红铜 | |||
质量 | 8 | 8 | +0.7 | 千克 | ±5% |
推荐控制器/驱动器 | SMC Hydra(双通道) | SMC Hydra(双通道) |
*最大为2安/相;200步/转
真空版本的规格可能会有所不同。
电机和传感器的连接电缆不包含在发货范围内,必须单独下单采购。
报价/订购
就所需数量、价格和供货周期请求免费报价或描述您所需的改型。
6449911011
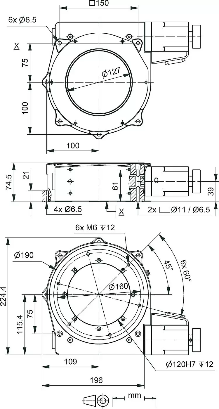
PRS-200精密转台,孔径为120毫米,直流电机,旋转范围>360度,可调磁性限位开关
6449911111
PRS-200精密转台,孔径为120毫米,直流电机,旋转范围>360度,带A/B正交信号传输的Winkelmesssystem,可调磁性限位开关
6449921011
PRS-200精密转台,孔径为120毫米,步进电机,旋转范围>360度,可调磁性限位开关
6449921111
PRS-200精密转台,孔径为120毫米,步进电机,旋转范围>360度,带正弦/余弦信号传输的Winkelmesssystem,可调磁性限位开关
若需配件,请下单时标明
720090000
平台与步进电机的连接电缆,3米
720190000
平台与直流电机的连接电缆,3米
721090000
平台与测量系统连接的整套电缆,3米














