M-060 • M-061 • M-062 精密旋转台
无限行程
- 无限行程
- 极高的分辨率
- 最大速度90度/秒
- 空回补偿型蜗杆传动
- ActiveDrive、直流电机或手动驱动器
- 方向感应参考点开关
M-060 • M-061 • M-062 精密旋转台
产品描述
规格
下载
报价/订购
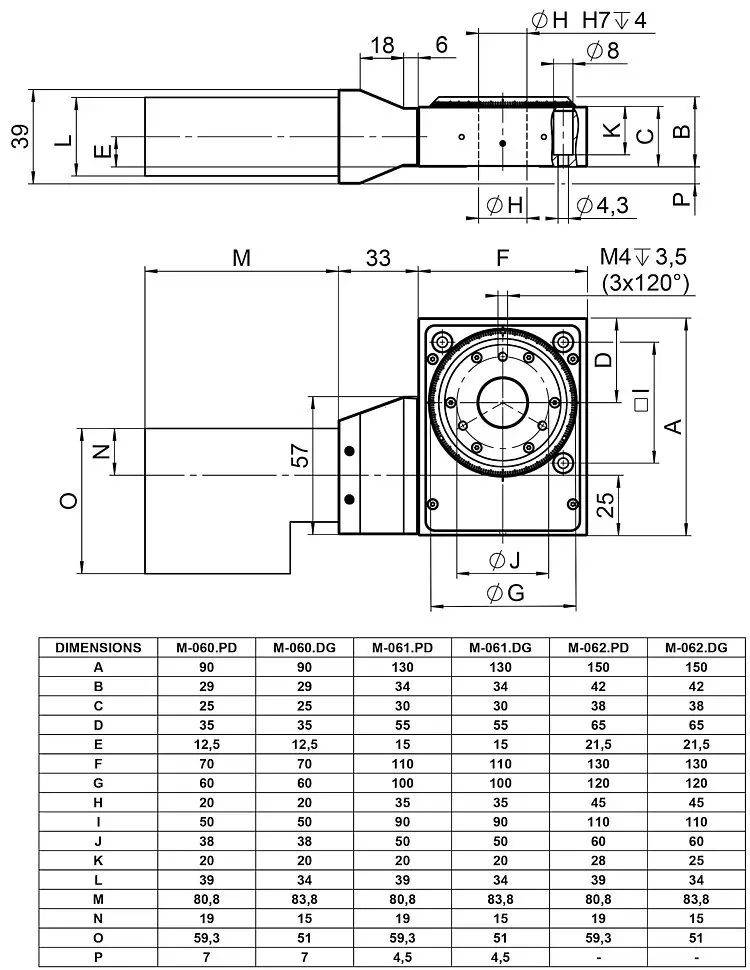
规格
规格
运动和定位 | M-060.PD/M-061.PD/M-062.PD | M-060.DG/M-061.DG/M-062.DG | 单位 | 公差 |
|---|---|---|---|---|
主动轴 | 旋转 | 旋转 | ||
旋转范围 | >360 | >360 | ° | |
集成传感器 | 旋转编码器 | 旋转编码器 | ||
传感器分辨率 | 4000 | 2000 | 步/圈 | |
设计分辨率 | 32 (0.0018) 17.5 (0.001) 15 (0.0008) | 2.1 (0.00012) 1.2 (6.9 x 10-5) 0.96 (5.5x10-5) | 微弧度(°) | |
最小位移 | 32 / 17.5 / 15 | 6.3 / 6 / 5 | 微弧度 | |
空回 | 200 / 200 / 240 | 200 / 200 / 240 | 微弧度 | |
单向重复精度 | 50 / 50 / 60 | 50 / 50 / 60 | 微弧度 | |
速度 | 90 | 16 / 9 / 7.5 | 度/秒 | 最大 |
连接电缆不包含在发货范围内,必须单独下单采购。
下载
产品注解
产品注解
Product Change Notification M-Portfolio-Streamlining Part-1
M-011.D0, M-035.D01, M-038.001, M-042.00, M-052.00, M-052.30, M-053.10, M-053.20, M-053.30, M-053.40, M-060.03, M-061.03, M-062.02, M-062.03, M-151.10, M-225.00
版本/日期
2019-02-19
pdf - 83 KB
English
数据表
文件
3D模型
3D模型
M-06x 3-D模型
zip - 4 MB
报价/订购
就所需数量、价格和供货周期请求免费报价或描述您所需的改型。
M-060.PD
精密转台,Ø60毫米,360度,ActiveDrive 直流电机
M-060.DG
精密转台,Ø60毫米,360度,闭环直流齿轮电机
M-061.PD
精密转台,Ø100毫米,360度,ActiveDrive 直流电机
M-061.DG
精密转台,Ø100毫米,360度,闭环直流齿轮电机
M-062.PD
精密转台,Ø120毫米,360度,ActiveDrive 直流电机
M-062.DG
精密转台,Ø120毫米,360度,闭环直流齿轮电机


















