V-610 紧凑型PIMag转台
高扭矩下的扁平化设计,载荷高达2千克
- 扁平紧凑型设计
- 用于透射光应用的通光孔径
- 可选制动闸
- PI开发的适合高驱动力矩的无铁芯PIMag力矩电机
V-610 紧凑型PIMag转台
产品描述
规格
下载
报价/订购
PIMag力矩电机
力矩电机为电磁直接驱动器。这些电机省去了动力传动系统中的机械部件,并将驱动力无摩擦地直接传递到运动平台。驱动器可实现高速度和高加速度。 无铁芯电机非常适合对精度有超高要求的定位任务,因为其不会与永久性磁铁发生不良作用。这样即使在超低的速度下也能保持平稳的运行,同时,在高速状态下也不会产生振动。避免了控制的非线性行为并且每个位置都很容易控制。驱动力可任意设定。
PIMag
如果定位系统需要使用市场上现有的驱动元件无法实现的特定性能特性(例如实现高力密度或紧凑设计),则PI会开发专有的磁性电机。PI开发的电机由PIMag品牌名称标识。
应用领域
样本检验. 精密微装配. 研究. 生物技术. 半导体技术. 计量. 自动化.
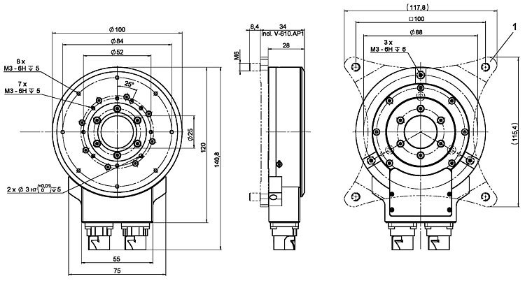
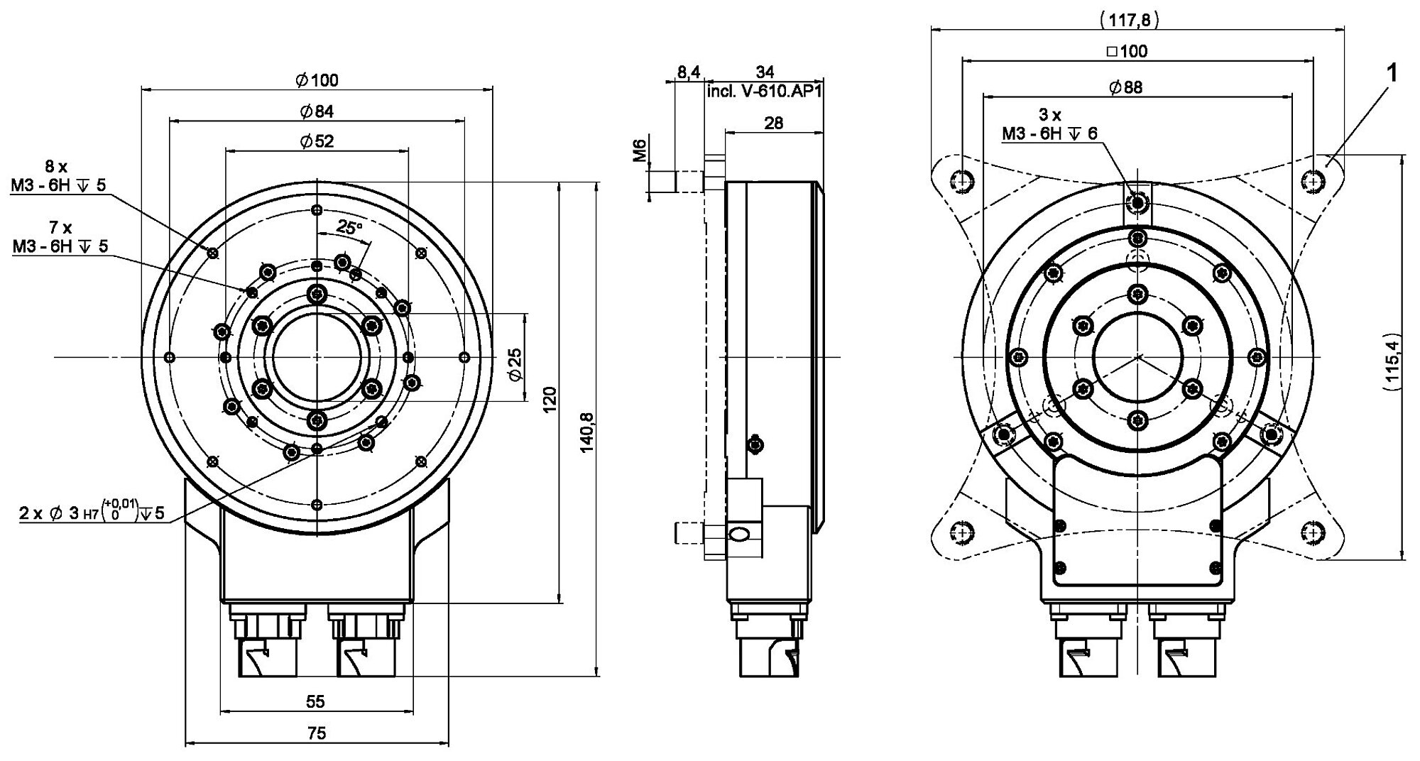
规格
规格
(1) +/- 5转,配有C-891控制器/控制器模块
(2)取决于底面。规格基于安装在铝表面上,该表面的大小为600毫米× 300毫米× 12.7毫米(长×宽×高)。
(3)电机和传感器连接分别需要单独的连接电缆(请参见订购信息)
下载
数据表
文件
文件
User Manual V610UM0001
V-610.998061 PIMAG® RotationStage
版本/日期
2021-08-31
pdf - 3 MB
版本/日期
2021-08-31
pdf - 3 MB
文件
User Manual V610UM0002
V-610.998061B PIMAG® RotationStage
版本/日期
2025-11-27
pdf - 3 MB
版本/日期
2025-11-27
pdf - 3 MB
3D模型
3D模型
V-610 3-D模型
版本/日期
2019-06-25
zip - 2 MB
报价/订购
就所需数量、价格和供货周期请求免费报价或描述您所需的改型。
V-610.998061
紧凑型PIMag 转台,直径为25毫米的通光孔径,无铁芯三相力矩电机,带正弦/余弦信号传输的增量角度测量系统
V-610.998061B
紧凑型PIMag 转台,直径为25毫米的通光孔径,无铁芯三相力矩电机,带正弦/余弦信号传输的增量角度测量系统, 制动闸
接装板
V-610.AP1
接装板用于将V-610 PIMag 转台安装到光学工作台上。材料:阳极氧化铝合金。质量:含螺丝150克。



















