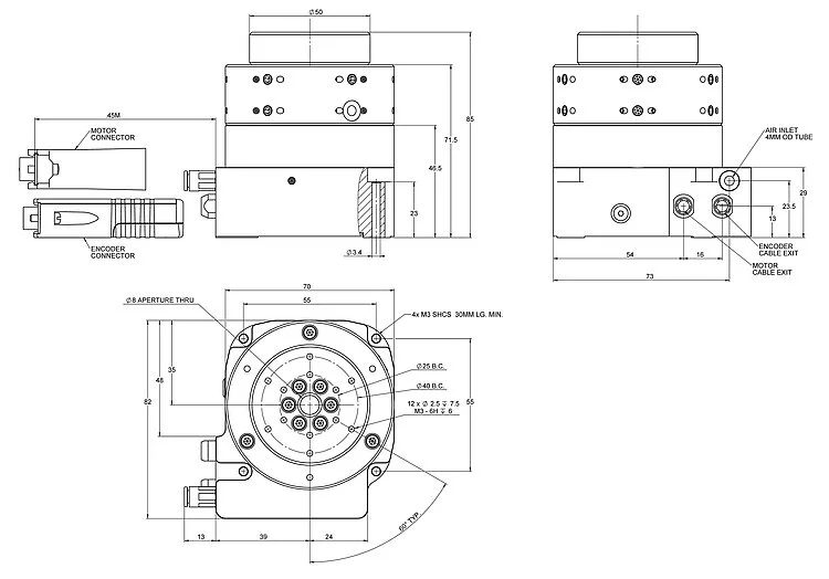
PIglide RM转台,空气轴承,运动平台直径为50mm,轴颈长度为25mm,带正弦/余弦信号传输的增量角度测量系统,8192线/转,无槽、无刷三相力矩电机
A-62x 带空气轴承的PIglideRM转台
无摩擦,适用于分度、定位、扫描、测量技术
- 与无尘室兼容
- 运动平台直径为50mm至300mm
- 负载能力达4170N
- 偏心度和平面度< 200nm
- 可水平或垂直安装
产品概述
PIglide RM系列电机驱动转台设计实现高准确性、精度和刚性以及便捷使用,可在任意方向上安装。
多种选项可组合在一起创建一种非常适用于点对点分度或恒速扫描的解决方案。
RM平台提供优异的运动精度、平面度和摇摆性能。 由于无摩擦、无需维护或润滑,其非常适用于在无尘室中使用。
三相力矩电机
- 无刷
- 无槽
- 低齿槽转矩
绝对编码器(可选配)
绝对编码器提供明确的位置信息,帮助即刻确定位置。 因此,接通时无需回零,从而提高了运行期间的效率和安全性。
附件和可选配件
- 编码器
- 可选配偏摆台
- 定制安装法兰
- 真空接头
- 滑环
- PIglide过滤器和空气预处理器
- 单轴或多轴运动控制器和伺服驱动器
- 花岗岩底座板和隔振系统
应用领域
光学对准、计量、检验系统、校准、扫描。
规格
规格
| 运动 | A-621.025A1 | A-621.025B1 | A-623.025A1 | A-623.025B1 | A-623.050A1 | A-623.050B1 | A-624.050A1 | A-624.050B1 | A-625.065A1 | A-625.065B1 | A-627.075A1 | A-627.075B1 | 公差 |
|---|---|---|---|---|---|---|---|---|---|---|---|---|---|
| 主动轴 | θZ | θZ | θZ | θZ | θZ | θZ | θZ | θZ | θZ | θZ | θZ | θZ | |
| θZ向的旋转范围 | 360 ° | 360 ° | 360 ° | 360 ° | 360 ° | 360 ° | 360 ° | 360 ° | 360 ° | 360 ° | 360 ° | 360 ° | |
| θZ向的最大角速度,空载 | 2500 rpm | 2500 rpm | 1200 rpm | 1200 rpm | 1200 rpm | 1200 rpm | 600 rpm | 600 rpm | 500 rpm | 500 rpm | 500 rpm | 500 rpm | |
| X向上的径向误差 | ± 0.15 µm | ± 0.15 µm | ± 0.087 µm | ± 0.087 µm | ± 0.087 µm | ± 0.087 µm | ± 0.05 µm | ± 0.05 µm | ± 0.1 µm | ± 0.05 µm | ± 0.075 µm | ± 0.037 µm | max. |
| 轴向误差 | ± 0.05 µm | ± 0.05 µm | ± 0.037 µm | ± 0.037 µm | ± 0.037 µm | ± 0.037 µm | ± 0.025 µm | ± 0.025 µm | ± 0.05 µm | ± 0.025 µm | ± 0.04 µm | ± 0.02 µm | max. |
| 绕X的倾斜误差(摆动角) | ± 2.5 µrad | ± 2.5 µrad | ± 1.5 µrad | ± 1.5 µrad | ± 1.5 µrad | ± 1.5 µrad | ± 1 µrad | ± 1 µrad | ± 1 µrad | ± 1 µrad | ± 0.5 µrad | ± 0.5 µrad | max. |
| 定位 | A-621.025A1 | A-621.025B1 | A-623.025A1 | A-623.025B1 | A-623.050A1 | A-623.050B1 | A-624.050A1 | A-624.050B1 | A-625.065A1 | A-625.065B1 | A-627.075A1 | A-627.075B1 | 公差 |
| θZ向的已校准定位精度 | ± 8 µrad | ± 8 µrad | ± 8 µrad | ± 8 µrad | ± 8 µrad | ± 8 µrad | ± 8 µrad | ± 8 µrad | ± 4 µrad | ± 8 µrad | ± 4 µrad | ± 8 µrad | typ. |
| θZ向的双向重复精度 | 8 µrad | 8 µrad | 8 µrad | 8 µrad | 8 µrad | 8 µrad | 8 µrad | 8 µrad | 3 µrad | 8 µrad | 3 µrad | 8 µrad | typ. |
| 参考点开关 | 1/转,一个传感器信号周期内差分脉冲,1Vpp | — | 1/转,一个传感器信号周期内差分脉冲,1Vpp | — | 1/转,一个传感器信号周期内差分脉冲,1Vpp | — | 1/转,一个传感器信号周期内差分脉冲,1Vpp | — | 1/转,编码器一步内一个计数,同步输出信号 | 1/转,编码器一步内一个计数,同步输出信号 | 1/转,一个传感器信号周期内差分脉冲,1Vpp | — | |
| 集成传感器 | 增量式角度测量系统 | 绝对式角度测量系统 | 增量式角度测量系统 | 绝对式角度测量系统 | 增量式角度测量系统 | 绝对式角度测量系统 | 增量式角度测量系统 | 绝对式角度测量系统 | 增量式角度测量系统 | 绝对式角度测量系统 | 增量式角度测量系统 | 绝对式角度测量系统 | |
| 传感器信号 | 正弦/余弦,1Vpp | BiSS-C | 正弦/余弦,1Vpp | BiSS-C | 正弦/余弦,1Vpp | BiSS-C | 正弦/余弦,1Vpp | BiSS-C | 正弦/余弦,1Vpp | BiSS-C | 正弦/余弦,1Vpp | BiSS-C | |
| 传感器信号周期/U | 8192 | — | 15744 | — | 15744 | — | 23600 | — | 31488 | — | 47200 | — | |
| 传感器分辨率 | 0.188 µrad | 0.006 µrad | 0.096 µrad | 0.006 µrad | 0.064 µrad | 0.006 µrad | 0.064 µrad | 0.006 µrad | 0.048 µrad | 0.006 µrad | 0.032 µrad | 0.006 µrad | |
| 驱动性能 | A-621.025A1 | A-621.025B1 | A-623.025A1 | A-623.025B1 | A-623.050A1 | A-623.050B1 | A-624.050A1 | A-624.050B1 | A-625.065A1 | A-625.065B1 | A-627.075A1 | A-627.075B1 | 公差 |
| 驱动类型 | 无铁芯三相力矩电机 | 无铁芯三相力矩电机 | 无铁芯三相力矩电机 | 无铁芯三相力矩电机 | 无铁芯三相力矩电机 | 无铁芯三相力矩电机 | 无铁芯三相力矩电机 | 无铁芯三相力矩电机 | 无铁芯三相力矩电机 | 无铁芯三相力矩电机 | 无铁芯三相力矩电机 | 无铁芯三相力矩电机 | |
| 标称电压 | 48 V | 48 V | 48 V | 48 V | 48 V | 48 V | 48 V | 48 V | 48 V | 48 V | 48 V | 48 V | |
| 峰值电压 | 80 V | 80 V | 80 V | 80 V | 80 V | 80 V | 80 V | 80 V | 80 V | 80 V | 80 V | 80 V | |
| 标称电流 | 3.3 A | 3.3 A | 3.1 A | 3.1 A | 3.1 A | 3.1 A | 2.3 A | 2.3 A | 2.3 A | 2.3 A | 4.5 A | 4.5 A | typ. |
| 峰值电流 | 9.9 A | 9.9 A | 9.3 A | 9.3 A | 9.3 A | 9.3 A | 6.9 A | 6.9 A | 6.9 A | 6.9 A | 13.9 A | 13.9 A | typ. |
| θZ向的顺时针驱动力矩 | 0.07 N·m | 0.07 N·m | 0.7 N·m | 0.7 N·m | 0.7 N·m | 0.7 N·m | 1.57 N·m | 1.57 N·m | 1.57 N·m | 1.57 N·m | 2.82 N·m | 2.82 N·m | max. |
| θZ向的逆时针驱动力矩 | 0.07 N·m | 0.07 N·m | 0.7 N·m | 0.7 N·m | 0.7 N·m | 0.7 N·m | 1.57 N·m | 1.57 N·m | 1.57 N·m | 1.57 N·m | 2.82 N·m | 2.82 N·m | max. |
| θZ向的顺时针峰值力矩 | 0.21 N·m | 0.21 N·m | 2.1 N·m | 2.1 N·m | 2.1 N·m | 2.1 N·m | 4.71 N·m | 4.71 N·m | 4.71 N·m | 4.71 N·m | 8.46 N·m | 8.46 N·m | max. |
| θZ向的逆时针峰值力矩 | 0.21 N·m | 0.21 N·m | 2.1 N·m | 2.1 N·m | 2.1 N·m | 2.1 N·m | 4.71 N·m | 4.71 N·m | 4.71 N·m | 4.71 N·m | 8.46 N·m | 8.46 N·m | max. |
| 力矩常数 | 0.03 N·m/A | 0.03 N·m/A | 0.26 N·m/A | 0.26 N·m/A | 0.26 N·m/A | 0.26 N·m/A | 0.59 N·m/A | 0.59 N·m/A | 0.59 N·m/A | 0.59 N·m/A | 0.61 N·m/A | 0.61 N·m/A | typ. |
| 相间电阻 | 2.7 Ω | 2.7 Ω | 4.2 Ω | 4.2 Ω | 4.2 Ω | 4.2 Ω | 6.7 Ω | 6.7 Ω | 6.7 Ω | 6.7 Ω | 4.5 Ω | 4.5 Ω | typ. |
| 相间电感 | 0.1 mH | 0.1 mH | 0.4 mH | 0.4 mH | 0.4 mH | 0.4 mH | 0.9 mH | 0.9 mH | 0.9 mH | 0.9 mH | 0.6 mH | 0.6 mH | |
| 相间反电动势,旋转 | 4.1 V/kRPM | 4.1 V/kRPM | 31.8 V/kRPM | 31.8 V/kRPM | 31.8 V/kRPM | 31.8 V/kRPM | 71 V/kRPM | 71 V/kRPM | 71 V/kRPM | 71 V/kRPM | 74 V/kRPM | 74 V/kRPM | max. |
| 极对数 | 6 | 6 | 14 | 14 | 14 | 14 | 24 | 24 | 24 | 24 | 32 | 32 | |
| 机械性能 | A-621.025A1 | A-621.025B1 | A-623.025A1 | A-623.025B1 | A-623.050A1 | A-623.050B1 | A-624.050A1 | A-624.050B1 | A-625.065A1 | A-625.065B1 | A-627.075A1 | A-627.075B1 | 公差 |
| X向的刚性 | 8 N/µm | 8 N/µm | 18 N/µm | 18 N/µm | 35 N/µm | 35 N/µm | 64 N/µm | 64 N/µm | 110 N/µm | 110 N/µm | 204 N/µm | 204 N/µm | |
| Y向的刚性 | 8 N/µm | 8 N/µm | 18 N/µm | 18 N/µm | 35 N/µm | 35 N/µm | 64 N/µm | 64 N/µm | 110 N/µm | 110 N/µm | 204 N/µm | 204 N/µm | |
| Z向的刚性 | 26 N/µm | 26 N/µm | 96 N/µm | 96 N/µm | 96 N/µm | 96 N/µm | 210 N/µm | 210 N/µm | 385 N/µm | 385 N/µm | 788 N/µm | 788 N/µm | |
| X向的允许推力 | 57 N | 57 N | 115 N | 115 N | 229 N | 229 N | 344 N | 344 N | 577 N | 577 N | 1203 N | 1203 N | max. |
| Y向的允许推力 | 57 N | 57 N | 115 N | 115 N | 229 N | 229 N | 344 N | 344 N | 577 N | 577 N | 1203 N | 1203 N | max. |
| Z向的允许推力 | 134 N | 134 N | 536 N | 536 N | 536 N | 536 N | 1206 N | 1206 N | 2144 N | 2144 N | 4244 N | 4244 N | max. |
| X向的允许拉力 | 57 N | 57 N | 115 N | 115 N | 229 N | 229 N | 344 N | 344 N | 577 N | 577 N | 1203 N | 1203 N | max. |
| Y向的允许拉力 | 57 N | 57 N | 115 N | 115 N | 229 N | 229 N | 344 N | 344 N | 577 N | 577 N | 1203 N | 1203 N | max. |
| Z向的允许拉力 | 134 N | 134 N | 536 N | 536 N | 536 N | 536 N | 1206 N | 1206 N | 2144 N | 2144 N | 4244 N | 4244 N | max. |
| θX向的允许力矩 | 0.57 N·m | 0.57 N·m | 1.7 N·m | 1.7 N·m | 4.52 N·m | 4.52 N·m | 22.6 N·m | 22.6 N·m | 39.6 N·m | 39.6 N·m | 141.3 N·m | 141.3 N·m | max. |
| θY向的允许力矩 | 0.57 N·m | 0.57 N·m | 1.7 N·m | 1.7 N·m | 4.52 N·m | 4.52 N·m | 22.6 N·m | 22.6 N·m | 39.6 N·m | 39.6 N·m | 141.3 N·m | 141.3 N·m | max. |
| θZ向的惯性力矩,空载 | 290 kg·mm² | 290 kg·mm² | 1530 kg·mm² | 1530 kg·mm² | 2450 kg·mm² | 2450 kg·mm² | 10450 kg·mm² | 10450 kg·mm² | 32240 kg·mm² | 32240 kg·mm² | 196020 kg·mm² | 196020 kg·mm² | ±20 % |
| θZ向的移动质量,空载 | 400 g | 400 g | 1200 g | 1200 g | 1400 g | 1400 g | 3200 g | 3200 g | 6900 g | 6900 g | 21500 g | 21500 g | ±5 % |
| 轴承类型 | 带空气预载的空气轴承 | 带空气预载的空气轴承 | 带空气预载的空气轴承 | 带空气预载的空气轴承 | 带空气预载的空气轴承 | 带空气预载的空气轴承 | 带空气预载的空气轴承 | 带空气预载的空气轴承 | 带空气预载的空气轴承 | 带空气预载的空气轴承 | 带空气预载的空气轴承 | 带空气预载的空气轴承 | |
| 轴颈长度 | 25 mm | 25 mm | 25 mm | 25 mm | 50 mm | 50 mm | 50 mm | 50 mm | 65 mm | 65 mm | 75 mm | 75 mm | |
| 总质量 | 1200 g | 1200 g | 3100 g | 3100 g | 4500 g | 4500 g | 8600 g | 8600 g | 14000 g | 14000 g | 50000 g | 50000 g | ±5 % |
| 材料 | 铝、不锈钢 | 铝、不锈钢 | 铝、不锈钢 | 铝、不锈钢 | 铝、不锈钢 | 铝、不锈钢 | 铝、不锈钢 | 铝、不锈钢 | 铝、不锈钢 | 铝、不锈钢 | 铝、不锈钢 | 铝、不锈钢 | |
| 运动平台直径 | 50 mm | 50 mm | 100 mm | 100 mm | 100 mm | 100 mm | 150 mm | 150 mm | 200 mm | 200 mm | 300 mm | 300 mm | |
| 其他 | A-621.025A1 | A-621.025B1 | A-623.025A1 | A-623.025B1 | A-623.050A1 | A-623.050B1 | A-624.050A1 | A-624.050B1 | A-625.065A1 | A-625.065B1 | A-627.075A1 | A-627.075B1 | 公差 |
| 工作温度范围 | 15至25 °C | 15至25 °C | 15至25 °C | 15至25 °C | 15至25 °C | 15至25 °C | 15至25 °C | 15至25 °C | 15至25 °C | 15至25 °C | 15至25 °C | 15至25 °C | |
| 接头 | D-sub 9W4(公头) | D-sub 9W4(公头) | D-sub 9W4(公头) | D-sub 9W4(公头) | D-sub 9W4(公头) | D-sub 9W4(公头) | D-sub 9W4(公头) | D-sub 9W4(公头) | D-sub 9W4(公头) | D-sub 9W4(公头) | D-sub 9W4(公头) | D-sub 9W4(公头) | |
| 传感器连接器 | D-sub 15(公头) | D-sub 15(公头) | D-sub 15(公头) | D-sub 15(公头) | D-sub 15(公头) | D-sub 15(公头) | D-sub 15(公头) | D-sub 15(公头) | D-sub 15(公头) | D-sub 15(公头) | D-sub 15(公头) | D-sub 15(公头) | |
| 工作压力 | 515至585 kPa | 515至585 kPa | 515至585 kPa | 515至585 kPa | 515至585 kPa | 515至585 kPa | 515至585 kPa | 515至585 kPa | 515至585 kPa | 515至585 kPa | 515至585 kPa | 515至585 kPa | |
| 耗气量 | 56 L/min | 56 L/min | 56 L/min | 56 L/min | 56 L/min | 56 L/min | 56 L/min | 56 L/min | 56 L/min | 56 L/min | 56 L/min | 56 L/min | max. |
| 空气质量 | 清洁(过滤高达1.0µm或更佳)- ISO 8573–1一级 ǀ 无油 - ISO 8573–1一级 ǀ 干燥(-15°C露点)- ISO 8573–1三级 | 清洁(过滤高达1.0µm或更佳)- ISO 8573–1一级 ǀ 无油 - ISO 8573–1一级 ǀ 干燥(-15°C露点)- ISO 8573–1三级 | 清洁(过滤高达1.0µm或更佳)- ISO 8573–1一级 ǀ 无油 - ISO 8573–1一级 ǀ 干燥(-15°C露点)- ISO 8573–1三级 | 清洁(过滤高达1.0µm或更佳)- ISO 8573–1一级 ǀ 无油 - ISO 8573–1一级 ǀ 干燥(-15°C露点)- ISO 8573–1三级 | 清洁(过滤高达1.0µm或更佳)- ISO 8573–1一级 ǀ 无油 - ISO 8573–1一级 ǀ 干燥(-15°C露点)- ISO 8573–1三级 | 清洁(过滤高达1.0µm或更佳)- ISO 8573–1一级 ǀ 无油 - ISO 8573–1一级 ǀ 干燥(-15°C露点)- ISO 8573–1三级 | 清洁(过滤高达1.0µm或更佳)- ISO 8573–1一级 ǀ 无油 - ISO 8573–1一级 ǀ 干燥(-15°C露点)- ISO 8573–1三级 | 清洁(过滤高达1.0µm或更佳)- ISO 8573–1一级 ǀ 无油 - ISO 8573–1一级 ǀ 干燥(-15°C露点)- ISO 8573–1三级 | 清洁(过滤高达1.0µm或更佳)- ISO 8573–1一级 ǀ 无油 - ISO 8573–1一级 ǀ 干燥(-15°C露点)- ISO 8573–1三级 | 清洁(过滤高达1.0µm或更佳)- ISO 8573–1一级 ǀ 无油 - ISO 8573–1一级 ǀ 干燥(-15°C露点)- ISO 8573–1三级 | 清洁(过滤高达1.0µm或更佳)- ISO 8573–1一级 ǀ 无油 - ISO 8573–1一级 ǀ 干燥(-15°C露点)- ISO 8573–1三级 | 清洁(过滤高达1.0µm或更佳)- ISO 8573–1一级 ǀ 无油 - ISO 8573–1一级 ǀ 干燥(-15°C露点)- ISO 8573–1三级 | |
| 推荐控制器/驱动器 | A-81x, A-82x | A-81x, A-82x | A-81x, A-82x | A-81x, A-82x | A-81x, A-82x | A-81x, A-82x | A-81x, A-82x | A-81x, A-82x | A-81x, A-82x | A-81x, A-82x | A-81x, A-82x | A-81x, A-82x |
PI技术数据是在22±3°C环境温度下定义的。除非有特别说明,所有数值均基于无负载的情况。某些性能参数是相互关联的。“typ.”标识 是指属性的统计平均值,并非承诺每个交付产品均达到该数值。在产品交付前的最后检验中,我们只检测选定的属性,而不是全部属性。请注意,产品的某些特性可能会随着使用时间的增长而逐渐下降。
下载
产品注解
Product Change Notification A-xxx.*C1
数据表
文件
用户使用手册A-62x
用户使用手册A-62x
3D模型
A-62x 3-D模型
报价/订购
就所需数量、价格和供货周期请求免费报价或描述您所需的改型。
PIglide RM转台,空气轴承,运动平台直径为50mm,轴颈长度为25mm,带BiSS-C信号传输的绝对角度测量系统,传感器分辨率为0.006µrad,无槽、无刷三相力矩电机
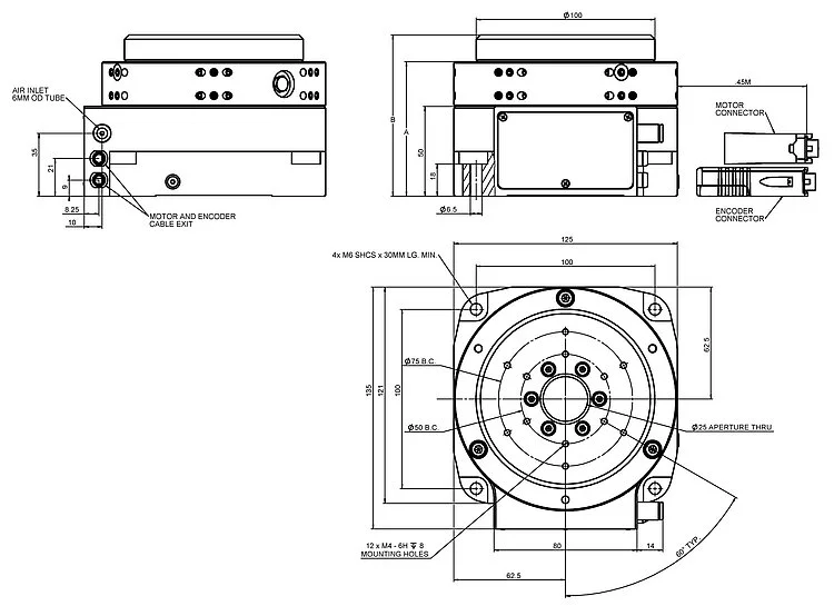
PIglide RM转台,空气轴承,运动平台直径为100mm,轴颈长度为25mm,带正弦/余弦信号传输的增量角度测量系统,15744线/转,无槽、无刷三相力矩电机
PIglide RM转台,空气轴承,运动平台直径为100mm,轴颈长度为25mm,带BiSS-C信号传输的绝对角度测量系统,传感器分辨率为0.006µrad,无槽、无刷三相力矩电机
PIglide RM转台,空气轴承,运动平台直径为100mm,轴颈长度为50mm,带正弦/余弦信号传输的增量角度测量系统,15744线/转,无槽、无刷三相力矩电机
PIglide RM转台,空气轴承,运动平台直径为100mm,轴颈长度为50mm,带BiSS-C信号传输的绝对角度测量系统,传感器分辨率为0.006µrad,无槽、无刷三相力矩电机
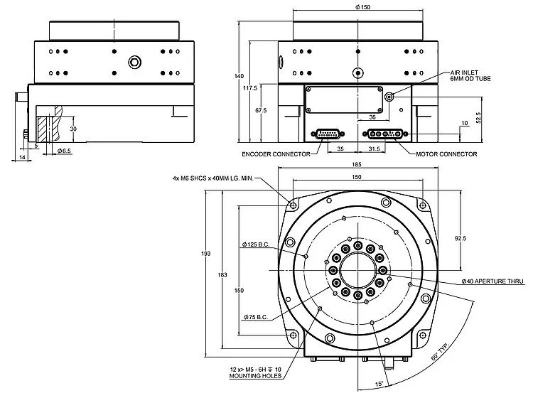
PIglide RM转台,空气轴承,运动平台直径为150mm,轴颈长度为50mm,带正弦/余弦信号传输的增量角度测量系统,23600线/转,无槽、无刷三相力矩电机
PIglide RM转台,空气轴承,运动平台直径为150mm,轴颈长度为50mm,带BiSS-C信号传输的绝对角度测量系统,传感器分辨率为0.006µrad,无槽、无刷三相力矩电机
PIglide RM转台,空气轴承,运动平台直径为200mm,轴颈长度为65mm,带正弦/余弦信号传输的增量角度测量系统,31488线/转,无槽、无刷三相力矩电机
PIglide RM转台,空气轴承,运动平台直径为200mm,轴颈长度为65mm,带BiSS-C信号传输的绝对角度测量系统,传感器分辨率为0.006µrad,无槽、无刷三相力矩电机
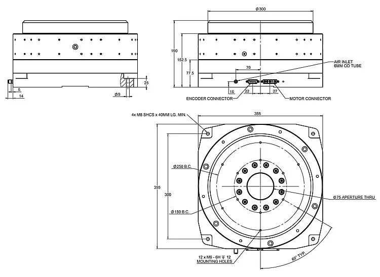
PIglide RM转台,空气轴承,运动平台直径为300mm,轴颈长度为75mm,带正弦/余弦信号传输的增量角度测量系统,47200线/转,无槽、无刷三相力矩电机
PIglide RM转台,空气轴承,运动平台直径为300mm,轴颈长度为75mm,带BiSS-C信号传输的绝对角度测量系统,传感器分辨率为0.006µrad,无槽、无刷三相力矩电机



























