A-60x PIglideRT旋转空气轴承模块
无摩擦,非电机驱动
- 运动平台直径为50 毫米至300 毫米
- 负载容量达425 公斤
- 偏心度 / 平面度<200 纳米
- 可水平或垂直安装
产品概述
PIglideRT系列非电机驱动无源旋转空气轴承设计具有高准确性、高精密度、高刚性和简单易用等特点。其可在任意方向上使用并能够方便地集成电机和编码器,从而形成完整的定位解决方案。
RT系列轴承提供优异的偏心度、平面度和摆动性能。由于其完全无摩擦,因此在操作期间无启动转矩和摩擦阻力。 其非常适合在无尘室中使用,无需维护或润滑,使用寿命不受限制。
附件和可选配件
- 手动操作期间用于精确采集平台角度的编码器
- 用于在光学平台和平整表面上进行水平安装的安装底座
- PIglide过滤器和空气预处理器
- 定制安装法兰和方形外壳
应用领域
光学对准、计量、零件检验、校准、扫描、力矩测量。
由于运动无摩擦,不会形成颗粒,PIglide平台非常适用于无尘室应用。
规格
规格
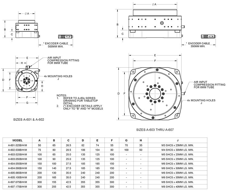
尺寸和负载 | 运动平台直径/毫米 | 轴颈长度 / 毫米 | 负载能力(1)轴向 / 径向 /牛 | 允许倾斜力矩(1) / 牛米 | 刚性轴向/径向 / 牛 / 微米 |
|---|---|---|---|---|---|
A-601.025 | 50 | 25 | 134 / 57 | 0.57 | 26 / 8 |
A-602.038 | 75 | 38 | 299 / 132 | 1.13 | 57 / 22 |
A-603.025 | 100 | 25 | 536 / 115 | 1.70 | 96 / 18 |
A-603.050 | 100 | 50 | 536 / 229 | 4.52 | 96 / 35 |
A-604.050 | 150 | 50 | 1206 / 344 | 22.6 | 210 / 64 |
A-604.090 | 150 | 90 | 1206 / 605 | 36.7 | 210 / 113 |
A-605.065 | 200 | 65 | 2144 / 577 | 39.6 | 385 / 110 |
A-605.100 | 200 | 100 | 2144 / 917 | 67.8 | 385 / 175 |
A-607.075 | 300 | 75 | 4244 / 1203 | 141.3 | 788 / 204 |
A-607.175 | 300 | 175 | 4244 / 2789 | 282.5 | 788 / 475 |
性能规格 | 偏心度(2) / 纳米 | 平面度(2) / 纳米 | 摆动(2) / 微弧度 | 最大速度(3) / 每分钟转速 | 惯性力矩 / 千克平方毫米 | 旋转质量/千克 | 总质量 / 千克 |
|---|---|---|---|---|---|---|---|
A-601.025 | 300 | 100 | 5 | 3000 | 35 | 0.15 | 0.4 |
A-602.038 | 250 | 75 | 4 | 3000 | 231 | 0.4 | 1.2 |
A-603.025 | 175 | 75 | 2.5 | 3000 | 705 | 0.7 | 1.5 |
A-603.050 | 175 | 75 | 2.5 | 3000 | 750 | 0.8 | 2.5 |
A-604.050 | 100 | 50 | 2 | 3000 | 4715 | 2.1 | 5.4 |
A-604.090 | 100 | 50 | 2 | 3000 | 5050 | 2.6 | 8.2 |
A-605.065 | 100 | 50 | 1.5 | 2000 | 17900 | 4.6 | 11.6 |
A-605.100 | 100 | 50 | 1.5 | 2000 | 18800 | 5.3 | 16.3 |
A-607.075 | 75 | 40 | 1 | 1000 | 181900 | 19.4 | 38.1 |
A-607.175 | 75 | 40 | 1 | 1000 | 206700 | 26.0 | 59.0 |
可选编码器 | 传感器信号 | 传感器分辨率 / 微弧度 | 最大速度 / 每分钟转速 | 参考点开关 |
|---|---|---|---|---|
A-601.xxxH | A/B正交,差动,RS-422,4兆赫兹 | 192 | 2500 | 1 / 转,编码器一步内一个计数,同步以输出信号 |
A-602.xxxH | A/B正交,差动,RS-422,4兆赫兹 | 133 | 2000 | 1 / 转,编码器一步内一个计数,同步以输出信号 |
A-603.xxxH | A/B正交,差动,RS-422,4兆赫兹 | 100 | 1500 | 1 / 转,编码器一步内一个计数,同步以输出信号 |
A-604xxxH | A/B正交,差动,RS-422,4兆赫兹 | 66.4 | 1000 | 1 / 转,编码器一步内一个计数,同步以输出信号 |
A-605.xxxH | A/B正交,差动,RS-422,4兆赫兹 | 50 | 800 | 1 / 转,编码器一步内一个计数,同步以输出信号 |
A-607.xxxH | A/B正交,差动,RS-422,4兆赫兹 | 33.5 | 500 | 1 / 转,编码器一步内一个计数,同步以输出信号 |
A-601.xxxB | 绝对,BiSS-C 32位 | 0.0015 | 3500 | – |
A-602.xxxB | 绝对,BiSS-C 32位 | 0.0015 | 3000 | – |
A-603.xxxB | 绝对,BiSS-C 32位 | 0.0015 | 2000 | – |
A-604.xxxB | 绝对,BiSS-C 32位 | 0.0015 | 1500 | – |
A-605.xxxB | 绝对,BiSS-C 32位 | 0.0015 | 1000 | – |
A-607.xxxB | 绝对,BiSS-C 32位 | 0.0015 | 500 | – |
报价/订购
就所需数量、价格和供货周期请求免费报价或描述您所需的改型。




















