V-408 PIMag线性平台
价格便宜,带线性电机
- 用于实现高负载能力的交叉滚柱导轨
- 最小位移为20纳米
- 双向重复精度为±0.1微米
- 紧凑型设计
- 价格低
- PI开发的铁芯PIMag线性电机
V-408 PIMag线性平台
产品描述
规格
下载
报价/订购
PIMag线性电机
线性电机为电磁直接驱动器。此类电机省去了动力传动系统中的机械部件,并将驱动力无摩擦地直接传递到运动平台。驱动器可实现高速度和高加速度。 力和加速度需要在有限安装空间内实现时,使用铁芯电机。铁芯设计使磁力最大化,确保驱动器的高热稳定性。
PIMag
如果定位系统需要使用市场上现有的驱动元件无法实现的特定性能特性(例如实现高力密度或紧凑设计),则PI会开发专有的磁性电机。PI开发的电机由PIMag品牌名称标识。
交叉滚柱导轨
对于交叉滚柱导轨,滚珠导轨中的滚珠的接触点被淬火滚柱的线接触取代。因此,它们的刚度明显提高,需要的预载更小,这减少了摩擦并实现了更平滑的运行。交叉滚柱导轨还具有高导向精度和高负载能力的特征。力导向滚动体保持架防止保持架蠕变。
直接位置测量
以极高的精度直接在运动平台上进行位置测量,因此非线性效应、机械作用或弹性形变不会对位置测量造成影响。
应用领域
工业和科研。对动态和精度具有高要求的自动化技术。
下载
数据表
文件
文件
用户使用手册V408M0001
V-408.132020 PIMAG®定位器
版本/日期
2025-01-29
pdf - 2 MB
版本/日期
2025-01-29
pdf - 2 MB
文件
用户使用手册V408M0002
V-408.232020 PIMAG®定位器
版本/日期
2025-01-29
pdf - 2 MB
版本/日期
2025-01-29
pdf - 2 MB
3D模型
3D模型
V-408 3D model
zip - 374 KB
三维动画模型
三维动画模型
三维动画模型V-408.232020
zip - 363 KB
报价/订购
就所需数量、价格和供货周期请求免费报价或描述您所需的改型。
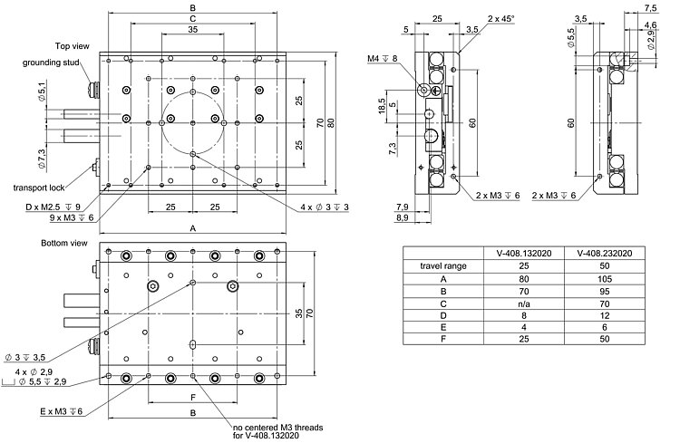
V-408.132020
PIMag 线性平台,80毫米宽度,25毫米行程,80牛负载容量,增量带正弦/余弦信号传输的线性编码器,80微米传感器信号周期,铁芯三相线性电机,48伏
V-408.232020
PIMag 线性平台,80毫米宽度,50毫米行程,80牛负载容量,增量带正弦/余弦信号传输的线性编码器,80微米传感器信号周期,铁芯三相线性电机,48伏




















