V-Z02.016211E0 新产品!
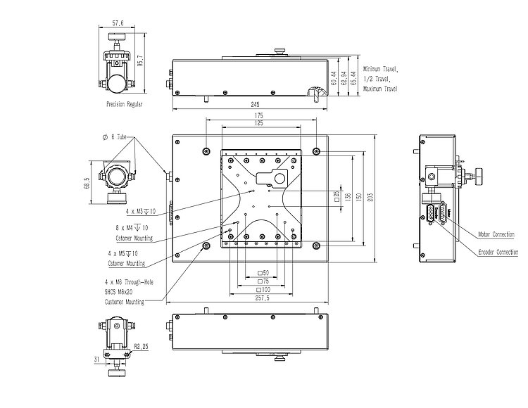
高负载精密Z向位移台;无铁芯三相直线电机;宽度为203mm;行程为5mm;负载能力为100N;最大速度为20mm/s;增量直线光栅尺,传感器信号周期为20µm,正弦/余弦,1Vpp
精密级Z向位移台
非常准确和可靠的定位。用于在高负载时进行平稳进给的防蠕动交叉滚柱导轨。
直线电机直接驱动器
三相磁性直接驱动器在动力传动系统中未使用机械零件,其可直接将驱动力传输至运动平台,且无摩擦。驱动器可实现高速度和高加速度。无铁芯电机非常适合对精度有超高要求的定位任务,因为其不会与永久性磁铁发生不良作用。这样即使在超低的速度下也能保持平稳的运行,同时,在高速状态下也不会产生振动。
增量式直线光栅尺用于高精度位置测量
非接触式可选编码器以极高的精度直接在平台上测量位置。非线性效应、机械间隙或弹性形变不会对测量造成影响。
平衡配重系统
集成气动平衡器,作用力高达100N。
应用领域
适用于工业和科研领域,例如:半导体检测。精密自动化领域的高动态应用。
| 运动 | V-Z02.016211E0 | 公差 |
|---|---|---|
| 主动轴 | Z | |
| Z向上的行程 | 5 mm | |
| Z向上的最大速度,空载 | 20 mm/s | |
| X向上的直线度误差 | ± 1.5 µm | typ. |
| Y向上的直线度误差 | ± 2 µm | typ. |
| 绕X的角度误差 | ± 18 µrad | typ. |
| 绕Y的角度误差 | ± 45 µrad | typ. |
| 定位 | V-Z02.016211E0 | 公差 |
| Z向上的最小位移 | 0.05 µm | typ. |
| Z向上的已校准定位精度 | ± 0.3 µm | typ. |
| Z向上的双向重复精度 | 0.4 µm | typ. |
| 集成传感器 | 增量直线光栅尺 | |
| 传感器信号 | 正弦/余弦,1Vpp | |
| 传感器信号周期 | 20 µm | |
| Z向上的系统分辨率 | 0.2 nm | |
| 驱动性能 | V-Z02.016211E0 | 公差 |
| 驱动类型 | 无铁芯三相直线电机 | |
| 标称电压 | 48 V | |
| 标称电流,均方根 | 3.2 A | typ. |
| 峰值电流,均方根 | 7.3 A | typ. |
| Z向上的驱动力 | 40 N | typ. |
| Z向上的峰值力 | 90 N | |
| 力常数 | 12.4 N/A | |
| 电机常数 | 29 N/√W | typ. |
| 时间常数 | 0.36 ms | |
| 相间电阻 | 1.8 Ω | typ. |
| 相间电感 | 0.62 mH | |
| 相间反电动势 | 10.1 V·s/m | max. |
| N-N极距 | 24 mm | |
| 100%占空比的线圈功耗 | 70 W | |
| 机械性能 | V-Z02.016211E0 | 公差 |
| Z向上的允许推力 | 100 N | max. |
| 导轨 | 交叉滚柱导轨 | |
| 总质量 | 4400 g | |
| 材料 | 阳极氧化致黑铝、不锈钢 | |
| 其他 | V-Z02.016211E0 | 公差 |
| 工作温度范围 | 5至40 °C | |
| 连接器 | HD D-sub 26针(公头) | |
| 传感器连接器 | D-sub 15针(公头) | |
| 推荐控制器/驱动器 | S-C02-2CST、S-C02-2CSC、G-910.RC0242200、模块化ACS控制器 |
PI技术数据是在22±3°C环境温度下定义的。除非有特别说明,所有数值均基于无负载的情况。某些性能参数是相互关联的。“typ.”标识 是指属性的统计平均值,并非承诺每个交付产品均达到该数值。在产品交付前的最后检验中,我们只检测选定的属性,而不是全部属性。请注意,产品的某些特性可能会随着使用时间的增长而逐渐下降。
就所需数量、价格和供货周期请求免费报价或描述您所需的改型。
高负载精密Z向位移台;无铁芯三相直线电机;宽度为203mm;行程为5mm;负载能力为100N;最大速度为20mm/s;增量直线光栅尺,传感器信号周期为20µm,正弦/余弦,1Vpp