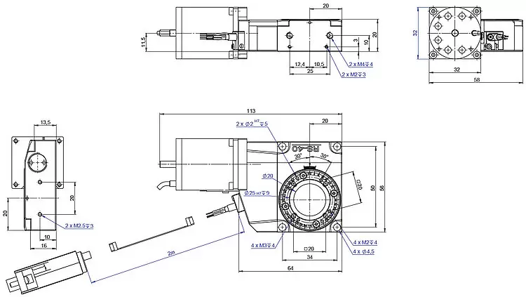
RS-40 V7 Compact Rotation Stage Suitable for Vacuum
- 适用于高达10-7百帕的真空度
- 无限行程
- 重复精度达87微弧度
- 孔径为20毫米
- 参考点开关
RS-40 V7 Compact Rotation Stage Suitable for Vacuum
产品描述
规格
下载
报价/订购
报价/订购
就所需数量、价格和供货周期请求免费报价或描述您所需的改型。
3216V21000
RS-40 转台,孔径为20毫米,步进电机,磁性参考点开关,真空兼容至10-7百帕
转接支架
6100V075
转接支架 AB-65 L,真空兼容至10-9百帕













