P-611.XZ • P-611.2 XZ和XYZ向纳米定位器
用于纳米定位的紧凑型双轴压电陶瓷系统
- 结构紧凑:表面44 毫米×44 毫米
- 行程达120 微米×120微米
- 分辨率达0.2纳米
- 极其经济实惠的系统(机械部件和控制器)
- 零间隙,高精度柔性铰链导向系统
- PICMA压电陶瓷促动器带来超长使用寿命
- 也可提供线性和Z向位移台以及XYZ版本
规格
规格
P-611.2S | P-611.20 | P-611.XZS | P-611.XZ0 | 单位 | 公差 | |
|---|---|---|---|---|---|---|
主动轴 | X, Y | X, Y | X, Z | X, Z | ||
运动和定位 | ||||||
集成传感器 | 应变片传感器 | – | 应变片传感器 | – | ||
-20至120 伏时的开环行程 | 120 | 120 | 120 | 120 | 微米 | +20 % / -0 % |
行程,闭环 | 100 | – | 100 | – | 微米 | |
分辨率,开环 | 0.2 | 0.2 | 0.2 | 0.2 | 纳米 | 典型值 |
分辨率,闭环 | 2 | – | 2 | – | 纳米 | 典型值 |
线性误差 | 0.1 | – | 0.1 | – | % | 典型值 |
重复精度 | <10 | – | <10 | – | 纳米 | 典型值 |
X、Y向上的螺距 | ±5 | ±5 | ±5 | ±5 | 微弧度 | 典型值 |
θX向上的倾斜(Z向运动) | – | – | ±10 | ±10 | 微弧度 | 典型值 |
X向上的偏转角 | ±20 | ±20 | ±20 | ±20 | 微弧度 | 典型值 |
Y向上的偏转角 | ±10 | ±10 | – | – | 微弧度 | 典型值 |
θY向上的倾斜(Z向运动) | – | – | ±10 | ±10 | 微弧度 | 典型值 |
机械特性 | ||||||
刚度 | 0.2 | 0.2 | 0.2 Z:0.35 | 0.2 Z:0.35 | 牛/微米 | ±20 % |
谐振频率,空载 | X:345; Y:270 | X:345; Y:270 | X:365; Z:340 | X:365; Z:340 | 赫兹 | ±20 % |
带30 克负载时的谐振频率 | X:270; Y:225 | X:270; Y:225 | X:280; Z:295 | X:280; Z:295 | 赫兹 | ±20 % |
带100 克负载时的谐振频率 | X:180; Y:165 | X:180; Y:165 | X:185; Z:230 | X:185; Z:230 | 赫兹 | ±20 % |
运动方向上的推/拉力 | 15 / 10 | 15 / 10 | 15 / 10 | 15 / 10 | 牛 | 最大 |
负载容量 | 15 | 15 | 15 | 15 | 牛 | 最大 |
驱动特性 | ||||||
陶瓷类型 | PICMAP-885 | PICMAP-885 | PICMAP-885 | PICMAP-885 | ||
电容 | 1.5 | 1.5 | 1.5 | 1.5 | 微法 | ±20 % |
其他 | ||||||
工作温度范围 | -20 到 80 | -20 到 80 | -20 到 80 | -20 到 80 | °C | |
材料 | 铝、钢 | 铝、钢 | 铝、钢 | 铝、钢 | ||
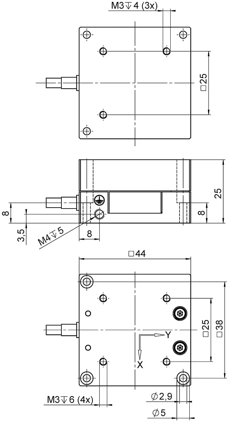
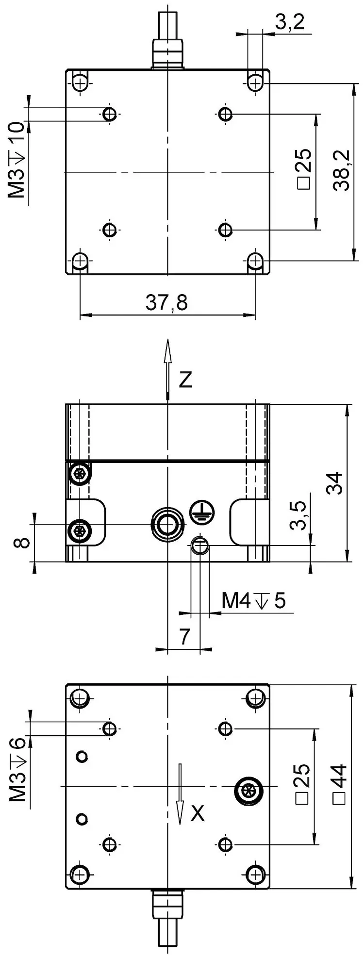
尺寸 | 44 毫米 × 44 毫米 × 25 毫米 | 44 毫米 × 44 毫米 × 25 毫米 | 44 毫米 × 44 毫米 × 34 毫米 | 44 毫米 × 44 毫米 × 34 毫米 | ||
质量 | 0.235 | 0.235 | 0.27 | 0.27 | 千克 | ±5 % |
电缆长度 | 1.5 | 1.5 | 1.5 | 1.5 | 米 | ±10 毫米 |
传感器连接 | LEMO | – | LEMO | – | ||
电压连接 | LEMO | LEMO | LEMO | LEMO | ||
推荐电控 | E-503、E-505、E-663、E-664、E-727 | E-503、E-505、E-663、E-664、E-727 | E-503、E-505、E-663、E-664、E-727 | E-503、E-505、E-663、E-664、E-727 |
下载
产品注解
Product Change Notification Piezo Actuator Driven Products
数据表
文件
用户使用手册PZ253
具有应变片传感器/无传感器的P-611纳米级定位系统
Unpacking Instructions P611T0006
Unpacking and Handling of P-611 Positioners
3D模型
P-611.XY • P-611.2 3-D模型
报价/订购
就所需数量、价格和供货周期请求免费报价或描述您所需的改型。















