P-733.Z 高动态Z向纳米定位器/扫描仪
直接位置测量和通光孔径
- 行程100微米
- 带电容式传感器的直接计量
- 分辨率达0.3纳米,闭环
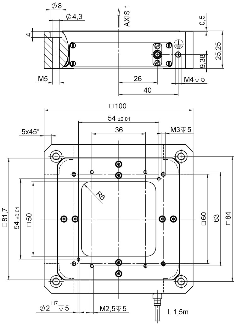
- 通孔尺寸50毫米×50毫米
- 可提供带附加自由度的其他版本
- 可提供XY和XYZ版本
- 可提供真空兼容版本
应用领域
- 扫描显微镜
- 共聚焦显微镜
- 掩模/晶圆定位
- 表面测量技术
- 纳米压印
- 显微操纵
- 图像处理/稳定
- 高运动平面度和直线度的纳米定位
PICMA压电陶瓷促动器带来超长使用寿命
的PICMA压电陶瓷促动器为全瓷绝缘。这可以防潮,避免漏电流增大造成故障。PICMA促动器的使用寿命比传统的聚合物绝缘促动器长达十倍。它们被证明可实现无故障运行1000亿个循环。
带电容式传感器,实现亚纳米分辨率
电容式传感器以亚纳米分辨率进行测量,且无接触。它们可确保优异的运动线性、长期稳定性和千赫兹范围的带宽。
零间隙柔性铰链导向带来高导向精度
柔性铰链导向无需维护、无摩擦、无磨损,无需润滑。它们的刚性可实现高负载能力,且它们对冲击和振动不敏感。它们百分百真空兼容,可在很广的温度范围内工作。
自动配置和快速部件更换
机械部件和控制器可按需组合、快速更换。所有伺服和线性化参数均存储在机械部件的Sub-D连接器的ID芯片中。每当控制器启动时,数字控制器的自动校准功能就会使用这些数据。
直接位置测量带来高精度
运动直接在运动平台上测量,完全不受驱动或导向元件的影响。这样可以实现最佳的重复精度、优异的稳定性和刚性、快速响应控制。
适用于复杂真空应用
压电陶瓷系统中使用的所有部件均非常适合于在真空中使用。操作无需润滑剂或润滑脂。无聚合物的压电陶瓷系统可实现极低的排气率。
规格
P-733.ZCD/P-733.ZCL | 单位 | 公差 | |
|---|---|---|---|
主动轴 | Z | ||
运动和定位 | |||
集成传感器 | 电容式 | ||
-20至120 伏时的开环行程 | 115 | 微米 | +20 % / -0 % |
行程,闭环 | 100 | 微米 | |
分辨率,开环 | 0.2 | 纳米 | 典型值 |
分辨率,闭环 | 0.3 | 纳米 | 典型值 |
线性误差 | 0.03 | % | 典型值 |
重复精度 | <2 | 纳米 | 典型值 |
绕Z旋转 | <10 | 微弧度 | 典型值 |
绕X旋转 | <5 | 微弧度 | 典型值 |
绕Y旋转 | <5 | 微弧度 | 典型值 |
机械特性 | |||
刚度 | 2.5 | 牛/微米 | ±20 % |
谐振频率,空载 | 700 | 赫兹 | ±20 % |
带120 克负载时的谐振频率 | 530 | 赫兹 | ±20 % |
带200 克负载时的谐振频率 | 415 | 赫兹 | ±20 % |
推/拉力大小 | 50 / 20 | 牛 | 最大 |
驱动特性 | |||
压电陶瓷 | PICMAP-885 | ||
电容 | 6 | 微法 | ±20 % |
其他 | |||
工作温度范围 | 20 到 80 | °C | |
材料 | 铝 | ||
尺寸 | 100 毫米 × 100 毫米 × 25 毫米 | ||
质量 | 580 | 克 | ±5 % |
电缆长度 | 1.5 | 米 | ±10 毫米 |
传感器/电压连接 | CD版本:Sub-D 7W2(公头) CL版本:LEMO | ||
推荐电控 | E-503、E-505、E-610、E-621、E-625、E-754 |
报价/订购
就所需数量、价格和供货周期请求免费报价或描述您所需的改型。























