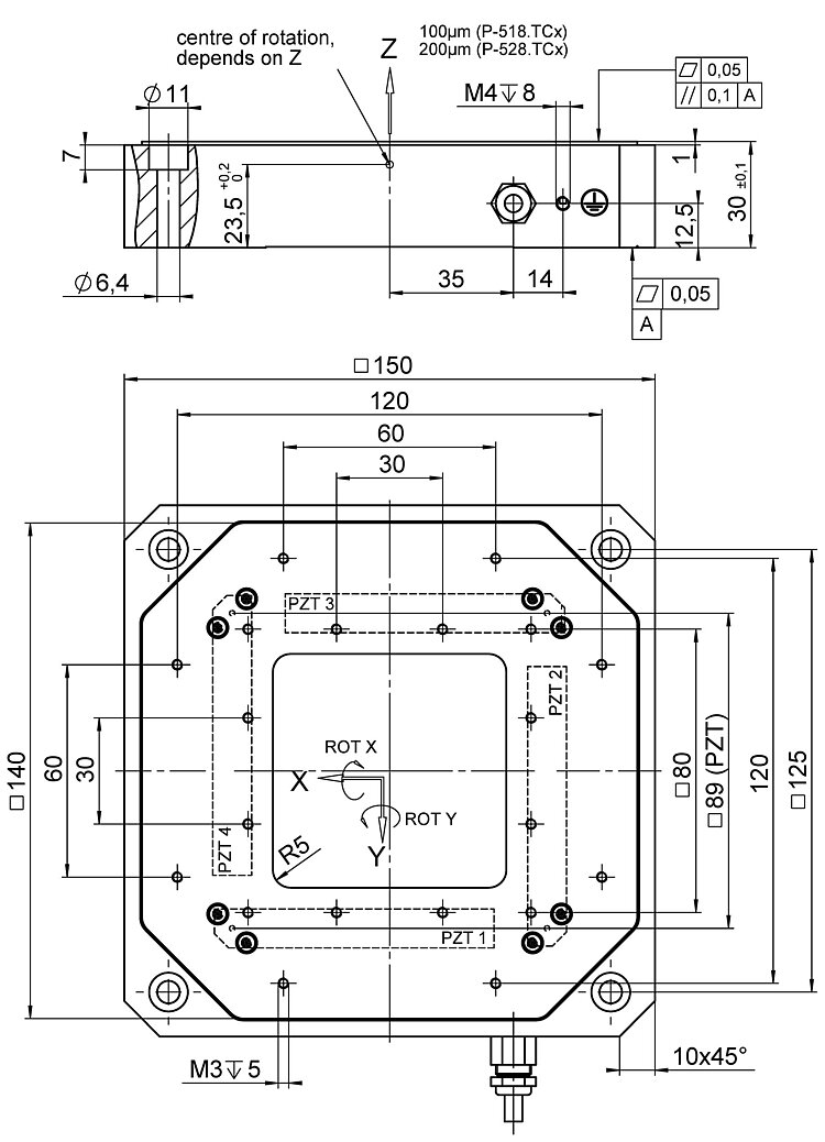
Precision nanopositioning Z and tip/tilt stage, 100 µm, 1.4 mrad, parallel metrology, capacitive sensors, D-sub connector
P-518 • P-528 Piezo Z/Tip/Tilt Stage
High Dynamics with Large Aperture
- Z and tip/tilt stages with 3 axes / Z stages with 1 axis
- Travel range in Z / tip/tilt angle to 200 µm / 2 mrad, closed loop (to 240 µm / 2.4 mrad open loop)
- Parallel kinematics for faster response times and higher multi-axis accuracy
- Zero-play, high-precision flexure guide system
- Outstanding lifetime due to PICMA® piezo actuators
- Clear aperture 66 mm × 66 mm
- Highest linearity due to capacitive sensors
Application fields
- Metrology
- Interferometry
- Photonics / integrated optics
- Lithography
- Nanopositioning
- Scanning microscopy
- Sample alignment
- Micromachining
Outstanding lifetime thanks to PICMA® piezo actuators
The PICMA® piezo actuators are all-ceramic insulated. This protects them against humidity and failure resulting from an increase in leakage current. PICMA® actuators offer an up to ten times longer lifetime than conventional polymer-insulated actuators. 100 billion cycles without a single failure are proven.
Subnanometer resolution with capacitive sensors
Capacitive sensors measure with subnanometer resolution without contacting. They guarantee excellent linearity of motion, long-term stability, and a bandwidth in the kHz range.
High guiding accuracy due to zero-play flexure guides
Flexure guides are free of maintenance, friction, and wear, and do not require lubrication. Their stiffness allows high load capacity and they are insensitive to shock and vibration. They work in a wide temperature range.
Automatic configuration and fast component exchange
Mechanics and controllers can be combined as required and exchanged quickly. All servo and linearization parameters are stored in the ID chip of the D-sub connector of the mechanics. The autocalibration function of the digital controllers uses this data each time the controller is switched on.
High tracking accuracy in the nanometer range due to parallel position measuring
All degrees of freedom are measured against a single fixed reference. Undesired crosstalk between axes can be actively compensated (active guiding) in real time (depending on the bandwidth). High tracking accuracy is achieved in the nanometer range even in dynamic operation.
Specifications
Specifications
| Motion | P-518.TCD | P-518.ZCD | P-518.ZCL | P-528.TCD | P-528.ZCD | P-528.ZCL | Tolerance |
|---|---|---|---|---|---|---|---|
| Active axes | Z ǀ θX ǀ θY | Z | Z | Z ǀ θX ǀ θY | Z | Z | |
| Travel range in Z | 100 µm | 100 µm | 100 µm | 200 µm | 200 µm | 200 µm | |
| Travel range in Z, open loop | 140 µm | 140 µm | 140 µm | 240 µm | 240 µm | 240 µm | ±20 % |
| Rotation range in θX | 1 mrad | — | — | 2 mrad | — | — | |
| Rotation range in θY | 1 mrad | — | — | 2 mrad | — | — | |
| Rotation range in θX, open loop | 1.4 mrad | — | — | 2.4 mrad | — | — | ±20 % |
| Rotation range in θY, open loop | 1.4 mrad | — | — | 2.4 mrad | — | — | ±20 % |
| Linearity error in Z | 0.03 % | 0.03 % | 0.03 % | 0.03 % | 0.03 % | 0.03 % | typ. |
| Linearity error in θX | 0.15 % | — | — | 0.15 % | — | — | typ. |
| Linearity error in θY | 0.15 % | — | — | 0.15 % | — | — | typ. |
| Angular error E_AZ | ± 25 µrad | ± 25 µrad | ± 25 µrad | ± 50 µrad | ± 50 µrad | ± 50 µrad | max. |
| Angular error E_BZ | ± 25 µrad | ± 25 µrad | ± 25 µrad | ± 50 µrad | ± 50 µrad | ± 50 µrad | max. |
| Angular error E_CZ | ± 5 µrad | ± 5 µrad | ± 5 µrad | ± 10 µrad | ± 10 µrad | ± 10 µrad | max. |
| Positioning | P-518.TCD | P-518.ZCD | P-518.ZCL | P-528.TCD | P-528.ZCD | P-528.ZCL | Tolerance |
| Bidirectional repeatability in Z | 5 nm | 5 nm | 5 nm | 10 nm | 10 nm | 10 nm | typ. |
| Bidirectional repeatability in θX | 0.05 µrad | — | — | 0.1 µrad | — | — | typ. |
| Bidirectional repeatability in θY | 0.05 µrad | — | — | 0.1 µrad | — | — | typ. |
| Resolution in Z, open loop | 0.4 nm | 0.2 nm | 0.2 nm | 0.6 nm | 0.6 nm | 0.6 nm | typ. |
| Resolution in θX, open loop | 0.04 µrad | — | — | 0.06 µrad | — | — | typ. |
| Resolution in θY, open loop | 0.04 µrad | — | — | 0.06 µrad | — | — | typ. |
| Integrated sensor | Capacitive, indirect position measuring | Capacitive, direct position measuring | Capacitive, direct position measuring | Capacitive, indirect position measuring | Capacitive, direct position measuring | Capacitive, direct position measuring | |
| System resolution in Z | 0.8 nm | 0.8 nm | 0.8 nm | 1 nm | 1 nm | 1 nm | |
| System resolution in θX | 0.05 µrad | — | — | 0.1 µrad | — | — | |
| System resolution in θY | 0.05 µrad | — | — | 0.1 µrad | — | — | |
| Drive properties | P-518.TCD | P-518.ZCD | P-518.ZCL | P-528.TCD | P-528.ZCD | P-528.ZCL | Tolerance |
| Drive type | PICMA® | PICMA® | PICMA® | PICMA® | PICMA® | PICMA® | |
| Electrical capacitance in Z | 2.1 µF | 8.4 µF | 8.4 µF | 3.7 µF | 14.8 µF | 14.8 µF | ±20 % |
| Mechanical properties | P-518.TCD | P-518.ZCD | P-518.ZCL | P-528.TCD | P-528.ZCD | P-528.ZCL | Tolerance |
| Stiffness in Z | 2.7 N/µm | 2.7 N/µm | 2.7 N/µm | 1.5 N/µm | 1.5 N/µm | 1.5 N/µm | ±20 % |
| Resonant frequency in Z, unloaded | 500 Hz | 500 Hz | 500 Hz | 350 Hz | 350 Hz | 350 Hz | ±20 % |
| Resonant frequency in Z, under load with 500 g | 350 Hz | 350 Hz | 350 Hz | 210 Hz | 210 Hz | 210 Hz | ±20 % |
| Resonant frequency in Z, under load with 2500 g | 200 Hz | 200 Hz | 200 Hz | 130 Hz | 130 Hz | 130 Hz | ±20 % |
| Resonant frequency in θX, unloaded | 530 Hz | — | — | 390 Hz | — | — | ±20 % |
| Resonant frequency in θX, under load with 500 g | 370 Hz | — | — | 250 Hz | — | — | ±20 % |
| Resonant frequency in θX, under load with 2500 g | 190 Hz | — | — | 115 Hz | — | — | ±20 % |
| Resonant frequency in θY, unloaded | 530 Hz | — | — | 390 Hz | — | — | ±20 % |
| Resonant frequency in θY, under load with 500 g | 370 Hz | — | — | 250 Hz | — | — | ±20 % |
| Resonant frequency in θY, under load with 2500 g | 190 Hz | — | — | 115 Hz | — | — | ±20 % |
| Permissible push force in Z | 50 N | 50 N | 50 N | 50 N | 50 N | 50 N | max. |
| Permissible pull force in Z | 40 N | 40 N | 40 N | 40 N | 40 N | 40 N | max. |
| Guide | Flexure guide with lever amplification | Flexure guide with lever amplification | Flexure guide with lever amplification | Flexure guide with lever amplification | Flexure guide with lever amplification | Flexure guide with lever amplification | |
| Overall mass | 1400 g | 1400 g | 1400 g | 1420 g | 1420 g | 1420 g | |
| Material | Aluminum | Aluminum | Aluminum | Aluminum | Aluminum | Aluminum | |
| Miscellaneous | P-518.TCD | P-518.ZCD | P-518.ZCL | P-528.TCD | P-528.ZCD | P-528.ZCL | Tolerance |
| Operating temperature range | -20 to 80 °C | -20 to 80 °C | -20 to 80 °C | -20 to 80 °C | -20 to 80 °C | -20 to 80 °C | |
| Connector | D-sub 25W3 (m) | D-sub 7W2 (m) | LEMO LVPZT | D-sub 25W3 (m) | D-sub 7W2 (m) | LEMO LVPZT | |
| Cable length | 1.5 m | 1.5 m | 1.5 m | 1.5 m | 1.5 m | 1.5 m | |
| Recommended controllers/drivers | E-503, E-505, E-610, E-621, E-625, E-713, E-727, E-754 | E-503, E-505, E-610, E-621, E-625, E-713, E-727, E-754 | E-503, E-505, E-610, E-621, E-625, E-713, E-727, E-754 | E-503, E-505, E-610, E-621, E-625, E-713, E-727, E-754 | E-503, E-505, E-610, E-621, E-625, E-713, E-727, E-754 | E-503, E-505, E-610, E-621, E-625, E-713, E-727, E-754 |
Permissible push/pull force in Z: When mounted horizontally (standing on a surface, not suspended).
Electrical capacitance: Specified per channel (refer to pin assignment in user manual).
The resolution of the system is limited only by the noise of the amplifier and the measuring technology because PI piezo nanopositioning systems are free of friction.
At PI, technical data is specified at 22 ±3 °C. Unless otherwise stated, the values are for unloaded conditions. Some properties are interdependent. The designation "typ." indicates a statistical average for a property; it does not indicate a guaranteed value for every product supplied. During the final inspection of a product, only selected properties are analyzed, not all. Please note that some product characteristics may deteriorate with increasing operating time.
Downloads
产品注解
Product Change Notification Piezo Actuator Driven Products
文件
Technical Note P500T0002
Unpacking and Packing P-5xx Positioners
用户使用手册PZ82
具有电容传感器的P-517、P-518、P-527、P-528、P-558压电纳米定位系统
3D模型
P-5x8 3-D模型
Ask for a free quote on quantities required, prices, and lead times or describe your desired modification.
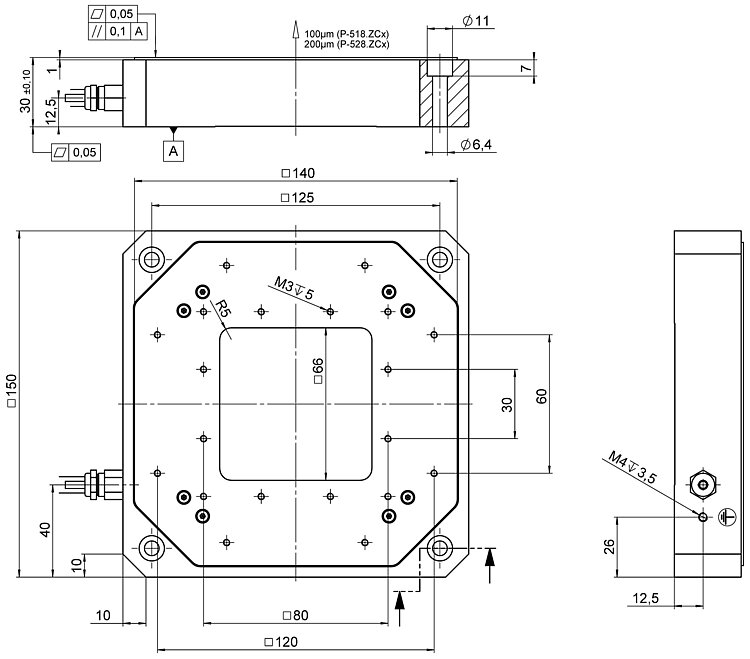
Precision nanopositioning Z stage, 100 µm, direct position measuring, capacitive sensors, D-sub connector
Precision nanopositioning Z stage, 100 µm, direct position measuring, capacitive sensors, LEMO connectors
Precision nanopositioning Z and tip/tilt stage, 200 µm, 2.4 mrad, parallel metrology, capacitive sensors, D-sub connector
Precision nanopositioning Z stage, 200 µm, direct position measuring, capacitive sensors, D-sub connector
Precision nanopositioning Z stage, 200 µm, direct position measuring, capacitive sensors, LEMO connectors



























