P-616 NanoCube纳米定位器
用于纳米级定位和光纤校准的紧凑型并联运动压电系统
- 并联运动设计可在所有空间方向上实现超高刚性
- 即使负载高达100克,高谐振频率也能实现高动态运动
- 单个安装平台的创新型产品设计可实现灵活使用
- 带ID芯片功能的纳米定位器
- 行程为100 微米的超小、超轻的NanoCube
应用领域
- 光纤定位和对准
- 扫描显微镜
- 双光子聚合
- 纳米技术和纳米制造
- 光子学/集成光学
- 显微操纵
- 样本定位
PICMA压电陶瓷促动器带来超长使用寿命
获得的为全瓷绝缘。这可以防潮,避免漏电流增大造成故障。PICMA促动器的使用寿命比传统的聚合物绝缘促动器长达十倍。它们被证明可实现无故障运行1000亿个循环。
带电容式传感器,实现亚纳米分辨率
电容式传感器以亚纳米分辨率进行测量,且无接触。它们可确保优异的运动线性、长期稳定性和千赫兹范围的带宽。
零间隙柔性铰链导向带来高导向精度
柔性铰链导向无需维护、无摩擦、无磨损,无需润滑。它们的刚性可实现高负载能力,且它们对冲击和振动不敏感。它们百分百真空兼容,可在很广的温度范围内工作。
自动配置和快速部件更换
机械部件和控制器可按需组合、快速更换。所有伺服和线性化参数均存储在机械部件的D-sub连接器的ID芯片中。每当控制器启动时,数字控制器的自动校准功能就会使用这些数据。
并联运动实现高动态多轴操作
在并联多轴系统中,所有促动器作用于同一个运动平台。所有轴均具有超小的质量惯性并采用相同的设计,可实现快速、动态且精密的运动。
适用于复杂真空应用
压电陶瓷系统中使用的所有部件均非常适合于在真空中使用。操作无需润滑剂或润滑脂。无聚合物的压电陶瓷系统可实现极低的排气率。
规格
该内容仅在平板电脑或桌面型设备上可见。规格
规格 | P-616.3C | 单位 | 公差 |
|---|---|---|---|
运动和定位 | |||
主动轴 | X、Y、Z | ||
-20至120伏时的开环行程 | 110/轴 | 微米 | +20 % / -0 % |
行程,闭环 | 100/轴 | 微米 | +20 % / -0 % |
分辨率,1s,开环 | 0.3 | 纳米 | 典型值 |
分辨率,1s,闭环 | 0.4 | 纳米 | 典型值 |
线性误差 | 0.03 | % | 典型值 |
双向重复精度,1s,10%行程范围内 | <10 | 纳米 | 典型值 |
双向重复精度,1s,100%行程范围内 | <15 | 纳米 | 典型值 |
传感器 | |||
传感器类型 | 电容式传感器 | ||
机械特性 | |||
刚度 | 0.5 | 牛/微米 | ±10 % |
X/Y/Z向上的空载谐振频率 | 700 | 赫兹 | ±10 % |
带38克负载的谐振频率 X/Y/Z | 380 | 赫兹 | ±20 % |
带100克负载的谐振频率 X/Y/Z | 250 | 赫兹 | ±20 % |
推/拉力大小 | 15 | 牛 | 最大 |
最大允许转矩 | 0.4 | 牛米 | 最大 |
驱动特性 | |||
陶瓷类型 | PICMAP-885.50 | ||
电容 | 1.5/轴 | 微法 | ±20 % |
其他 | |||
工作温度范围 | -20至80 | 摄氏度 | |
材料 | 铝、钢 | ||
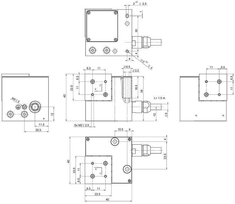
尺寸 | 40 × 40 × 40 | 毫米 | |
移动质量(无负载) | 0.021 | 千克 | |
不含电缆的质量 | 0.125 | 千克 | |
包含电缆在内的质量 | 0.4 | 千克 | |
电缆长度 | 1.5 | 米 | ±10毫米 |
连接器 | D-sub 25W3(公头) | ||
推荐电控 | E-503、E-663、E-712、E-727 |
下载
产品注解
Product Change Notification Piezo Actuator Driven Products
文件
用户使用手册F603T0003
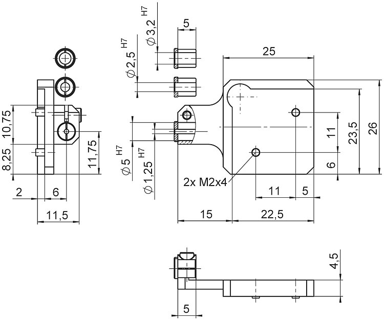
用于P-616类型(NanoCube)压电定位器的F-603.41 / F-603.42 / F-603.43纤维支架
用户使用手册PZ268
P-616 NanoCube® XYZ纳米级定位器
3D模型
P-616.3C 3-D模型
报价/订购
就所需数量、价格和供货周期请求免费报价或描述您所需的改型。


























