P-611.3 NanoCubeXYZ压电陶瓷系统
用于纳米级定位和光纤校准的紧凑型多轴压电系统
- 行程达120 微米×120 微米×120 微米
- 超紧凑型:44 毫米 × 44 毫米 × 44 毫米
- 分辨率达0.2纳米
- 快速响应行为
- 零间隙,高精度柔性铰链导向系统
- PICMA压电陶瓷促动器带来超长使用寿命
- 用于快速扫描
- 带集成式光纤夹持器的版本
- 极其经济实惠的系统
规格
规格
P-611.3S P-611.3SF | P-611.3O P-611.3OF | 单位 | 公差 | |
|---|---|---|---|---|
主动轴 | X、Y、Z | X、Y、Z | ||
运动和定位 | ||||
集成传感器 | 应变片传感器 | |||
-20至120 伏时的开环行程 | 120/轴 | 120/轴 | 微米 | +20 % / -0 % |
行程,闭环 | 100/轴 | – | 微米 | |
分辨率,开环 | 0.2 | 0.2 | 纳米 | 典型值 |
分辨率,闭环 | 1 | – | 纳米 | 典型值 |
线性误差 | 0.1 | – | % | 典型值 |
重复精度 | <10 | – | 纳米 | 典型值 |
X、Y向上的螺距 | ±5 | ±5 | 微弧度 | 典型值 |
θX向上的倾斜(Z向运动) | ±10 | ±10 | 微弧度 | 典型值 |
X向上的偏转角 | ±20 | ±20 | 微弧度 | 典型值 |
Y向上的偏转角 | ±10 | ±10 | 微弧度 | 典型值 |
θY向上的倾斜(Z向运动) | ±10 | ±10 | 微弧度 | 典型值 |
机械特性 | ||||
刚度 | 0.3 | 0.3 | 牛/微米 | ±20 % |
X / Y / Z向上的空载谐振频率 | 350 / 220 / 250 | 350 / 220 / 250 | 赫兹 | ±20 % |
带30克负载时X/Y/Z向上的谐振频率 | 270 / 185 / 230 | 270 / 185 / 230 | 赫兹 | ±20 % |
带100克负载时X/Y/Z向上的谐振频率 | 180 / 135 / 200 | 180 / 135 / 200 | 赫兹 | ±20 % |
运动方向上的推/拉力 | 15 / 10 | 15 / 10 | 牛 | 最大 |
负载容量 | 15 | 15 | 牛 | 最大 |
驱动特性 | ||||
陶瓷类型 | PICMAP-885 | PICMAP-885 | ||
电容 | 1.5 | 1.5 | 微法 | ±20 % |
其他 | ||||
工作温度范围 | -20 到 80 | -20 到 80 | °C | |
材料 | 铝、钢 | 铝、钢 | ||
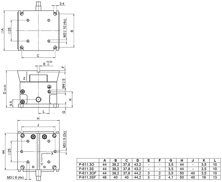
尺寸 | S版本: 48 毫米 × 44 毫米 × 43.2 毫米 SF版本: 44 毫米 × 50 毫米 × 44.2 毫米 | O版本: 44 毫米 × 44 毫米 × 43.2 毫米 OF版本: 44 毫米 × 50 毫米 × 44.2 毫米 | ||
质量 | 0.32 | 0.32 | 千克 | ±5 % |
电缆长度 | 1.5 | 1.5 | 米 | ±10 毫米 |
电压连接 | Sub-D25针(公头) | Sub-D25针(公头) | ||
传感器连接 | Sub-D25针(公头) | – | ||
推荐电控 | E-503、E-505、E-663、E-664、E-727 | E-503、E-505、E-663、E-664、E-727 |
下载
产品注解
Product Change Notification Piezo Actuator Driven Products
数据表
文件
用户使用手册PZ253
具有应变片传感器/无传感器的P-611纳米级定位系统
Unpacking Instructions P611T0006
Unpacking and Handling of P-611 Positioners
3D模型
P-611.3x 3-D模型
报价/订购
就所需数量、价格和供货周期请求免费报价或描述您所需的改型。


















