P-611.Z 压电Z向位移台
紧凑型纳米级定位器
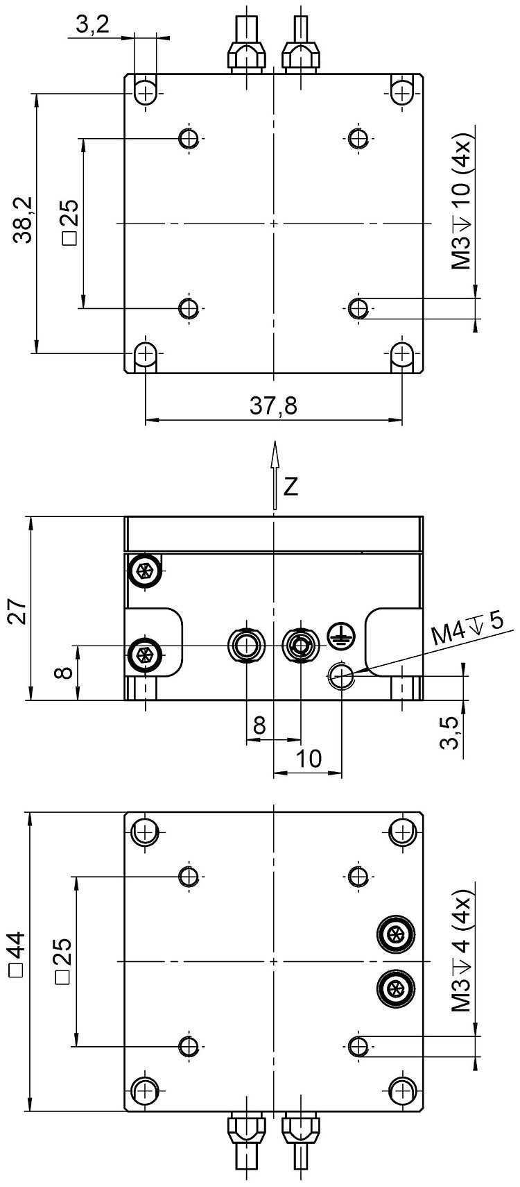
- 结构紧凑:表面仅44 毫米×44 毫米
- 行程100微米
- 分辨率达0.2纳米
- 极其经济实惠的系统(机械部件和控制器)
- 零间隙,高精度柔性铰链导向系统
- PICMA压电陶瓷促动器带来超长使用寿命
- X、XY、XZ和XYZ型
P-611.Z 压电Z向位移台
产品描述
规格
下载
报价/订购
规格
规格
P-611.ZS | P-611.Z0 | 单位 | 公差 | |
|---|---|---|---|---|
主动轴 | Z | Z | ||
运动和定位 | ||||
集成传感器 | 应变片传感器 | - | ||
-20至+120伏时的开环行程 | 120 | 120 | 微米 | +20 % / -0 % |
行程,闭环 | 100 | - | 微米 | |
分辨率,开环 | 0.2 | 0.2 | 纳米 | 典型值 |
分辨率,闭环 | 2 | - | 纳米 | 典型值 |
线性误差 | 0.1 | - | % | 典型值 |
重复精度 | <10 | - | 纳米 | 典型值 |
θZ向上的倾斜(Z向运动) | ±5 | ±5 | 微弧度 | 典型值 |
θX向上的倾斜(Z向运动) | ±20 | ±20 | 微弧度 | 典型值 |
θY向上的倾斜(Z向运动) | ±5 | ±5 | 微弧度 | 典型值 |
机械特性 | ||||
刚度 | 0.45 | 0.45 | 牛/微米 | ±20 % |
谐振频率,空载 | 460 | 460 | 赫兹 | ±20 % |
带30克负载时的谐振频率 | 375 | 375 | 赫兹 | ±20 % |
带100克负载时的谐振频率 | 265 | 265 | 赫兹 | ±20 % |
推/拉力大小 | 15 / 10 | 15 / 10 | 牛 | 最大 |
驱动特性 | ||||
陶瓷类型 | PICMAP-885 | PICMAP-885 | ||
电容 | 1.5 | 1.5 | 微法 | ±20 % |
其他 | ||||
工作温度范围 | -20 到 80 | -20 到 80 | °C | |
材料 | 铝、钢 | 铝、钢 | ||
尺寸 | 44 毫米 × 44 毫米 × 27 毫米 | 44 毫米 × 44 毫米 × 27 毫米 | ||
质量 | 176 | 176 | 克 | ±5 % |
电缆长度 | 1.5 | 1.5 | 米 | ±10 毫米 |
传感器连接 | LEMO | LEMO | ||
电压连接 | LEMO | LEMO | ||
推荐电控 | E-610、E-625、E-665、E-836 | E-610、E-625、E-665、E-836 |
因为PI压电陶瓷纳米定位系统无摩擦,所以系统分辨率仅受放大器噪声和测量技术的限制。
所有规格参数基于室温(22°C±3°C)。
系统特性
系统配置:P-611.ZS和E-665.SR控制器带30 克负载
小信号带宽:40赫兹
稳定时间(10 %步长):25毫秒
下载
数据表
文件
文件
用户使用手册PZ253
具有应变片传感器/无传感器的P-611纳米级定位系统
版本/日期
1.2.2 2022-08-24
pdf - 3 MB
版本/日期
1.2.2 2022-08-24
pdf - 3 MB
文件
Unpacking Instructions P611T0006
Unpacking and Handling of P-611 Positioners
版本/日期
2018-01-24
pdf - 768 KB
English
3D模型
3D模型
P-611.Z 3-D模型
zip - 200 KB




















