P-620.Z - P-622.Z PIHera垂直精密Z向定位器
多种行程范围和轴配置
- 行程为50微米至250微米(开环为350微米)
- 分辨率达0.1纳米
- 线性误差仅0.02%
- 带电容式传感器的直接计量
- X、XY、Z和XYZ型
应用领域
- 干涉测量
- 显微镜
- 纳米定位
- 生物技术
- 测试应用
- 半导体技术
PICMA压电陶瓷促动器带来超长使用寿命
的PICMA压电陶瓷促动器为全瓷绝缘。这可以防潮,避免漏电流增大造成故障。PICMA促动器的使用寿命比传统的聚合物绝缘促动器长达十倍。它们被证明可实现无故障运行1000亿个循环。
带电容式传感器,实现亚纳米分辨率
电容式传感器以亚纳米分辨率进行测量,且无接触。它们可确保优异的运动线性、长期稳定性和千赫兹范围的带宽。
零间隙柔性铰链导向带来高导向精度
柔性铰链导向无需维护、无摩擦、无磨损,无需润滑。它们的刚性可实现高负载能力,且它们对冲击和振动不敏感。它们百分百真空兼容,可在很广的温度范围内工作。
直接位置测量带来高精度
运动直接在运动平台上测量,完全不受驱动或导向元件的影响。这样可以实现高重复精度、优异的稳定性和刚性、快速响应控制。
适用于复杂真空应用
压电陶瓷系统中使用的所有部件均非常适合于在真空中使用。操作无需润滑剂或润滑脂。无聚合物的压电陶瓷系统可实现极低的排气率。
规格
规格
P-620.ZCD /P-620.ZCL | P-621.ZCD /P-621.ZCL | P-622.ZCD /P-622.ZCL | 单位 | 公差 | |
|---|---|---|---|---|---|
主动轴 | Z | Z | Z | ||
运动和定位 | |||||
集成传感器 | 电容式 | 电容式 | 电容式 | ||
-20至120 伏时的开环行程 | 65 | 140 | 350 | 微米 | +20 % / -0 % |
行程,闭环 | 50 | 100 | 250 | 微米 | |
分辨率,开环 | 0.1 | 0.2 | 0.5 | 纳米 | 典型值 |
分辨率,闭环 | 0.2 | 0.3 | 1 | 纳米 | 典型值 |
线性误差 | 0.02 | 0.02 | 0.02 | % | 典型值 |
重复精度 | ±1 | ±1 | ±1 | 纳米 | 典型值 |
倾斜θX、θY | <20 | <20 | <80 | 微弧度 | 典型值 |
机械特性 | |||||
刚度 | 0.5 | 0.6 | 0.24 | 牛/微米 | ±20 % |
谐振频率,空载 | 1000 | 790 | 360 | 赫兹 | ±20 % |
带30 克负载时的谐振频率 | 690 | 500 | 270 | 赫兹 | ±20 % |
推/拉力大小 | 10 / 5 | 10 / 8 | 10 / 8 | 牛 | 最大 |
负载容量 | 10 | 10 | 10 | 牛 | 最大 |
侧向负载能力 | 10 | 10 | 10 | 牛 | 最大 |
驱动特性 | |||||
陶瓷类型 | PICMAP-883 | PICMAP-885 | PICMAP-885 | ||
电容 | 0.7 | 3 | 6.2 | 微法 | ±20 % |
其他 | |||||
工作温度范围 | -20 到 80 | -20 到 80 | -20 到 80 | °C | |
材料 | 铝 | 铝 | 铝 | ||
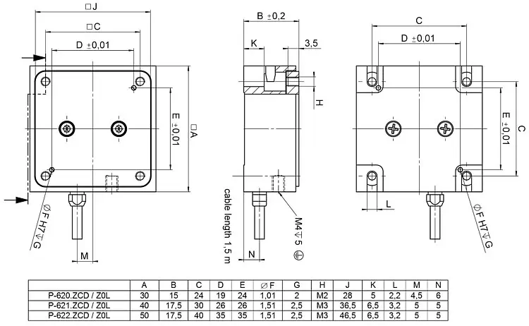
尺寸 | 30 毫米 × 30 毫米 × 15 毫米 | 40 毫米 × 40 毫米 × 17.5 毫米 | 50 毫米 × 50 毫米 × 17.5 毫米 | ||
质量 | 0.12 | 0.17 | 0.24 | 千克 | ±5 % |
电缆长度 | 1.5 | 1.5 | 1.5 | 米 | ±10 毫米 |
传感器/电压连接 | CD版本:Sub-D 7W2(公头) CL版本:LEMO | CD版本:Sub-D 7W2(公头) CL版本:LEMO | CD版本:Sub-D 7W2(公头) CL版本:LEMO | ||
推荐电控 | E-503、E-505、E-610、E-621、E-625、E-665、E-709、E-754 | E-503、E-505、E-610、E-621、E-625、E-665、E-709、E-754 | E-503、E-505、E-610、E-621、E-625、E-665、E-709、E-754 |
下载
产品注解
Product Change Notification Piezo Actuator Driven Products
数据表
文件
3D模型
P-62x.Z 3-D模型
报价/订购
就所需数量、价格和供货周期请求免费报价或描述您所需的改型。


























