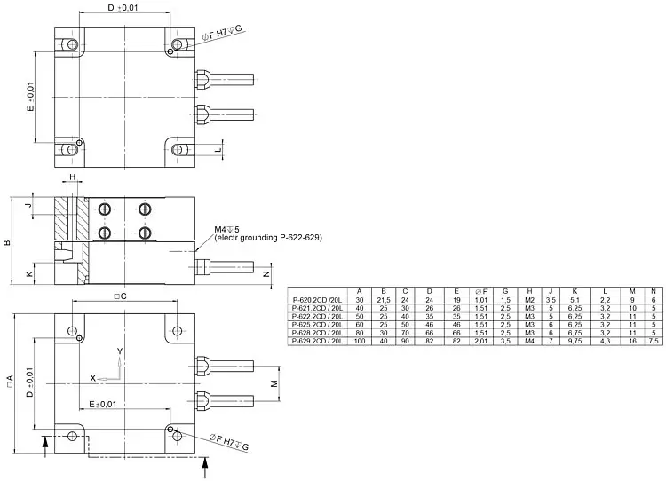
P-620.2 – P-629.2 PIHeraXY向压电工作台
行程可变的高精度XY向纳米定位器
- 行程为50至1800微米
- 分辨率达0.1纳米
- 定位精度 0.02 %
- 带电容式传感器的直接计量
- X、XY、Z和XYZ型
应用领域
- 干涉测量
- 显微镜
- 纳米定位
- 生物技术
- 测试程序和质量保证
- 光子
- 光纤定位
- 半导体技术
PICMA压电陶瓷促动器带来超长使用寿命
的PICMA压电陶瓷促动器为全瓷绝缘。这可以防潮,避免漏电流增大造成故障。PICMA促动器的使用寿命比传统的聚合物绝缘促动器长达十倍。它们被证明可实现无故障运行1000亿个循环。
带电容式传感器,实现亚纳米分辨率
电容式传感器以亚纳米分辨率进行测量,且无接触。它们可确保优异的运动线性、长期稳定性和千赫兹范围的带宽。
零间隙柔性铰链导向带来高导向精度
柔性铰链导向无需维护、无摩擦、无磨损,无需润滑。它们的刚性可实现高负载能力,且它们对冲击和振动不敏感。它们百分百真空兼容,可在很广的温度范围内工作。
直接位置测量带来高精度
运动直接在运动平台上测量,完全不受驱动或导向元件的影响。这样可以实现高重复精度、优异的稳定性和刚性、快速响应控制。
适用于复杂真空应用
压电陶瓷系统中使用的所有部件均非常适合于在真空中使用。操作无需润滑剂或润滑脂。无聚合物的压电陶瓷系统可实现极低的排气率。
规格
规格
P-620.2CD P-620.2CL | P-621.2CD P-621.2CL | P-622.2CD P-622.2CL | P-625.2CD P-625.2CL | P-628.2CD P-628.2CL | P-629.2CD P-629.2CL | 单位 | 公差 | |
|---|---|---|---|---|---|---|---|---|
主动轴 | X, Y | X, Y | X, Y | X, Y | X, Y | X, Y | ||
运动和定位 | ||||||||
集成传感器 | 电容式 | 电容式 | 电容式 | 电容式 | 电容式 | 电容式 | ||
-20至120 伏时X、Y向上的开环行程 | 60 | 120 | 300 | 600 | 950 | 1800 | 微米 | +20 % / -0 % |
X、Y向上的闭环行程 | 50 | 100 | 250 | 500 | 800 | 1500 | 微米 | |
X、Y向上的开环分辨率 | 0.1 | 0.2 | 0.4 | 0.5 | 0.5 | 2 | 纳米 | 典型值 |
X、Y向上的闭环分辨率 | 0.2 | 0.4 | 0.7 | 1.4 | 3.5 | 3.5 | 纳米 | 典型值 |
X、Y向上的线性误差 | 0.02 | 0.02 | 0.02 | 0.03 | 0.03* | 0.03** | % | 典型值 |
X、Y向上的重复精度 | ±2 | ±2 | ±2 | ±5 | ±10 | ±14 | 纳米 | 典型值 |
螺距/偏转角 | ±3 | ±3 | ±3 | ±3 / ±5 | ±20 / ±5 | ±30 / ±5 | 微弧度 | 典型值 |
机械特性 | ||||||||
X、Y向上的刚性 | 0.22 | 0.25 | 0.2 | 0.1 | 0.05 | 0.1 | 牛/微米 | ±20 % |
X向上的空载谐振频率 | 575 | 420 | 225 | 135 | 75 | 60 | 赫兹 | ±20 % |
Y向上的空载谐振频率 | 800 | 535 | 300 | 195 | 105 | 100 | 赫兹 | ±20 % |
带50 克负载时X向上的谐振频率 | 270 | 285 | 180 | 120 | 60 | 55 | 赫兹 | ±20 % |
带50 克负载时Y向上的谐振频率 | 395 | 365 | 215 | 150 | 85 | 85 | 赫兹 | ±20 % |
带100 克负载时X向上的谐振频率 | 285 | 220 | 160 | 105 | 55 | 50 | 赫兹 | ±20 % |
带100 克负载时Y向上的谐振频率 | 300 | 285 | 175 | 125 | 75 | 80 | 赫兹 | ±20 % |
运动方向上的推/拉力 | 10 / 5 | 10 / 8 | 10 / 8 | 10 / 8 | 10 / 8 | 10 / 8 | 牛 | 最大 |
负载容量 | 10 | 10 | 10 | 10 | 10 | 10 | 牛 | 最大 |
侧力 | 10 | 10 | 10 | 10 | 10 | 10 | 牛 | 最大 |
驱动特性 | ||||||||
压电陶瓷 | PICMAP-883 | PICMAP-885 | PICMAP-885 | PICMAP-885 | PICMAP-887 | PICMAP-888 | ||
X、Y向上的电容 | 0.35 | 1.5 | 3.1 | 6.2 | 19 | 52 | 微法 | ±20 % |
其他 | ||||||||
工作温度范围 | -20 到 80 | -20 到 80 | -20 到 80 | -20 到 80 | -20 到 80 | -20 到 80 | °C | |
材料 | 铝 | 铝 | 铝 | 铝 | 铝 | 铝 | ||
尺寸 | 30 毫米 × 30 毫米 × 21.5 毫米 | 40 毫米 × 40 毫米 × 25 毫米 | 50 毫米 × 50 毫米 × 25 毫米 | 60 毫米 × 60 毫米 × 25 毫米 | 80 毫米 × 80 毫米 × 25 毫米 | 100 毫米 × 100 毫米 × 40 毫米 | ||
质量 | 0.195 | 0.295 | 0.348 | 0.43 | 0.7 | 1.37 | 千克 | ±5 % |
电缆长度 | 1.5 | 1.5 | 1.5 | 1.5 | 1.5 | 1.5 | 米 | ±10 毫米 |
传感器/电压连接 | CD版本:Sub-D 7W2(公头) CL版本:LEMO | CD版本:Sub-D 7W2(公头) CL版本:LEMO | CD版本:Sub-D 7W2(公头) CL版本:LEMO | CD版本:Sub-D 7W2(公头) CL版本:LEMO | CD版本:Sub-D 7W2(公头) CL版本:LEMO | CD版本:Sub-D 7W2(公头) CL版本:LEMO | ||
推荐电控 | E-503、E-505、E-663、E-712、E-727 | E-503、E-505、E-663、E-712、E-727 | E-503、E-505、E-663、E-712、E-727 | E-503、E-505、E-663、E-712、E-727 | E-503、E-505、E-663、E-712、E-727 | E-503、E-505、E-663、E-712、E-727 |
下载
产品注解
Product Change Notification Piezo Actuator Driven Products
数据表
文件
3D模型
P-62x.2 STEP
报价/订购
就所需数量、价格和供货周期请求免费报价或描述您所需的改型。

























