高刚性高动态偏摆台,偏摆角为3mrad,应变片传感器,Sub-D37接头(公)
S-331 快速偏摆台
较短稳定时间和高动态线性化
- 偏摆角度高达5mrad,光学偏转角度高达10mrad(0.57°)
- 高谐振频率可达10kHz(0.5"反射镜),可实现动态运动以及快速步进和稳定
- 并联运动设计可实现两个摆轴具有同样的高性能
- 位置传感器实现高线性度
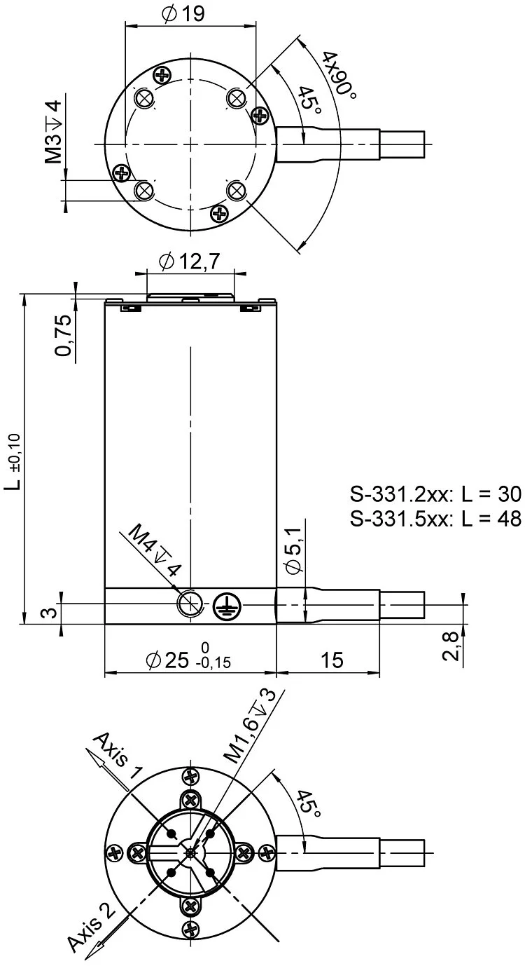
- 用于直径高达12.7mm(0.5")的反射镜








S-331 快速偏摆台
产品描述
规格
下载
报价/订购
应用领域
- 图像处理/稳定性
- 光学捕获
- 激光扫描/光束偏转
- 激光调谐
- 光学过滤器/开关
- 光学元件
- 光束稳定
PICMA压电陶瓷促动器带来超长使用寿命
PICMA®压电陶瓷促动器为全瓷绝缘。 这可以防潮,避免漏电流增大造成故障。 PICMA®促动器的使用寿命是传统的聚合物绝缘促动器的十倍。 它们被证明可实现无故障运行1000亿个循环。
零间隙的柔性铰链导向机构带来超高导向精度
柔性铰链导向无需维护、无摩擦、无磨损,无需润滑。 其刚性可实现高负载能力,且它们对冲击和振动不敏感。 其可在较宽的温度范围内工作。
并联运动实现高动态多轴操作
在并联多轴系统中,所有促动器作用于同一个运动平台。 所有轴均具有最较小的质量惯性并采用相同的设计,可实现快速、动态且精密的运动。
规格
该内容仅在平板电脑或桌面型设备上可见。规格
| 运动 | S-331.2SH | S-331.2SL | S-331.5SH | S-331.5SL | 公差 |
|---|---|---|---|---|---|
| 主动轴 | θX ǀ θY | θX ǀ θY | θX ǀ θY | θX ǀ θY | |
| θX向上的旋转范围 | 3 mrad | 3 mrad | 5 mrad | 5 mrad | |
| θY向上的旋转范围 | 3 mrad | 3 mrad | 5 mrad | 5 mrad | |
| θX向上的开环旋转范围 | 4.2 mrad | 4.2 mrad | 7 mrad | 7 mrad | ±20 % |
| θY向上的开环旋转范围 | 4.2 mrad | 4.2 mrad | 7 mrad | 7 mrad | ±20 % |
| θX向上的线性误差 | 0.1 % | 0.3 % | 0.1 % | 0.3 % | typ. |
| θY向上的线性误差 | 0.1 % | 0.3 % | 0.1 % | 0.3 % | typ. |
| 定位 | S-331.2SH | S-331.2SL | S-331.5SH | S-331.5SL | 公差 |
| θX向上的双向重复精度 | 1.5 µrad | 1.5 µrad | 2.5 µrad | 2.5 µrad | typ. |
| θY向上的双向重复精度 | 1.5 µrad | 1.5 µrad | 2.5 µrad | 2.5 µrad | typ. |
| θX向上的开环分辨率 | 0.05 µrad | 0.05 µrad | 0.1 µrad | 0.1 µrad | typ. |
| θY向上的开环分辨率 | 0.05 µrad | 0.05 µrad | 0.1 µrad | 0.1 µrad | typ. |
| 集成传感器 | 应变片传感器,间接位置测量 | 应变片传感器,间接位置测量 | 应变片传感器,间接位置测量 | 应变片传感器,间接位置测量 | |
| 传感器分辨率,旋转 | 0.1 µrad | 0.1 µrad | 0.25 µrad | 0.25 µrad | |
| 驱动性能 | S-331.2SH | S-331.2SL | S-331.5SH | S-331.5SL | 公差 |
| 驱动类型 | PICMA | PICMA | PICMA | PICMA | |
| 标称电压 | 120 V | 120 V | 120 V | 120 V | |
| 最大功耗 | — | — | — | — | |
| θX向上的电容 | 0.96 µF | 0.96 µF | 6.2 µF | 6.2 µF | ±20 % |
| θY向上的电容 | 0.96 µF | 0.96 µF | 6.2 µF | 6.2 µF | ±20 % |
| 机械性能 | S-331.2SH | S-331.2SL | S-331.5SH | S-331.5SL | 公差 |
| θX向上的谐振频率,空载 | 10050 Hz | 10050 Hz | 2990 Hz | 2990 Hz | ±20 % |
| 在带玻璃反射镜(直径12.7mm;厚度3mm)的负载下θX向上的谐振频率 | 9020 Hz | 9020 Hz | 2980 Hz | 2980 Hz | ±20 % |
| θY向上的谐振频率,空载 | 10050 Hz | 10050 Hz | 2990 Hz | 2990 Hz | ±20 % |
| 在带玻璃反射镜(直径12.7mm;厚度3mm)的负载下θY向上的谐振频率 | 9020 Hz | 9020 Hz | 2980 Hz | 2980 Hz | ±20 % |
| θX向上的惯性力矩,空载 | 30 g·mm² | 30 g·mm² | 30 g·mm² | 30 g·mm² | ±20 % |
| θY向上的惯性力矩,空载 | 30 g·mm² | 30 g·mm² | 30 g·mm² | 30 g·mm² | ±20 % |
| 枢轴点至平台表面的距离 | 4 mm | 4 mm | 4 mm | 4 mm | ±0,1 mm |
| 导轨 | 带杠杆放大的柔性铰链导轨 | 带杠杆放大的柔性铰链导轨 | 带杠杆放大的柔性铰链导轨 | 带杠杆放大的柔性铰链导轨 | |
| 总质量 | 130 g | 130 g | 280 g | 280 g | |
| 材料 | 钢,平台:钛 | 钢,平台:钛 | 钢,平台:钛 | 钢,平台:钛 | |
| 其他 | S-331.2SH | S-331.2SL | S-331.5SH | S-331.5SL | 公差 |
| 工作温度范围 | -20至80 °C | -20至80 °C | -20至80 °C | -20至80 °C | |
| 连接器 | D-sub 37针(公头) | LEMO LVPZT | D-sub 37针(公头) | LEMO LVPZT | |
| 传感器连接器 | — | 应变片传感器的LEMO | — | 应变片传感器的LEMO | |
| 电缆长度 | 2 m | 2 m | 2 m | 2 m | |
| 推荐控制器/驱动器 | E-727 | E-509.S3 + E-505.00 (2×) + E-505.00S + E-500.00 | E-727 | E-509.S3 + E-505.00 (2×) + E-505.00S + E-500.00 |
PI技术数据是在22±3°C环境温度下定义的。除非有特别说明,所有数值均基于无负载的情况。某些性能参数是相互关联的。“typ.”标识 是指属性的统计平均值,并非承诺每个交付产品均达到该数值。在产品交付前的最后检验中,我们只检测选定的属性,而不是全部属性。请注意,产品的某些特性可能会随着使用时间的增长而逐渐下降。
下载
产品注解
产品注解
Product Change Notification Piezo Actuator Driven Products
版本/日期
2021-04-19
pdf - 377 KB
English
文件
3D模型
3D模型
S-331.2SH 3D模型
版本/日期
2020-05-05
zip - 2 MB
3D模型
S-331.5SH 3D模型
版本/日期
2020-05-05
zip - 2 MB
报价/订购
就所需数量、价格和供货周期请求免费报价或描述您所需的改型。
S-331.2SH
S-331.2SL
高刚性高动态偏摆台,偏摆角为3mrad,应变片传感器,LEMO接头
S-331.5SH
高刚性高动态偏摆台,偏摆角为5mrad,应变片传感器,Sub-D37接头(公)
S-331.5SL
高刚性高动态偏摆台,偏摆角为5mrad,应变片传感器,LEMO接头



















