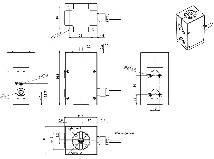
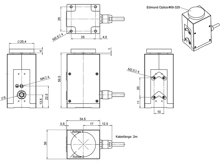
S-335 快速偏摆台
较短稳定时间和高动态线性化
- 偏摆角度达35毫弧度,光学偏转角度高达70毫弧度(4度)
- 高谐振频率实现动态运动,快速步进和稳定
- 并联运动设计:两条正交偏摆轴,一个公共旋转中心
- 应变传感器实现高线性度
- 可提供不同版本:不带反射镜、½"反射镜、1"反射镜
应用领域
- 图像处理/稳定
- 光学捕获
- 激光扫描/带大偏转角的光束偏转
- 激光调谐
- 光学过滤器/开关
- 光学
- 激光束稳定
PICMA压电陶瓷促动器带来超长使用寿命
的PICMA压电陶瓷促动器为全瓷绝缘。这可以防潮,避免漏电流增大造成故障。PICMA促动器的使用寿命比传统的聚合物绝缘促动器长达十倍。它们被证明可实现无故障运行1000亿个循环。
零间隙柔性铰链导向带来高导向精度
柔性铰链导向无需维护、无摩擦、无磨损,无需润滑。它们的刚性可实现高负载能力,且它们对冲击和振动不敏感。它们百分百真空兼容,可在很广的温度范围内工作。
自动配置和快速部件更换
机械部件和控制器可按需组合、快速更换。所有伺服和线性化参数均存储在机械部件的Sub-D连接器的ID芯片中。每当控制器启动时,数字控制器的自动校准功能就会使用这些数据。
并联运动实现高动态多轴操作
在并联多轴系统中,所有促动器作用于同一个运动平台。所有轴均具有超小的质量惯性并采用相同的设计,可实现快速、动态且精密的运动。
规格
该内容仅在平板电脑或桌面型设备上可见。规格
S-335.2SH* | S-335.2SHM1** | S-335.2SHM2*** | 单位 | 公差 | |
|---|---|---|---|---|---|
主动轴 | θX,θY | θX,θY | θX,θY | ||
运动和定位 | |||||
集成传感器 | 应变片传感器 | 应变片传感器 | 应变片传感器 | ||
偏摆角,闭环(0至120伏时的静态运动) | ±17.5 | ±17.5 | ±17.5 | 毫弧度 | |
分辨率,开环 | 0.1 | 0.1 | 0.1 | 微弧度 | 典型值 |
分辨率,闭环 | 1.0 | 1.0 | 1.0 | 微弧度 | 典型值 |
线性度 | 0.05(单向) | 0.05(单向) | 0.05(单向) | % | 典型值 |
重复精度 | 1(双向) | 1(双向) | 1(双向) | 微弧度 | 典型值 |
机械特性 | |||||
谐振频率,空载 | 2 | - | - | 千赫兹 | ±20 % |
带负载时的谐振频率,带Ø12.5毫秒×3毫米的石英玻璃反射镜 | 1.6 | 1.6 | - | 千赫兹 | ±20 % |
带负载时的谐振频率,带Ø25.4毫秒×4毫米的石英玻璃反射镜 | 0.7 | - | 0.7 | 千赫兹 | ±20 % |
旋转中心和平台表面之间的间隙 | 3.3 | 3.3 | 3.3 | 毫米 | ±0.25 毫米 |
驱动特性 | |||||
陶瓷类型 | PICMAP-885 | PICMAP-885 | PICMAP-885 | ||
每轴的电容 | 6.2 | 6.2 | 6.2 | 微法 | ±20 % |
其他 | |||||
ID芯片功能 | 是 | 是 | 是 | ||
工作温度范围 | -20 到 80 | -20 到 80 | -20 到 80 | °C | |
材料 平台 | 钛金属 | 钛金属 | 钛金属 | ||
质量(带电缆和连接器) | 320 | 325 | 330 | 克 | ±5 % |
电缆长度 | 2 | 2 | 2 | 米 | +100毫米/-0毫米 |
传感器/电压连接 | Sub-D 37(公头) | Sub-D 37(公头) | Sub-D 37(公头) | ||
推荐电控 | E-727 | E-727 | E-727 |
下载
产品注解
Product Change Notification Piezo Actuator Driven Products
文件
3D模型
S-335 3D-Model
报价/订购
就所需数量、价格和供货周期请求免费报价或描述您所需的改型。





















