S-340 压电偏摆台
高动态,用于直径长达75毫米(3英寸)的反射镜和光学元件
- 分辨率高达20纳弧度,优异的位置稳定性
- 光束偏转达4毫弧度
- 并联运动实现更高精度和动态
- 亚微秒级响应时间
- 用于直径长达75 毫米(3英寸)的反射镜;根据要求直径可达100 毫米(4英寸)
- 闭环版本可实现更佳的线性度
- 优异的温度稳定性
应用领域
- 图像处理/稳定
- 光学捕获
- 激光扫描/带大偏转角的光束偏转
- 激光调谐
- 光学过滤器/开关
- 光学
- 激光束稳定
PICMA压电陶瓷促动器带来超长使用寿命
的PICMA压电陶瓷促动器为全瓷绝缘。这可以防潮,避免漏电流增大造成故障。PICMA促动器的使用寿命比传统的聚合物绝缘促动器长达十倍。它们被证明可实现无故障运行1000亿个循环。
零间隙柔性铰链导向带来高导向精度
柔性铰链导向无需维护、无摩擦、无磨损,无需润滑。它们的刚性可实现高负载能力,且它们对冲击和振动不敏感。它们百分百真空兼容,可在很广的温度范围内工作。
并联运动实现高动态多轴操作
在并联多轴系统中,所有促动器作用于同一个运动平台。所有轴均具有超小的质量惯性并采用相同的设计,可实现快速、动态且精密的运动。
规格
该内容仅在平板电脑或桌面型设备上可见。规格
S-340.ASD / ASL | S-340.A0L | 单位 | 公差 | |
|---|---|---|---|---|
主动轴 | θX, θY | θX, θY | ||
运动和定位 | ||||
集成传感器 | 应变片传感器 | - | ||
θX、θY向上-20至+120伏时的开环偏摆角 | 2 | 2 | 毫弧度 | 最小 |
θX、θY向上的闭环偏摆角 | 2 | - | 毫弧度 | |
θX、θY向上的开环分辨率 | 0.02 | 0.02 | 微弧度 | 典型值 |
θX、θY向上的闭环分辨率 | 0.2 | - | 微弧度 | 典型值 |
θX、θY向上的线性误差 | 0.1 | - | % | 典型值 |
θX、θY向上的重复精度 | 0.15 | - | 微弧度 | 典型值 |
机械特性 | ||||
θX、θY向上的空载谐振频率 | 1.4 | 1.4 | 千赫兹 | ±20 % |
θX、θY向上带负载时的谐振频率(带玻璃反射镜,直径50毫米,厚度15毫米) | 0.9 | 0.9 | 千赫兹 | ±20 % |
θX、θY向上带负载时的谐振频率(带玻璃反射镜,直径75毫米,厚度22毫米) | 0.4 | 0.4 | 千赫兹 | ±20 % |
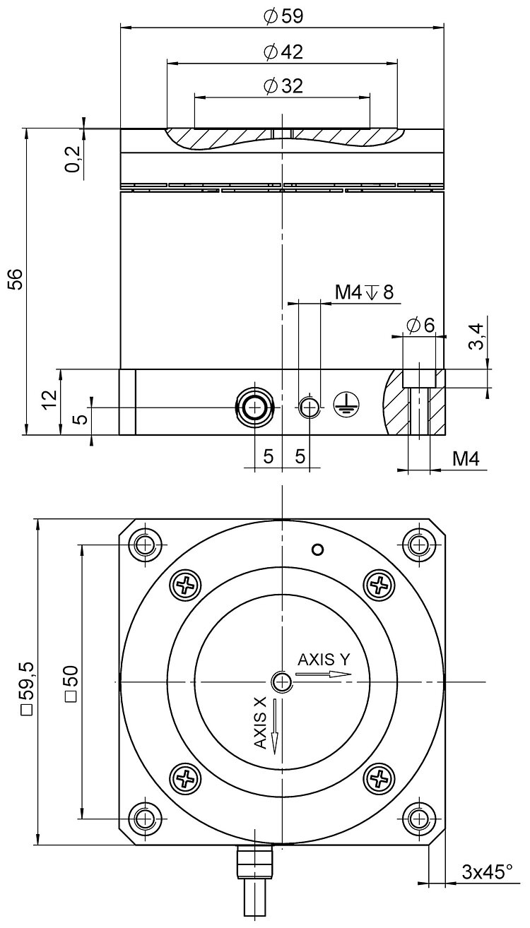
枢轴点至平台表面的距离 | 7.5 | 7.5 | 毫米 | ±1 毫米 |
平台 惯性力矩 | 18000 | 18000 | 克 × 平方毫米 | ±20 % |
驱动特性 | ||||
陶瓷类型 | PICMA | PICMA | ||
电容 | 6/轴 | 6/轴 | 微法 | ±20 % |
其他 | ||||
工作温度范围 | -20 到 80 | -20 到 80 | °C | |
外壳材料 | 铝 | 铝 | ||
平台材料 | 铝;或可选择钢、钛或殷钢 | 铝;或可选择钢、钛或殷钢 | ||
质量 | 0.355 | 0.350 | 千克 | ±5 % |
电缆长度 | 2 | 2 | 米 | +100毫米/-0毫米 |
传感器/电压连接 | ASD版本:Sub-D 25针(公头) ASL版本:LEMO | LEMO | ||
推荐电控 | E-616,E-727 | E-616,E-727 |
下载
产品注解
Product Change Notification Piezo Actuator Driven Products
文件
3D模型
S-340 3-D模型
报价/订购
就所需数量、价格和供货周期请求免费报价或描述您所需的改型。














