ND72Z2LAQ PIFOC物镜扫描系统 2000 微米
纳米级分辨率、快速步进和稳定
- 带数字式控制器、软件和M32 QuickLock螺纹连接器的整套系统
- USB、RS-232
- 传感器分辨率 0.5 nm
- Z向堆叠的高动态步进和稳定
- 其他螺口连接器作为选配件
- 与µManager、MetaMorph和MATLAB兼容
- 操作中的参数改变
应用领域
- 双光子显微镜
- 共聚焦显微镜
- 3D成像
- 激光技术
- 干涉测量
- 生物技术
- 显微操纵
- 自动聚焦可实现长行程
采用PiezoWalk步进驱动实现纳米精度和大进给力
数个压电陶瓷促动器在PiezoWalk步进驱动中执行步进运动,将动轮向前推进。促动器控制允许以远低于一纳米的分辨率进行最小步进和推进运动。
增量编码器用于高精度位置测量
非接触式光学线性编码器以极高的精度直接在平台上测量位置。非线性效应、机械作用或弹性形变不会对测量造成影响。
用于生产作业快速开始的大量软件
由于支持MATLAB和NI LabVIEW以及所有常规操作系统(Windows、Linux和macOS),集成可在几乎任意环境中快速有效的实现。复杂的编程示例和PIMikroMove等软件工具可大大缩短生产作业的准备时间。
规格
规格
ND72Z2LAQ | 单位 | 公差 | |
|---|---|---|---|
PIFOC物镜扫描系统 2000 微米 | |||
主动轴 | Z | ||
运动和定位 | |||
集成传感器 | 光学线性编码器 | ||
行程,闭环 | 2000 | 微米 | |
最小位移,闭环 | 5 | 纳米 | 典型值 |
机械特性 | |||
有效载荷为200 克时3微米每步的步进和稳定时间,稳定带宽为100 纳米 | <20 | 毫秒 | |
推荐负载* | 700 | 克 | 最大 |
驱动特性 | |||
压电陶瓷 | NEXACT | ||
其他 | |||
工作温度范围 | 15 到 40 | °C | |
材料 | 铝 | ||
质量 | 290 | 克 | ±5 % |
电缆长度 | 1.5 | 米 | ±10 毫米 |
压电式控制器 | E-861数字伺服(含在发货范围内) | ||
接口/通信 | USB、RS-232 | ||
连接器(电机) | HD Sub-D 15 | ||
连接器(传感器) | HD Sub-D 15 | ||
输入/输出连接器 | 4个数字输入(TTL、可编程) 4个数字输出(TTL、可编程) | ||
指令集 | PI General Command Set (GCS) | ||
用户软件 | PIMikroMove | ||
软件驱动器 | NI LabVIEW驱动器,用于Windows和Linux的动态库 支持MATLAB、MetaMorph、µManager | ||
支持功能 | 波形发生器、数据记录器、宏编程 | ||
控制器尺寸 | 160 毫米 × 96 毫米 × 33 毫米 |
下载
产品注解
Product Change Notification Motor Driven Products
数据表
文件
安装说明P721T0002
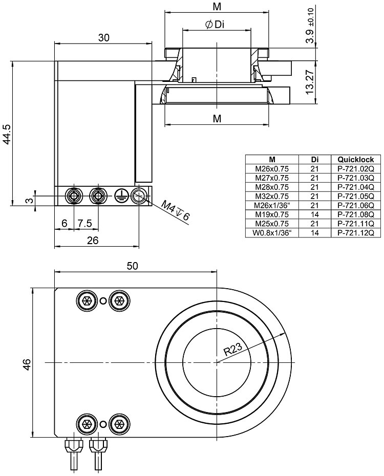
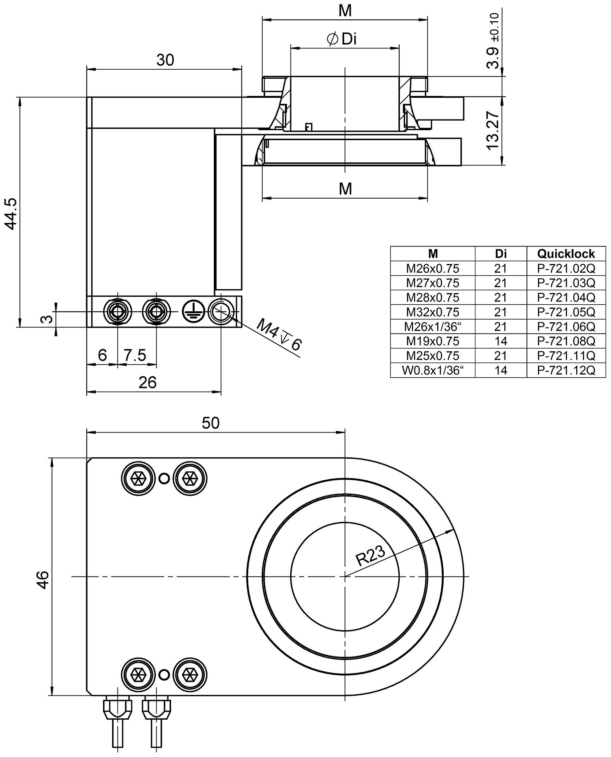
用于P-721/P-725.xxx PIFOC物镜扫描仪的P-721螺纹连接器
用户使用手册N725T0002
N-725.2A PIFOC Z Drive with NEXACT® Linear Motor
3D模型
3-D模型P-721.1xx
3-D模型ND72Z2LAQ
报价/订购
就所需数量、价格和供货周期请求免费报价或描述您所需的改型。









