N-331 PICMAWalk 步进驱动器
用于速度高达15毫米/秒、推拉力高达50牛的持久应用的OEM步进驱动器
- 带PICMA技术可实现超级耐久性的稳健型且可用于工业的步进驱动
- 其尺寸级别中最快、最强的驱动器
- 动轮长度的变化范围为25毫米至100 毫米
- 重达5公斤的负载的精确、纳米级精度定位
- 即插即用型,得益于PI专有的控制器技术
应用领域
- 工业级精度定位
- 半导体技术
- 半导体测试
- 晶圆检测
- 平版印刷术
- 纳米压印
- 纳米测量
- 强磁场和真空中运动
PICMA压电陶瓷促动器带来超长使用寿命
的PICMA压电陶瓷促动器为全瓷绝缘。这可以防潮,避免漏电流增大造成故障。PICMA促动器的使用寿命比传统的聚合物绝缘促动器长达十倍。它们被证明可实现无故障运行1000亿个循环。
采用PiezoWalk步进驱动实现纳米精度和大进给力
数个压电陶瓷促动器在PiezoWalk步进驱动中执行步进运动,将动轮向前推进。促动器控制允许以远低于一纳米的分辨率进行最小步进和推进运动。
增量编码器用于高精度位置测量
非接触式光学编码器以极高的精度直接在平台上测量位置。非线性效应、机械作用或弹性形变不会对测量造成影响。
适用于复杂真空应用
PI的压电电机原则上是真空兼容的,并且适合在强磁场中运行。驱动器的特殊版本适于此目的。压电陶瓷步进驱动器还可用于有较强紫外线辐射的无尘室或环境中。
规格
规格
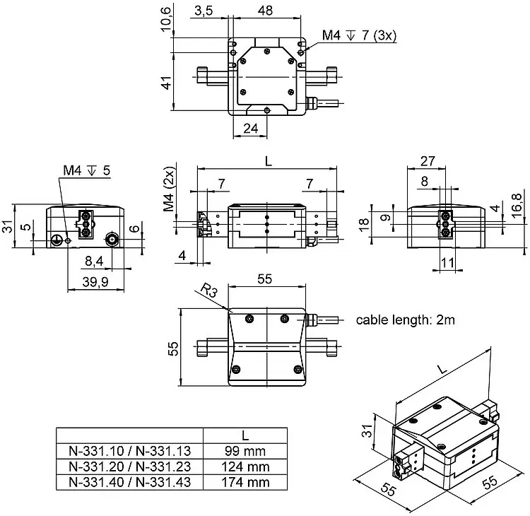
N-331.10 / N-331.13 N-331.20 / N-331.23 N-331.40 / N-331.43 | 单位 | 公差 | |
|---|---|---|---|
主动轴 | X | ||
运动和定位 | |||
集成传感器 | N-331.x0:不带传感器 N-331.x3:带增量传感器 | ||
行程(步进模式,开环)* | N-331.1x:30 N-331.2x:55 N-331.4x:105 | 毫米 | ±0.5 毫米 |
行程(步进模式,闭环) | N-331.1x:25 N-331.2x:50 N-331.4x:100 | 毫米 | |
步进频率** | 600 | 赫兹 | 最大 |
速度(步进模式)** | 15 | 毫米/秒 | 最大 |
行程(模拟模式) | ±10 | 微米 | 典型值 |
分辨率(开环) | 0.02 | 纳米 | 典型值 |
分辨率(闭环) | <10 (N-331.x3) | 纳米 | 典型值 |
耐久性(大气操作)*** | >30 | 公里 | |
机械特性 | |||
推/拉力(主动) | 50 | 牛 | 最大 |
保持力(被动) | 60 | 牛 | 最大 |
驱动特性 | |||
驱动类型 | PICMAWalk | ||
工作电压 | -20 到 120 | 伏 | |
连接器 | |||
连接器 | Sub-D 37(公头) | ||
其他 | |||
工作温度范围 | 0 到 50 | °C | |
材料 | 铝,不锈钢 | ||
包含电缆在内的质量 | N-331.1x:580 N-331.2x:610 N-331.4x:660 | 克 | ±20克 |
移动质量 | N-331.1x:110 N-331.2x:140 N-331.4x:190 | 克 | ±10克 |
电缆长度 | 2.0 | 米 | ±10 毫米 |
推荐电控 | E-712.1AN • E-712.2AN • E–712.3AN |
下载
数据表
文件
用户使用手册PZ271
N-331压电步进驱动器PICMAWalk
Product Note for the N-33x.xxx
3D模型
N-331 3D model
N-331 3D model
订购信息
就所需数量、价格和供货周期请求免费报价或描述您所需的改型。
如何获取报价
询问工程师
通过电子邮件或电话从当地PI销售工程师处快速获取解答。
技术

PiezoWalk®步进驱动器
PiezoWalk®驱动器是十多年前为半导体产业开发的。就可靠性、位置分辨率和长期稳定性而言,半导体产业是一个非常严苛的行业。

PICMA®技术
利用多层促动器的制造工艺实现高度可靠的和更长的使用寿命

真空
认真处理、充足空间:PI不仅具有验定材料、部件和最终产品的必要设备,同时也具有高真空和超高真空定位系统方面的多年经验。

数字运动控制器
数字技术为提高不存在于传统模拟技术的控制工程的性能开辟了可能性。

增量式传感器
PI将增量测量系统用于超过1毫米的较长行程范围。这些传感器,大多数情况下都是光学传感器,可实现低至皮米的位置分辨率。

多轴定位器
六足位移台平台适用于在所有六个自由度(即三根线性轴和三根旋转轴)实现负载的准确定位和校准。











