NEXLINE® OEM线性促动器;NEXLINE®压电陶瓷步进驱动器;行程为10mm;进给力为50N;电缆长度为1.5m
N-111 NEXLINEOEM线性促动器
长行程纳米定位,PiezoWalk®原理
- 行程为10mm
- 集成式直接测量线性光栅尺,分辨率为5nm
- 产生的力高达50N
- 保持力达70N
N-111 NEXLINEOEM线性促动器
产品描述
规格
下载
报价/订购
应用领域
- 工业级精密定位
- 半导体技术
- 半导体测试
- 晶圆检测
- 光刻
- 纳米压印
- 纳米测量
- 可在强磁场和真空中运动
采用PiezoWalk®步进驱动实现纳米精度和大进给力
数个压电陶瓷促动器在PiezoWalk®步进驱动中执行步进运动,将动轮向前推进。 促动器控制可实现以远低于1nm分辨率的最小步进和推进运动。
增量式线性光栅尺用于高精度位置测量
非接触式光学编码器以极高的精度直接测量台子的位置。 非线性效应、机械间隙或弹性形变不会对测量造成影响。
适用于复杂真空应用
PI压电电机可设计用于真空,并且适合在强磁场中运行。 特殊版本的驱动器适于此目的。 压电陶瓷步进驱动器还可用于有较强紫外线辐射的环境中或无尘室中。
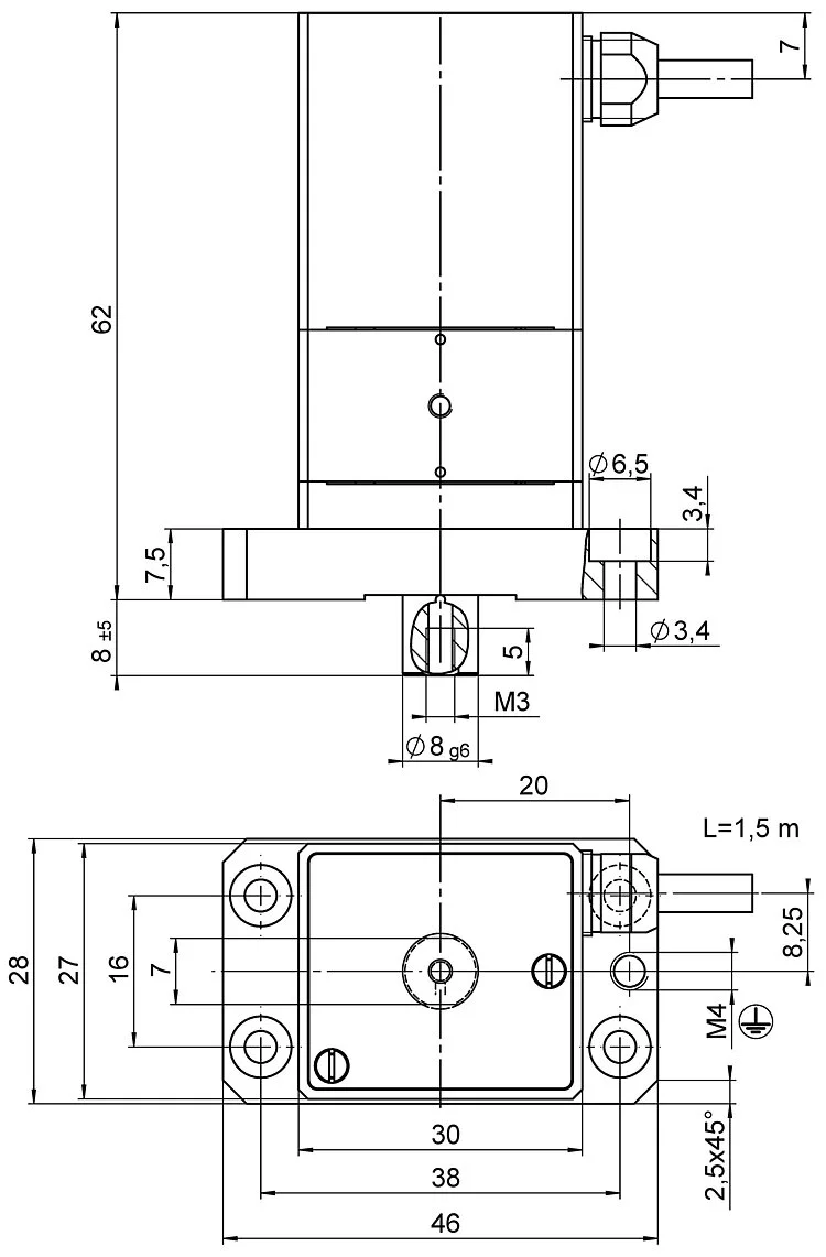
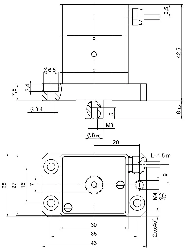
规格
规格
选择行程范围:
| 运动 | N-111.201 | N-111.2A1 | 公差 |
|---|---|---|---|
| 主动轴 | X | X | |
| X向的行程 | 10 mm | 10 mm | |
| X向的行程(模拟模式) | ± 2 µm | ± 2 µm | |
| 速度(10%占空比,全步模式) | 1 mm/s | 1 mm/s | max. |
| 速度(100%占空比,全步模式) | 0.6 mm/s | 0.6 mm/s | max. |
| 速度(100%占空比,纳米步进模式) | 0.4 mm/s | 0.4 mm/s | max. |
| 定位 | N-111.201 | N-111.2A1 | 公差 |
| 参考点开关 | — | 光学、方向感应(参考边缘跟踪),5V,TTL | |
| X向的开环分辨率 | 0.025 nm | 0.025 nm | typ. |
| 集成传感器 | — | 增量式直线光栅尺 | |
| X向的系统分辨率 | — | 5 nm | |
| 驱动性能 | N-111.201 | N-111.2A1 | 公差 |
| 驱动类型 | NEXLINE压电步进驱动器 | NEXLINE压电步进驱动器 | |
| 工作电压 | -250至+250 V | -250至+250 V | |
| X向的驱动力 | 50 N | 50 N | max. |
| 机械性能 | N-111.201 | N-111.2A1 | 公差 |
| X向的保持力,被动 | 70 N | 70 N | min. |
| 总质量 | 245 g | 325 g | |
| 材料 | 铝,不锈钢,钛 | 铝,不锈钢,钛 | |
| 其他 | N-111.201 | N-111.2A1 | 公差 |
| 工作温度范围 | 0至55 °C | 0至55 °C | |
| 接头 | D-sub 25(公头) | D-sub 25(公头) | |
| 电缆长度 | 1.5 m | 1.5 m | +50 mm / -0 mm |
| 推荐控制器/驱动器 | E-713 | E-713 |
全步模式下的速度 取决于驱动电控。
nanostepping模式下的速度:取决于驱动电控。 nanostepping模式下的最大速度是为了实现最佳恒定性设计的,如此一来,步进时就没有速度变化
驱动力:数据适用于fullstep模式下。
PI技术数据是在22±3°C环境温度下定义的。除非有特别说明,所有数值均基于无负载的情况。某些性能参数是相互关联的。“typ.”标识 是指属性的统计平均值,并非承诺每个交付产品均达到该数值。在产品交付前的最后检验中,我们只检测选定的属性,而不是全部属性。请注意,产品的某些特性可能会随着使用时间的增长而逐渐下降。
报价/订购
就所需数量、价格和供货周期请求免费报价或描述您所需的改型。
N-111.201
N-111.2A1
NEXLINE® OEM线性促动器;NEXLINE®压电陶瓷步进驱动器;行程为10mm;进给力为50N;增量式线性光栅尺;电缆长度为1.5m















