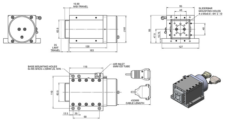
A-131 带空气轴承的PIglideVC音圈线性平台
高性能小型纳米级定位系统
- 扫描应用的完美选择或精密定位
- 无尘室兼容
- 行程达25 毫米
- 负载容量达30牛
- 加速度达80米/平方秒
A-131 带空气轴承的PIglideVC音圈线性平台
产品描述
规格
下载
报价/订购
产品概述
带空气轴承和音圈驱动器的PIglide平台外形紧凑,可提供高速度和高加速度。
运动平台的部件无接触,可确保最高的性能、质量和使用寿命。
音圈驱动器技术
音圈驱动器由两个基本零件组成:永磁体和线圈,线圈位于磁场的气隙中。当电流流过线圈时,线圈在永磁体的磁场中移动。运动方向取决于极性。音圈驱动器具有低重量并且基于无摩擦驱动原理,因此特别适合在有限行程内要求高动态性和高速度的应用。这类驱动器还可提供高扫描频率和精密定位,因为它们不存在磁滞效应。
附件和可选配件
- PIglide过滤器和空气预处理器
- 单轴和多轴运动控制器
应用领域
高速扫描、制造业中的应用。
由于无摩擦运动,因此不会形成颗粒,从而使平台成为无尘室应用的优先选择。
规格
该内容仅在平板电脑或桌面型设备上可见。规格
Select a travel range:
(1)取决于平台安装表面的平面度。
(2)可能受有效载荷、控制器或驱动器的限制。
(3)假定重心居中,位于离运动平台不超过50毫米的位置。
(4)假定16384x插值。有关其他因子的使用,请联系PI。
(5)通过基于控制器的误差补偿,可获得改善的精度。为实现这些数值,平台必须与PI控制器一同订购。
(6)为防止平台损坏,建议将空气压力传感器连接到控制器运动停止输入端。
下载
文件
文件
用户使用手册A131D001
A-131系列音圈线性空气轴承平台
版本/日期
1.1 2021-12-03
pdf - 862 KB
English
3D模型
3D模型
A-131 3-D模型
zip - 1 MB
报价/订购
就所需数量、价格和供货周期请求免费报价或描述您所需的改型。
A-131.025A1
PIglide VC 线性平台, 空气轴承, 25 mm 行程, 音圈, 48 V,带正弦/余弦信号传输的线性编码器,20微米信号周期











