LS-270 用于超高负载的线性平台
高刚性的坚固设计
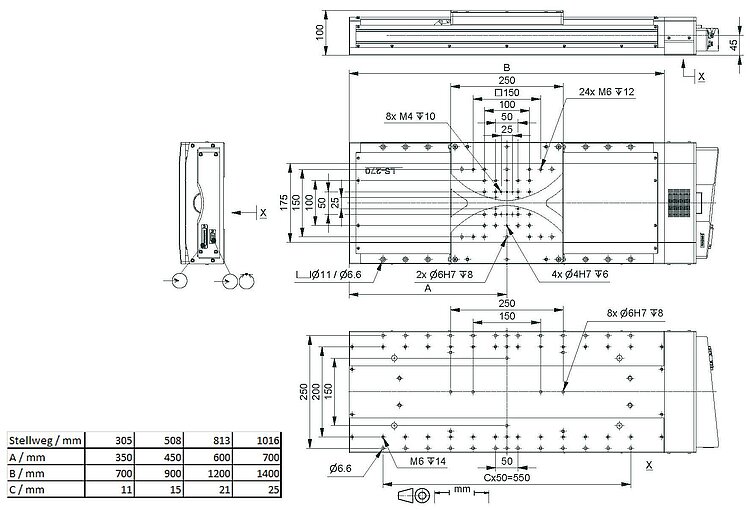
- 行程为305至1016毫米(12至40英寸)
- 优异的运动精度
- 最大速度高达150毫米/秒
- 负载能力达1500牛
- 带线性测量系统的型号
参考级线性平台
交叉滚柱导轨提高了运动精度和负载能力,且使用寿命长。精密滚珠丝杠,螺距为5毫米 应力消除铝基座可实现高稳定性。非接触感应式限位开关。
驱动器类型
- 电机轴上带旋转编码器的闭环直流伺服电机
- 2相步进电机可实现高转矩(即使低速时)和高分辨率
带直接位置测量的版本
集成线性编码器,安装在导向装置之间。运动平台的直接位置测量,动力传动系统中的机械游隙和滞后对定位精度无影响。
最小位移
结合SMC Hydra控制器,带步进电机和集成线性编码器的版本可在传感器分辨率范围内实现可重复的最小位移。同样的配置可实现几传感器增量每秒的恒定低速。
应用领域
用于工业和科研的精密定位,高占空比。
规格
该内容仅在平板电脑或桌面型设备上可见。规格
623991x04 | 623992x04 | 62399xx14 | 单位 | 公差 | |
|---|---|---|---|---|---|
带直流电机和旋转编码器的线性平台 | 带步进电机的线性平台 | 同样带线性编码器(直接位置测量) | |||
运动轴 | X | X | |||
运动和定位 | |||||
行程* | 305 (12") / 508 (20") / 815 (32") / 1016 (40") | 305 (12") / 508 (20") / 815 (32") / 1016 (40") | 毫米(英寸) | ||
集成传感器 | 旋转编码器 | – | 线性编码器 | ||
设计分辨率 | 0.25 | 12.5(全步) | 0.05** | 微米 | |
最小位移 | 0.5 | 0.4 | 0.05 | 微米 | 典型值 |
单向重复精度 | 0.5 | 0.4 | 0.15 | 微米 | 典型值 |
空回 | 5 | 5 | – | 微米 | 典型值 |
双向重复性 | ±2.5 | ±2.5 | ±0.15 | 微米 | 典型值 |
串扰,角度误差xry(螺距) | ±40 / ±80 / ±100 / ±120 | ±40 / ±80 / ±100 / ±120 | 微弧度 | 典型值 | |
串扰,角度误差xrz(偏转角) | ±20 / ±30 / ±40 / ±50 | ±20 / ±30 / ±40 / ±50 | 微弧度 | 典型值 | |
直线度/平面度 | ±3 / ±4 / ±7 / ±10 | ±3 / ±4 / ±7 / ±10 | 微米 | 典型值 | |
最大速度 | 150 | 50 | 毫米/秒 | ||
机械特性 | |||||
滚珠丝杠 | 5 | 5 | 毫米 | ||
负载容量 | 1500 | 1500 | 牛 | 最大 | |
推拉力 | 200 | 260 | 牛 | 最大 | |
可允许的侧向力 | 1200 | 1200 | 牛 | 最大 | |
保持力 | 20 | 30 | 牛 | 最大 | |
X向上的刚性kαx | 1.6 | 1.6 | 微弧度/牛米 | 最大 | |
Y向上的刚性kαy | 3.2 | 3.2 | 微弧度/牛米 | 最大 | |
X向上的允许力矩Mx | 600 | 600 | 牛米 | 最大 | |
Y向上的允许力矩My | 250 | 250 | 牛米 | 最大 | |
Z向上的允许力矩Mz | 250 | 250 | 牛米 | 最大 | |
驱动特性 | |||||
电机类型 | 直流电机 | 两相步进电机*** | |||
工作电压 | 24 | 伏 | |||
限位开关 | 感应式 | 感应式 | |||
其他 | |||||
工作温度范围 | -20 到 65 | -20 到 65 | 0 到 55 | °C | |
材料 | 铝,阳极氧化致黑 | 铝,阳极氧化致黑 | |||
质量 | 29 / 35 / 43 / 50 | 29 / 35 / 43 / 50 | 也为0.9 | 千克 | ±5 % |
连接器 | Sub-D 25 | Sub-D 25 | 电机:Sub-D 25 传感器:Sub-D 9 | ||
*推荐控制器: | SMC Hydra运动控制器(双通道) C-863(单通道) | SMC Hydra运动控制器(双通道) C-663(单通道) | SMC Hydra运动控制器(双通道) |
下载
产品注解
Product Change Notification Motor Driven Products
文件
用户使用手册LS-270
UserManual LS270T0003
Lubricating Instructions for LS-270
3D模型
LS-270 3-D模型
订购信息
就所需数量、价格和供货周期请求免费报价或描述您所需的改型。












