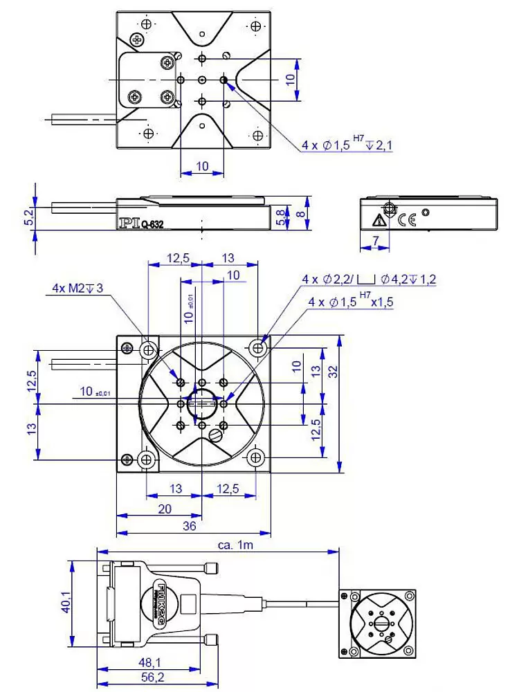
Q-632 Q-Motion®转台

通过压电电机实现其紧凑外形:转台直径为30毫米

  • 宽仅32毫米、高仅8毫米
  • 采用增量编码器实现直接位置测量,编码器分辨率为0.75微弧度
  • 最小位移高达3微弧度
  • 旋转范围>360度
  • 速度为45度/秒
Q-632 Q-Motion®转台
产品描述 规格 下载 报价/订购

压电惯性驱动器

压电陶瓷惯性驱动器为空间节约型且价格实惠的基于压电陶瓷的驱动器,其保持力相对较大,行程几乎是无限的。惯性驱动原理是基于由特殊驱动器电控提供的修正锯齿波电压控制的单个压电促动器。促动器缓慢膨胀,移动转子。由于其惯性,转子无法跟上促动器随后的快速收缩,停留在其位置上。工作频率高达20千赫兹时,驱动直接作用在转子上,实现最大为45度/秒的速度

应用领域

微装配、光子学、光学对准、显微镜、高能束线设备、半导体技术、测试应用

规格

数据表

数据表Q-632

版本/日期
2020-06-24
pdf - 362 KB
版本/日期
2020-06-24
pdf - 364 KB
版本/日期
2021-01-14
pdf - 344 KB

下载

产品注解

产品注解

Product Change Notification Q-xxx; N-765

版本/日期
2019-03-26
pdf - 435 KB
English

数据表

数据表

数据表Q-632

版本/日期
2020-06-24
pdf - 362 KB
版本/日期
2020-06-24
pdf - 364 KB
版本/日期
2021-01-14
pdf - 344 KB

文件

文件

简单说明MP139EK

Q-Motion®定位器:Q-5xx、Q-6xx

版本/日期
4.4.0 08/2025
pdf - 215 KB
版本/日期
4.4.0 08/2025
pdf - 221 KB
文件

用户使用手册MP129

Q-632 Q-Motion小型旋转台,具有30mm转盘直径,压电惯性驱动器

版本/日期
1.1.4 2022-07-05
pdf - 2 MB
版本/日期
1.1.4 2022-07-05
pdf - 2 MB

3D模型

3D模型

Q-632 3D 模型

zip - 2 MB

报价/订购

就所需数量、价格和供货周期请求免费报价或描述您所需的改型。

Q-632.930
Q-Motion® 转台,压电惯性驱动,旋转范围>360度,增量编码器,分辨率为0.75微弧度,力矩为6毫牛米,直径为30毫米

如何获取报价

点击“报价/订购”
将产品类型添加到报价列表
填写报价单
向PI发送报价需求
我们会尽快与您联系

询问工程师

通过电子邮件或电话从当地PI销售工程师处快速获取解答。

兼容电子元件 兼容配件 相关产品