U-624 PILine转台
带超声波压电电机的小型平台
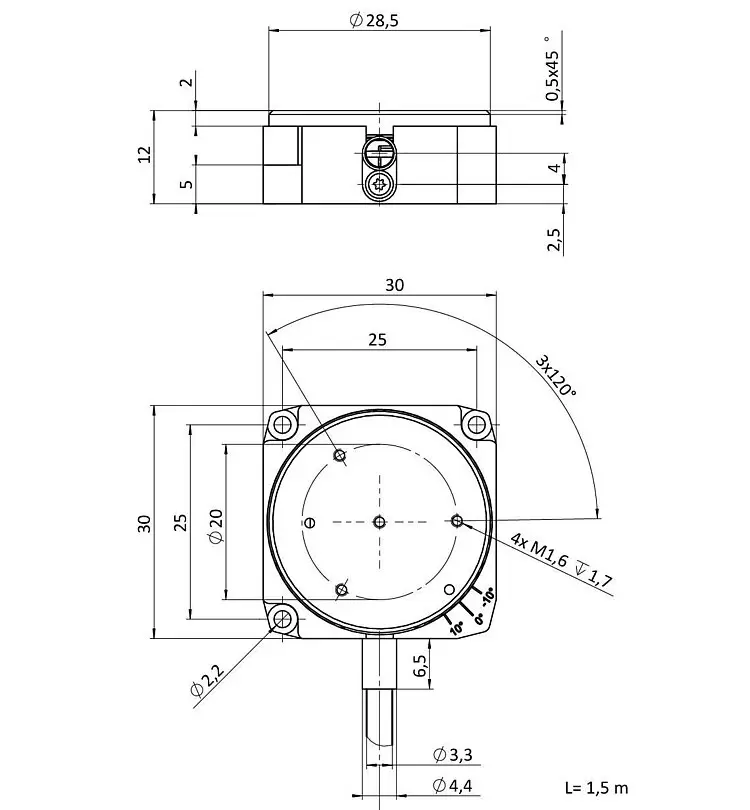
- 极其节省空间:边缘长度仅为30毫米,高度为12毫米
- 快速精密定位小型负载:速度达720 度/秒,最小位移达105微弧度
- 无限旋转范围>360°
- 驱动力矩10毫牛米
- 关机后自锁:节约能量,减少热量产生
- 轻巧、低噪音
U-624 PILine转台
产品描述
规格
下载
报价/订购
精密级转台
PILine平台尤其适合要求快速精密定位的应用。关机后,自锁驱动器保持平台位置的机械稳定。因而可大大减少能量消耗和热量产生。蓄电池驱动或热敏型的低占空比应用可得益于这些特点。轴的位置通过一个编码器和一个光学参考开关测量,该开关允许可靠的可重复运动。压电电机驱动器原理及其电气操作成本低,可定制。
PILine超声波压电电机
作为PILine超声波压电电机不可或缺的一部分,压电陶瓷促动器上被施加预载,通过一个耦合元件抵住移动导向转子。在100至200千赫兹的高频交流电压的作用下,压电陶瓷促动器被激发产生超声波谐振。促动器的变形使耦合元件相对于转子产生周期性的对角运动。建立的进给为几纳米每循环;高频率带来高速度。在压电陶瓷促动器上相对于动轮施加预载可确保驱动器在静止状态下和关机时自锁。
增量编码器用于高精度位置测量
非接触式光学编码器以极高的精度直接在平台上测量位置。非线性效应、机械作用或弹性形变不会对测量造成影响。
应用领域
显微操纵, 自动化, 生物技术, 样本操纵, 样本定位, 光学计量
报价/订购
就所需数量、价格和供货周期请求免费报价或描述您所需的改型。
U-624.03
PILine转台,小巧设计,旋转范围>360度,速度为720度/秒,增量编码器,分辨率为35微弧度,直径为28.5 毫米,压电超声波电机
配件
U-600.A01
用于PILine的延伸电缆,Sub-D15针,1 米
U-600.A03
用于PILine的延伸电缆,Sub-D15针,3米
U-600.A05
用于PILine的延伸电缆,Sub-D15针,5米


















