P-752 高精度纳米定位平台
具有极其准确的导向的高动态稳定型压电陶瓷扫描器
- 分辨率0.1纳米
- 快速响应
- 行程达35微米
- 电容式传感器带来最高线性度
- 无摩擦柔性铰链导向可实现极高的运动精度
- PICMA压电陶瓷促动器带来超长使用寿命
描述
应用领域
- 扫描显微镜
- 测量技术
- 测试程序和质量保证
- 光子
- 光纤定位
PICMA压电陶瓷促动器带来超长使用寿命
的PICMA压电陶瓷促动器为全瓷绝缘。这可以防潮,避免漏电流增大造成故障。PICMA促动器的使用寿命比传统的聚合物绝缘促动器长达十倍。它们被证明可实现无故障运行1000亿个循环。
带电容式传感器,实现亚纳米分辨率
电容式传感器以亚纳米分辨率进行测量,且无接触。它们可确保优异的运动线性、长期稳定性和千赫兹范围的带宽。
零间隙柔性铰链导向带来高导向精度
柔性铰链导向无需维护、无摩擦、无磨损,无需润滑。它们的刚性可实现高负载能力,且它们对冲击和振动不敏感。它们百分百真空兼容,可在很广的温度范围内工作。
自动配置和快速部件更换
机械部件和控制器可按需组合、快速更换。所有伺服和线性化参数均存储在机械部件的Sub-D连接器的ID芯片中。每当控制器启动时,数字控制器的自动校准功能就会使用这些数据。
直接位置测量带来高精度
运动直接在运动平台上测量,完全不受驱动或导向元件的影响。这样可以实现高重复精度、优异的稳定性和刚性、快速响应控制。
规格
规格
P-752.11C | P-752.1CD | P-752.21C | P-752.2CD | 单位 | 公差 | |
|---|---|---|---|---|---|---|
主动轴 | X | X | X | X | ||
运动和定位 | ||||||
集成传感器 | 电容式 | 电容式 | 电容式 | 电容式 | ||
-20至+120伏时的开环行程 | 20 | 20 | 35 | 35 | 微米 | +20 % / -0 % |
行程,闭环 | 15 | 15 | 30 | 30 | 微米 | |
分辨率,开环/闭环 | 0.1 | 0.1 | 0.2 | 0.2 | 纳米 | 典型值 |
线性误差,闭环 | 0.03 | 0.03 | 0.03 | 0.03 | % | 典型值 |
重复精度 | ±1 | ±1 | ±2 | ±2 | 纳米 | 典型值,全行程 |
螺距/偏转角 | ±1 | ±1 | ±1 | ±1 | 微弧度 | 典型值 |
机械特性 | ||||||
运动方向上的刚性 | 30 | 30 | 20 | 20 | 牛/微米 | ±20 % |
谐振频率,空载 | 3200 | 3200 | 2100 | 2100 | 赫兹 | ±20 % |
带300 克负载时的谐振频率 | 980 | 980 | 600 | 600 | 赫兹 | ±20 % |
运动方向上的推/拉力 | 100 / 10 | 100 / 10 | 100 / 10 | 100 / 10 | 牛 | 最大 |
负载容量 | 30 | 30 | 30 | 30 | 牛 | 最大 |
驱动特性 | ||||||
陶瓷类型 | PICMAP-885 | PICMAP-885 | PICMAP-885 | PICMAP-885 | ||
电容 | 2.1 | 2.1 | 3.7 | 3.7 | 微法 | ±20 % |
其他 | ||||||
工作温度范围 | -20 到 80 | -20 到 80 | -20 到 80 | -20 到 80 | °C | |
材料 | 钢 | 钢 | 钢 | 钢 | ||
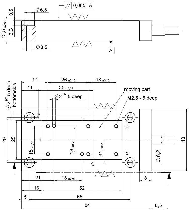
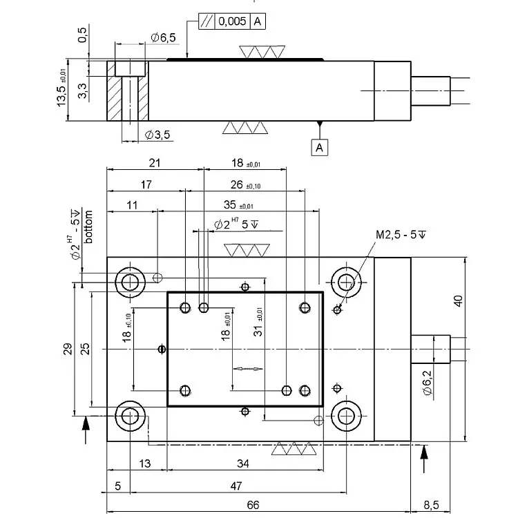
尺寸 | 66 毫米 × 40 毫米 × 13.5 毫米 | 66 毫米 × 40 毫米 × 13.5 毫米 | 84 毫米 × 40 毫米 × 13.5 毫米 | 84 毫米 × 40 毫米 × 13.5 毫米 | ||
质量 | 0.25 | 0.25 | 0.35 | 0.35 | 千克 | ±5 % |
电缆长度 | 1.5 | 1.5 | 1.5 | 1.5 | 米 | ±10 毫米 |
传感器/电压连接 | LEMO | Sub-D 7W2(公头) | LEMO | Sub-D 7W2(公头) | ||
推荐电控 | E-505、E-610、E-625、E-665、E-754 | E-505、E-610、E-625、E-665、E-754 | E-505、E-610、E-625、E-665、E-754 | E-505、E-610、E-625、E-665、E-754 |
下载
产品注解
Product Change Notification Piezo Actuator Driven Products
数据表
文件
3D模型
P-752 3-D模型
报价/订购
就所需数量、价格和供货周期请求免费报价或描述您所需的改型。





















