P-753 LISA线性促动器和平台
位置动态稳定
- 同时为平台和促动器提供导向
- 行程达38 微米
- 分辨率 0.1 nm
- 可提供非磁性版本
- 直接驱动可实现极其快速的响应行为
- 电容式传感器带来最高线性度
描述
应用领域
- 扫描显微镜
- 测量技术
- 测试程序和质量保证
- 光子
- 光纤定位
PICMA压电陶瓷促动器带来超长使用寿命
的PICMA压电陶瓷促动器为全瓷绝缘。这可以防潮,避免漏电流增大造成故障。PICMA促动器的使用寿命比传统的聚合物绝缘促动器长达十倍。它们被证明可实现无故障运行1000亿个循环。
带电容式传感器,实现亚纳米分辨率
电容式传感器以亚纳米分辨率进行测量,且无接触。它们可确保优异的运动线性、长期稳定性和千赫兹范围的带宽。
零间隙柔性铰链导向带来高导向精度
柔性铰链导向无需维护、无摩擦、无磨损,无需润滑。它们的刚性可实现高负载能力,且它们对冲击和振动不敏感。它们百分百真空兼容,可在很广的温度范围内工作。
直接位置测量带来高精度
运动直接在运动平台上测量,完全不受驱动或导向元件的影响。这样可以实现高重复精度、优异的稳定性和刚性、快速响应控制。
适用于复杂真空应用
压电陶瓷系统中使用的所有部件均非常适合于在真空中使用。操作无需润滑剂或润滑脂。无聚合物的压电陶瓷系统可实现极低的排气率。
PICMA直接驱动可实现更高刚性和动态
带直接驱动的压电陶瓷纳米定位器无机械平移,带PICMA直接驱动的压电陶瓷纳米定位器无机械平移。因此可实现快速响应速度,并在压电陶瓷驱动范围内实现最高的刚性和动态。
规格
规格
P-753.1CD | P-753.2CD | P-753.3CD | 单位 | 公差 | |
|---|---|---|---|---|---|
主动轴 | X | X | X | ||
运动和定位 | |||||
集成传感器 | 电容式 | 电容式 | 电容式 | ||
行程,闭环 | 15 | 30 | 38 | 微米 | |
分辨率,闭环 | 0.1 | 0.2 | 0.25 | 纳米 | 典型值 |
线性误差,闭环 | 0.03 | 0.03 | 0.03 | % | 典型值 |
重复精度 | ±1 | ±2 | ±3 | 纳米 | 典型值 |
螺距/偏转角 | ±5 | ±7 | ±10 | 微弧度 | 典型值 |
机械特性 | |||||
运动方向上的刚性 | 45 | 24 | 16 | 牛/微米 | ±20 % |
谐振频率,空载 | 5.6 | 3.7 | 2.9 | 千赫兹 | ±20 % |
带200 克负载时的谐振频率 | 2.5 | 1.7 | 1.4 | 千赫兹 | ±20 % |
运动方向上的推/拉力 | 100 / 20 | 100 / 20 | 100 / 20 | 牛 | 最大 |
负载能力(垂直/水平操作) | 10 / 2 | 10 / 2 | 10 / 2 | 千克 | 最大 |
驱动特性 | |||||
陶瓷类型 | PICMAP-885 | PICMAP-885 | PICMAP-885 | ||
电容 | 1.5 | 3.1 | 4.6 | 微法 | ±20 % |
其他 | |||||
工作温度范围 | -20 到 80 | -20 到 80 | -20 到 80 | °C | |
材料 | 钢 | 钢 | 钢 | ||
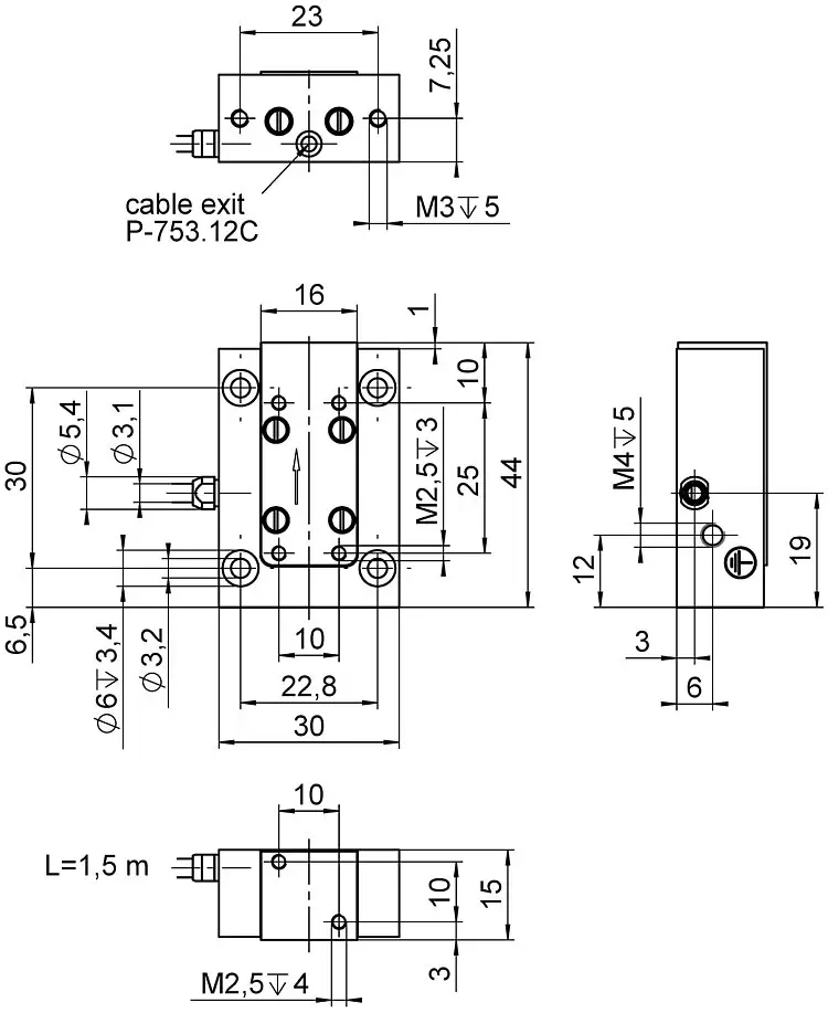
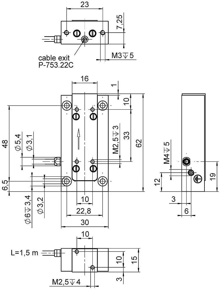
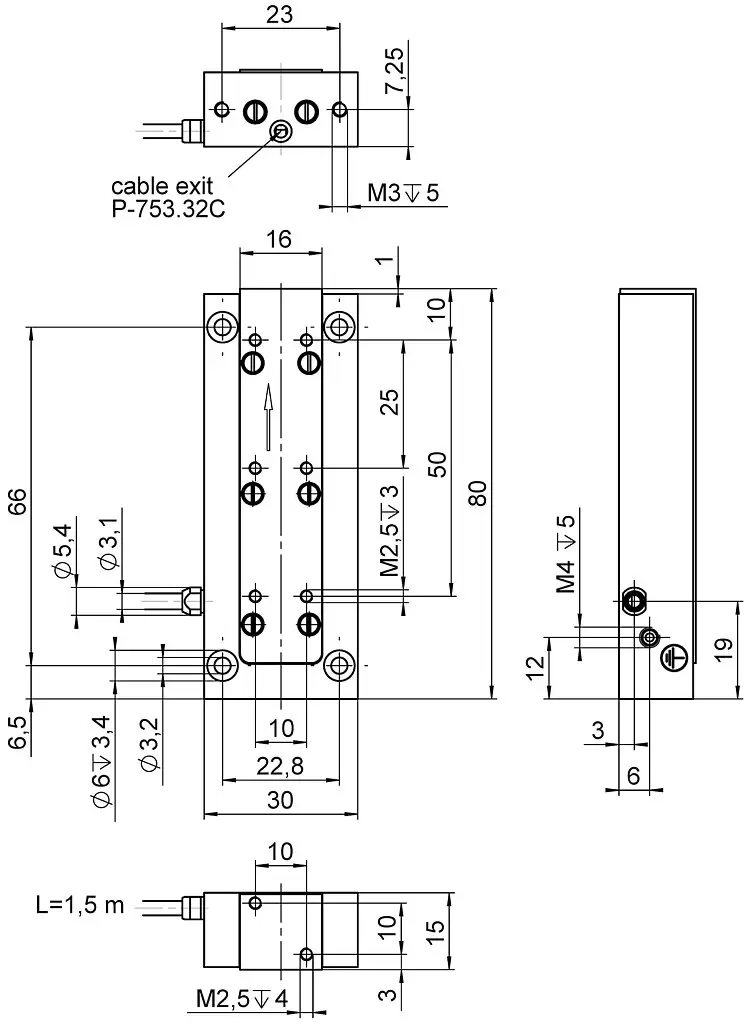
尺寸 | 44 毫米 × 30 毫米 × 15 毫米 | 62 毫米 × 30 毫米 × 15 毫米 | 80 毫米 × 30 毫米 × 15 毫米 | ||
质量 | 0.16 | 0.215 | 0.26 | 千克 | ±5 % |
电缆长度 | 1.5 | 1.5 | 1.5 | 米 | ±10 毫米 |
传感器/电压连接 | D-sub 7W2(公头) | D-sub 7W2(公头) | D-sub 7W2(公头) | ||
推荐电控 | E-625,E-754 | E-625,E-754 | E-625,E-754 |
下载
产品注解
Product Change Notification Piezo Actuator Driven Products
数据表
文件
3D模型
P-753 3-D模型
报价/订购
就所需数量、价格和供货周期请求免费报价或描述您所需的改型。



















