P-562.6CD PIMars六轴压电平台系统
六自由度高精度纳米定位系统
- 6个运动轴:3个为线性,3个为旋转
- 行程达200微米(线性)和1毫弧度(偏摆角)
- 并联运动实现更快的响应时间和更高的多轴精度
- 电容式传感器带来最高线性度
- 零间隙,高精度柔性铰链导向系统
- 优异的扫描平面度
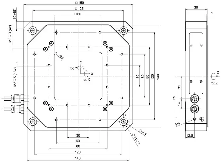
- 通孔尺寸66 毫米×66 毫米
- PICMA压电陶瓷促动器带来超长使用寿命
- 超高真空兼容至10-9百帕
P-562.6CD PIMars六轴压电平台系统
产品描述
规格
下载
报价/订购
应用领域
- 扫描显微镜
- 超分辨率显微镜
- 生物技术
- 掩模/晶圆定位
- 样本定位
- 干涉测量
- 计量
PICMA压电陶瓷促动器带来超长使用寿命
的PICMA压电陶瓷促动器为全瓷绝缘。这可以防潮,避免漏电流增大造成故障。PICMA促动器的使用寿命比传统的聚合物绝缘促动器长达十倍。它们被证明可实现无故障运行1000亿个循环。
带电容式传感器,实现亚纳米分辨率
电容式传感器以亚纳米分辨率进行测量,且无接触。它们可确保优异的运动线性、长期稳定性和千赫兹范围的带宽。
零间隙柔性铰链导向带来高导向精度
柔性铰链导向无需维护、无摩擦、无磨损,无需润滑。它们的刚性可实现高负载能力,且它们对冲击和振动不敏感。它们百分百真空兼容,可在很广的温度范围内工作。
并联位置测量实现纳米级的高跟踪精度
各自由度均相对于单一固定参考进行了测量。对其他轴的不良运动串扰均可得到实时主动补偿(取决于带宽)(主动导向)。即使在动态操作中,跟踪精度也可高达纳米级。
适用于复杂真空应用
压电陶瓷系统中使用的所有部件均非常适合于在真空中使用。操作无需润滑剂或润滑脂。无聚合物的压电陶瓷系统可实现极低的排气率。
规格
规格
P-562.6CD | 单位 | 公差 | |
|---|---|---|---|
主动轴 | X,Y,Z,θX,θY,θZ | ||
运动和定位 | |||
集成传感器 | 电容式 | ||
X、Y、Z向上的闭环行程 | 200 | 微米 | |
θX、θY、θZ向上的闭环偏摆角 | ±0.5 | 毫弧度 | |
X、Y、Z向上的闭环分辨率 | 1 | 纳米 | 典型值 |
θX、θY、θZ向上的闭环分辨率 | 0.1 | 微弧度 | 典型值 |
X、Y和Z向上的线性误差 | 0.01 | % | 典型值 |
θX、θY、Z向上的线性误差 | 0.1 | % | 典型值 |
X/Y/Z向上的重复精度 | ±2 / ±2 / ±3 | 纳米 | 典型值 |
θX/θY/θZ向上的重复精度 | ±0.1 / ±0.1 / ±0.15 | 微弧度 | 典型值 |
平面度 | <15 | 纳米 | 典型值 |
机械特性 | |||
X/Y/Z向上的空载谐振频率 | 110 / 110 / 190 | 赫兹 | ±20 % |
负载能力* | 5 | 千克 | 最大 |
驱动特性 | |||
陶瓷类型 | PICMA | ||
X/Y/Z向上的电容 | 7.4 / 7.4 / 14.8 | 微法 | ±20 % |
其他 | |||
工作温度范围 | -20 到 80 | °C | |
材料 | 铝 | ||
质量 | 1.45 | 千克 | ±5 % |
电缆长度 | 1.5 | 米 | ±10 毫米 |
传感器/电压连接 | 2 × Sub-D 25W3(公头) | ||
推荐电控 | E-712 |
* 水平安装时(立于表面上,非悬挂式).
因为PI压电陶瓷纳米定位系统无摩擦,所以系统分辨率仅受放大器噪声和测量技术的限制。
所有规格参数基于室温(22°C±3°C)。
可按需提供其他行程。











