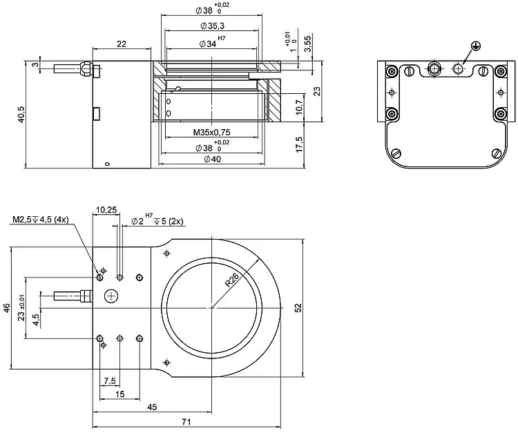
PIFOC高动态压电扫描仪;行程为18µm;电容传感器,直接位置测量;D-sub(公头);电缆长度为1.5m
P-725.CDD PIFOC高动态压电扫描仪
用于显微镜物镜的纳米级定位和扫描系统
- 带显微镜物镜,最短稳定时间小于5ms
- 行程为18µm
- 亚纳米级分辨率的物镜精密定位
- 并行柔性铰链导向可实现最小的物镜偏移
- 电容传感器的直接测量带来超高的线性度
- PICMA®压电陶瓷促动器带来超长使用寿命
- QuickLock适配器可实现便捷安装
应用领域
- 超分辨率显微镜
- 光学圆盘显微镜
- 共聚焦显微镜
- 3D成像
- 筛选
- 干涉测量
- 测量技术
- 自动聚焦系统
- 生物技术
- 半导体测试
PICMA®压电陶瓷促动器带来超长使用寿命
PICMA®压电陶瓷促动器为全瓷绝缘。 这可以防潮,避免漏电流增大造成故障。 PICMA®促动器的使用寿命是传统的聚合物绝缘促动器的十倍。 它们被证明可实现无故障运行1000亿个循环。
带电容式传感器,实现亚纳米分辨率
电容传感器以亚纳米分辨率进行测量,且无接触。 它们可确保优异的运动线性度、长期稳定性和千赫兹范围的带宽。
零间隙的柔性铰链导向机构带来超高导向精度
柔性铰链导向无需维护、无摩擦、无磨损,无需润滑。 其刚性可实现高负载能力,且它们对冲击和振动不敏感。 其可在较宽的温度范围内工作。
自动配置和快速部件更换
机械部件和控制器可按需组合、快速更换。 所有伺服和线性化参数均存储在机械部件的D-sub连接器的ID芯片中。 每当控制器启动时,数字控制器的自动校准功能就会使用这些数据。
直接位置测量带来高精度
运动直接在运动平台上测量,完全不受驱动或导向元件的影响。 这样可以实现高重复精度、优异的稳定性和刚性、快速响应控制。
规格
规格
| 运动 | P-725.CDD | 公差 |
|---|---|---|
| 主动轴 | Z | |
| Z向上的行程 | 18 µm | |
| Z向上的开环行程 | 18 µm | ±20 % |
| Z向上的线性误差 | 0.05 % | typ. |
| X向上的直线度误差 | 150 nm | typ. |
| Y向上的直线度误差 | 150 nm | typ. |
| 绕X的角度误差 | 2 µrad | typ. |
| 绕Y的角度误差 | 2 µrad | typ. |
| 定位 | P-725.CDD | 公差 |
| Z向上的双向重复精度 | 3 nm | typ. |
| Z向上的开环分辨率 | 0.2 nm | typ. |
| 集成传感器 | 电容式,直接位置测量 | |
| Z向上的系统分辨率 | 0.2 nm | |
| 驱动性能 | P-725.CDD | 公差 |
| 驱动类型 | PICMA | |
| Z向上的电容 | 3.1 µF | ±20 % |
| 机械性能 | P-725.CDD | 公差 |
| Z向上的刚性 | 1.5 N/µm | ±20 % |
| Z向上的谐振频率,空载 | 1180 Hz | ±20 % |
| 在200g负载下Z向上的谐振频率 | 450 Hz | ±20 % |
| Z向上的允许推力 | 100 N | max. |
| Z向上的允许拉力 | 20 N | max. |
| 导轨 | 带直接驱动器的柔性铰链导轨 | |
| 总质量 | 210 g | |
| 材料 | 铝 | |
| 其他 | P-725.CDD | 公差 |
| 工作温度范围 | -20至80 °C | |
| ID芯片 | 是 | |
| 连接器 | D-sub 7W2(公头) | |
| 电缆长度 | 1.5 m | |
| 推荐控制器/驱动器 | E-610、 E-625、 E-709.1C1L、 E-754 |
使用模拟控制器时,直接驱动定位器的典型线性误差最高为0.1%。
因为PI压电陶瓷纳米定位系统无摩擦,所以系统分辨率仅受放大器噪声和测量技术的限制。
PI技术数据是在22±3°C环境温度下定义的。除非有特别说明,所有数值均基于无负载的情况。某些性能参数是相互关联的。“typ.”标识 是指属性的统计平均值,并非承诺每个交付产品均达到该数值。在产品交付前的最后检验中,我们只检测选定的属性,而不是全部属性。请注意,产品的某些特性可能会随着使用时间的增长而逐渐下降。
下载
产品注解
数据表
文件
用户使用手册P725T0010
用于长行程的P-725 PIFOC压电陶瓷纳米聚焦系统
安装说明P721T0002
用于P-721/P-725.xxx PIFOC物镜扫描仪的P-721螺纹连接器

















