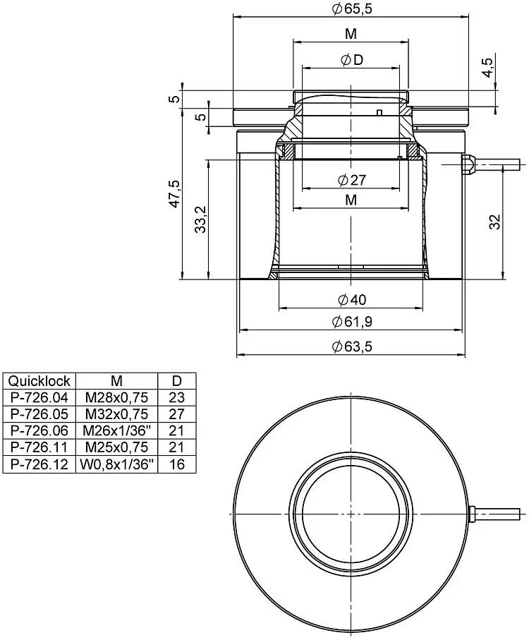
PIFOC大负载聚焦扫描仪:行程100µm;电容式传感器,直接位置测量;D-sub 7W2连接器(公头);电缆长度1.5m
P-726 PIFOC高负载物镜扫描器
用于较重物镜的长行程、高动态扫描系统
- 面向较大物镜的高动态定位与扫描
- 谐振频率1120Hz;配210g物镜时为560Hz
- 典型步进和稳定时间约6ms
- 行程100µm
- 采用直接测量型电容传感器,具备更高的线性度、稳定性与控制动态性能
- 分辨率0.3nm
- 零间隙高精度柔性铰链导向系统,可实现更好的聚焦稳定性
P-726 PIFOC高负载物镜扫描器
产品描述
规格
下载
报价/订购
应用领域
- 超分辨率显微镜
- 光学圆盘显微镜
- 共聚焦显微镜
- 3D成像
- 筛选
- 干涉测量
- 测量技术
- 自动聚焦系统
- 生物技术
- 半导体测试
PICMA压电陶瓷促动器带来长使用寿命
PICMA压电陶瓷促动器为全瓷绝缘。 这可以防潮,避免漏电流增大造成故障。 PICMA促动器的使用寿命是传统聚合物绝缘促动器的十倍。 它们被证明可实现无故障运行1000亿个循环。
带电容传感器,实现亚纳米级分辨率
电容传感器以亚纳米级分辨率进行测量,且无接触。 它们可带来良好的运动线性度、长期稳定性和千赫兹范围的带宽。
零间隙的柔性铰链导向机构带来高导向精度
柔性铰链导向机构无需维护、无摩擦、无磨损,无需润滑。 其刚性可实现高负载能力,且它们对冲击和振动不敏感。 其可在较宽的温度范围内工作。
自动配置和快速部件更换
机械部件和控制器可按需组合、快速更换。 所有伺服和线性化参数均存储在机械部件的D-sub连接器的ID芯片中。 每当控制器启动时,数字控制器的自动校准功能就会使用这些数据。
直接位置测量带来最大精度
运动直接在运动平台上测量,不受驱动或导向元件的影响。 这样可以实现良好的重复精度、稳定性和刚性、快速响应控制。
规格
规格
| 运动 | P-726.1CD | 公差 |
|---|---|---|
| 主动轴 | Z | |
| Z向的行程 | 100 µm | |
| Z向的开环行程 | 100 µm | +20 % / -0 % |
| Z向的线性误差 | 0.02 % | typ. |
| 定位 | P-726.1CD | 公差 |
| Z向的点重复精度,10%步长,1 σ | 3 nm | |
| Z向的开环分辨率 | 0.3 nm | typ. |
| 集成传感器 | 电容式,直接位置测量 | |
| Z向的系统分辨率 | 0.4 nm | |
| 驱动性能 | P-726.1CD | 公差 |
| 驱动类型 | PICMA | |
| Z向的电容 | 6 µF | ±20 % |
| 机械性能 | P-726.1CD | 公差 |
| Z向的刚性 | 3.4 N/µm | ±20 % |
| Z向的谐振频率,空载 | 1120 Hz | ±20 % |
| 在210g负载下Z向的谐振频率 | 560 Hz | ±20 % |
| 在310g负载下Z向的谐振频率 | 480 Hz | ±20 % |
| Z向的允许推力 | 100 N | max. |
| Z向的允许拉力 | 50 N | max. |
| 导轨 | 带杠杆放大的柔性铰链导轨 | |
| 总质量 | 575 g | |
| 材料 | 铝、钢 | |
| 机械接口 | M32内螺纹(通过QuickLock螺纹转接头可转换为常用螺纹规格) | |
| 其他 | P-726.1CD | 公差 |
| 工作温度范围 | -20至80 °C | |
| 接头 | D-sub 7W2(公头) | |
| 电缆长度 | 1.5 m | +50 mm / -0 mm |
| 推荐控制器/驱动器 | E-505、E-621、E-625、E-709.1C1L、E-754 |
因为PI压电陶瓷纳米定位系统无摩擦,所以系统分辨率仅受放大器噪声和测量技术的限制。
PI技术数据是在22±3°C环境温度下定义的。除非有特别说明,所有数值均基于无负载的情况。某些性能参数是相互关联的。“typ.”标识 是指属性的统计平均值,并非承诺每个交付产品均达到该数值。在产品交付前的最后检验中,我们只检测选定的属性,而不是全部属性。请注意,产品的某些特性可能会随着使用时间的增长而逐渐下降。
下载
产品注解
产品注解
Product Change Notification Piezo Actuator Driven Products
版本/日期
2021-04-19
pdf - 377 KB
English
数据表
文件
文件
用户使用手册P726T0002
P-726.1CD PIFOC®高负载物镜扫描仪
版本/日期
2020-06-10
pdf - 1 MB
English
文件
Installation Instructions P726T0001
P-726.xx QuickLock Thread Adapters for P-726 PIFOC
版本/日期
2020-02-20
pdf - 736 KB
English
3D模型
3D模型
P-726.1CD 3D模型
zip - 394 KB



























