Q-622 Q-Motion®小型转台
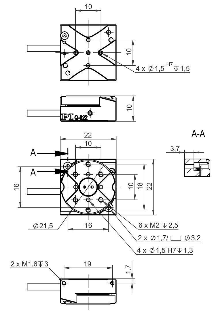
最小尺寸:转台直径为22毫米
- 宽仅22毫米、高仅10毫米
- 采用增量编码器实现直接位置测量,编码器分辨率为0.55微弧度
- 最小位移高达2.2微弧度
- 速度为70度/秒
- 可安装在Q-522线性平台上,无需转接器
- 适用于高达10-6百帕的真空环境,还可提供用于真空达10-9百帕的版本
Q-622 Q-Motion®小型转台
产品描述
规格
下载
报价/订购
下载
产品注解
产品注解
Product Change Notification Q-xxx; N-765
版本/日期
2019-03-26
pdf - 435 KB
English
文件
3D模型
3D模型
Q-622 3-D模型
zip - 675 KB
报价/订购
就所需数量、价格和供货周期请求免费报价或描述您所需的改型。
Q-622.930
Q-622.900
Q-Motion® 转台,压电惯性驱动,旋转范围>360度,不带用于开环操作的位置传感器,力矩为5毫牛米,直径为22毫米,真空兼容至10-6 百帕
Q-622.90U
Q-Motion® 转台,压电惯性驱动,旋转范围>360度,不带用于开环操作的位置传感器,力矩为5毫牛米,直径为22毫米,真空兼容至10-9 百帕














