P-733.3 XYZ压电陶瓷纳米定位器
具有孔径的高精度XYZ扫描仪
- X和Y向上的行程达100微米 × 100微米,Z向上的行程达10微米
- 电容式传感器使分辨率达0.1纳米
- 带直接驱动器的高速版本
- 超高真空兼容和非磁性版本
- 并联运动实现更高精度和动态
- 导向误差主动补偿的并行计量
- 零间隙,高精度柔性铰链导向系统
- 50毫米×50毫米的通光孔径用于透射光应用
应用领域
- 扫描显微镜
- 共聚焦显微镜
- 掩模/晶圆定位
- 表面测量技术
- 纳米压印
- 显微操纵
- 图像处理/稳定
- 高运动平面度和直线度的纳米定位
PICMA压电陶瓷促动器带来超长使用寿命
的PICMA压电陶瓷促动器为全瓷绝缘。这可以防潮,避免漏电流增大造成故障。PICMA促动器的使用寿命比传统的聚合物绝缘促动器长达十倍。它们被证明可实现无故障运行1000亿个循环。
带电容式传感器,实现亚纳米分辨率
电容式传感器以亚纳米分辨率进行测量,且无接触。它们可确保优异的运动线性、长期稳定性和千赫兹范围的带宽。
零间隙柔性铰链导向带来高导向精度
柔性铰链导向无需维护、无摩擦、无磨损,无需润滑。它们的刚性可实现高负载能力,且它们对冲击和振动不敏感。它们百分百真空兼容,可在很广的温度范围内工作。
自动配置和快速部件更换
机械部件和控制器可按需组合、快速更换。所有伺服和线性化参数均存储在机械部件的Sub-D连接器的ID芯片中。每当控制器启动时,数字控制器的自动校准功能就会使用这些数据。
并联位置测量实现纳米级的高跟踪精度
各自由度均相对于单一固定参考进行了测量。对其他轴的不良运动串扰均可得到实时主动补偿(取决于带宽)(主动导向)。即使在动态操作中,跟踪精度也可高达纳米级。
适用于复杂真空应用
压电陶瓷系统中使用的所有部件均非常适合于在真空中使用。操作无需润滑剂或润滑脂。无聚合物的压电陶瓷系统可实现极低的排气率。
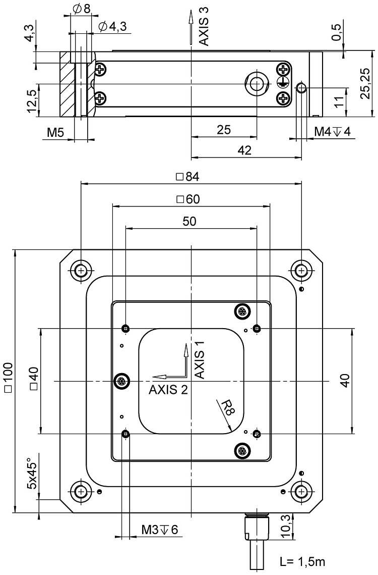
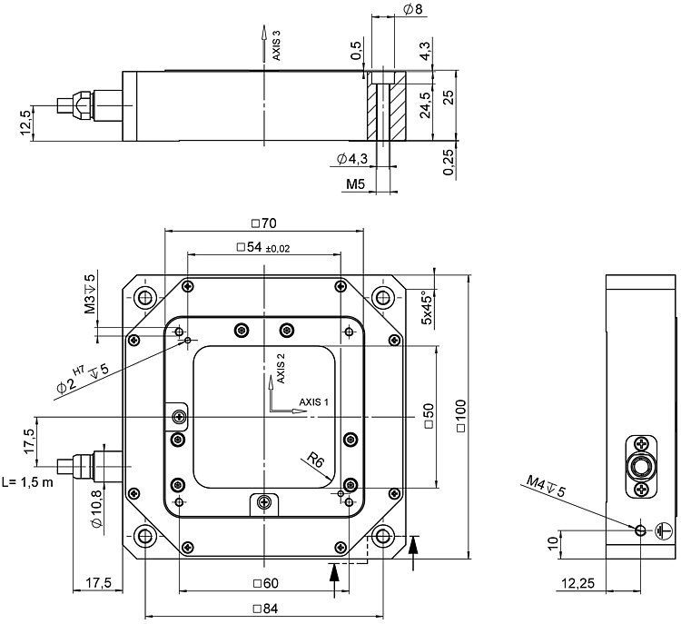
规格
P-733.3CDP-733.3CL | P-733.3DD | 单位 | 公差 | |
|---|---|---|---|---|
主动轴 | X、Y、Z | X、Y、Z | ||
运动和定位 | ||||
集成传感器 | 电容式 | 电容式 | ||
-20至120 伏时的开环行程 | 115 微米×115 微米×12 微米 | 33 微米×33 微米×14 微米 | +20 % / -0 % | |
行程,闭环 | 100 微米×100 微米×10 微米 | 30 微米×30 微米×10 微米 |
| |
分辨率,开环 | 0.2(Z向上为0.1) | 0.1 | 纳米 | 典型值 |
分辨率,闭环 | 0.3(Z向上为0.2) | 0.1 | 纳米 | 典型值 |
线性误差(X、Y) | 0.03 | 0.03* | % | 典型值 |
线性误差(Z) | 0.03 | 0.03* | % | 典型值 |
重复精度(X、Y) | <2 | <2 | 纳米 | 典型值 |
重复精度(Z) | <1 | <1 | 纳米 | 典型值 |
螺距(X、Y) | <±3 | <±5 | 微弧度 | 典型值 |
偏转角(X、Y) | <±10 | <±10 | 微弧度 | 典型值 |
Z向运动时的倾斜 | <±5 | <±5 | 微弧度 | 典型值 |
机械特性 | ||||
刚度 | 1.4(Z向上为9) | 4(Z向上为10) | 牛/微米 | ±20 % |
谐振频率,空载 | 460(Z向上为1400) | 1200(Z向上为1100) | 赫兹 | ±20 % |
带120 克负载时的谐振频率 | 340(Z向上为1060) | – | 赫兹 | ±20 % |
带200 克负载时的谐振频率 | 295(Z向上为650) | 530(Z向上为635) | 赫兹 | ±20 % |
运动方向上的推/拉力 | 50 / 20 | 50 / 20 | 牛 | 最大 |
驱动特性 | ||||
压电陶瓷 | PICMAP-885 | PICMAP-885 | ||
电容 | 6(Z向上为2.4) | 6.2(Z向上为3.3) | 微法 | ±20 % |
其他 |
|
| ||
工作温度范围 | -20 到 80 | -20 到 80 | °C | |
材料 | 铝 | 铝 | ||
质量 | 0.675 | 0.675 | 千克 | ±5 % |
电缆长度 | 1.5 | 1.5 | 米 | ±10 毫米 |
传感器/电压连接 | CD版本:Sub-D 25W3(公头) CL版本:LEMO | Sub-D25W3(公头) | ||
推荐电控 | E-503、E-505、E-610、E-621、E-625、E-712 | E-503、E-505、E-610、E-621、E-625、E-712 |
下载
产品注解
Product Change Notification Piezo Actuator Driven Products
文件
3D模型
P-733 3-D模型
报价/订购
就所需数量、价格和供货周期请求免费报价或描述您所需的改型。


























